Einführung
Dieselmotor 1
Dieselmotor 2
Erfinder
Carnot-Prozess
Schwere Geburt
Entwicklung 1
Entwicklung 2
Robert Bosch
Arbeitsprinzip
Diesel
Verfahren
Pkw-Dieselmotor
Lkw-Dieselmotor
Detroit Diesel
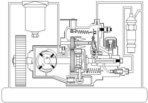
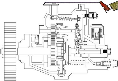
Reihenpumpe
Verteilerpumpe 1
Verteilerpumpe 2
Verteilerpumpe 3
Regelung
Versuche
Zweitakt
Pumpe-Düse 1
Pumpe-Düse 2
Common Rail 1
Common Rail 2
Common Rail 3
Common Rail 4
Eine Schraube
Common Rail 5
Fehlersuche
CR-Reparatur
China-Ware?
Schraube abgerissen
Schreck des Lebens
HELICOIL©
Turbolader
Abgas 1
Abgas 2
Abgas 3
Feinheiten
Vereinfacht
Glühen 1
Glühen 2
Glühen 3
Schnellläufer
Diesel-Skandal
EA 288 EVO
Diesel-/Erdgasmotor 1
Diesel-/Erdgasmotor 2
Gibt's nicht gibt's nicht
Rekorde
Lückentexte
Einführung

kfz-tech.de/PDM5
Sie wurden lange Zeit nur als Reihen- und V-Motoren gebaut. Neuerdings gibt es sie sogar als Boxermotoren (Subaru). Sie treten fast nur noch mit Aufladung an, scheinen mit dem Turbolader fast
verschwägert zu sein. Seltener sind der Kompressor oder das Turbo-Compound-System. Dabei muss nicht, wie bei Stationärmotoren, in vielen Betriebsbereichen ein Optimum gefunden werden, es kann
auch noch heute auf mechanische Regelsysteme zurückgegriffen werden.
Unglaublicher noch als beim Lkw ist die Entwicklung des Dieselmotors beim Pkw. Dort hat er sich in den letzten fünfzig Jahren vom leistungsschwachen Raubein zum kultivierten, zum mit viel Schub
gerade auch aus unteren Drehzahlen ausgestatteten Gebrauchsmotor entwickelt. Inzwischen macht er bei Langstreckenrennen sogar dem Benziner ernsthafte Konkurrenz.
Während die Nenndrehzahl beim Gebrauchs-Benziner eher leicht sinkt, hat der Diesel nach einem Einbruch bei seiner Umstellung zum Direkteinspritzer wieder zugelegt. Je nach Hersteller sind ihm
Drehzahlen bis zu 5500/min möglich. Obergrenzen im Hubraum hat der Dieselmotor z.B. im Schiffsbau noch nie gekannt, tritt aber inzwischen auch mit weniger als 1000 cm3 als Dreizylinder auf.
Seit es ihn nun auch im Pkw-Bereich nur noch als Direkteinspritzer gibt, ist er in seinem Wirkungsgrad nahezu unschlagbar. Und sein Drehmoment war seit der Einführung des Turboladers so groß, dass
es alleine schon mit Blick auf die lieferbaren Getriebe künstlich begrenzt werden musste. Hier halfen anfangs nur Wandler-Automatiken. Der Motor erscheint vielen Herstellern inzwischen auch als für
Coupés und sogar Cabrios geeignet.
Aber es gibt noch Möglichkeiten der Eroberung für den Dieselmotor. In USA wehrt sich der/die durchschnittliche Konsument/in noch heftig, obwohl er doch gerade für große und schwere Fahrzeuge
besonders geeignet erscheint. Zu günstig ist dort seit ewigen Zeiten 'Gas', obwohl dessen Preis zumindest zwischenzeitlich stieg, bis das Fracking zu einer scheinbaren Erlösung vom Problem der
mangelnden Ressourcen führte.
Die Nordamerikaner haben den Dieselmotor für Pkw längere Zeit von ihrem Markt ferngehalten, weil sie für ihn strikt die gleichen Abgaswerte wie für den Benziner verlangt haben, z.B. bei den Stickoxiden.
Diese hohe Hürde muss der Diesel aber neuerdings auch in Europa nehmen, so dass der nordamerikanische Markt ihm eigentlich offenstehen müsste. Aber die Konsumenten dort tun sich schwer mit ihm.
Sie merken schon, die Überlegenheit des Benziners im Abgasbereich holt der Diesel langsam auf. Auch wenn der Benziner neuerdings viel häufiger direkt einspritzt, kann er den Dieselmotor im Verbrauch
nicht ganz erreichen. Es gibt noch einen Vorteil für ihn, das ist die Kostenfrage. Mit dem Gewicht der Fahrzeuge bis in den Nutzfahrzeugbereich nimmt die Dominanz des Dieselmotors allerdings zu,
auch in USA.
Leider haben die Hersteller von Dieselmotoren den schon sicher geglaubten Erfolg aufs Spiel gesetzt, indem sie sich, besonders bei VW, großzügig über deutliche Warnzeichen hinwegsetzten. Nach
Zweifeln an den von ihnen angegebenen Abgaswerten folgten nur halbherzige Rückrufaktionen. Nicht nur die Amerikaner sind vergräzt, der Schaden ist enorm, auch für die Umwelt, denn jetzt steigt der
CO2-Ausstoß wieder durch den vermehrten Kauf von Benzinern.
Wir sollten die Bereiche Land- und Baumaschinen, Lokomotiven und Schiffe nicht unerwähnt lassen, wobei letztere schon kurz nach der Erfindung des Dieselmotors mit diesem Furore machten. Heute
erreichen die größten Containerschiffe der Welt mit ihm bei Leistungen bis zu 74.000 kW (100.000 PS) Wirkungsgrade von weit über 40 Prozent. Inzwischen fahren Sie sogar etwas langsamer, um Sprit zu
sparen.
Denn hier geht es um sehr genaue Kostenkalkulation. Wenn Sie bedenken, dass 1 Liter Rohöl für ca. 2 Cent fast um den halben Erdball transportiert wird, können Sie vielleicht den spitzen Bleistift
nachempfinden. Leider wird deshalb aber auch auf dem offenen Meer eine Art Schweröl verfeuert, dass erst dann im Motor verbrannt werden kann, wenn es vorher auf bis zu 160°C aufgeheizt wurde.
Jaja, die Umwelt. Auf den ersten Blick scheint der Dieselmotor ausschließlich von fossilen Brennstoffen abhängig. Das ist aber nicht der Fall, gibt es doch schon genügend Möglichkeiten, ihn mit Produkten
nachwachsender Rohstoffe zu versorgen. Da ist der leicht zu Monokulturen neigende Raps noch eher dem Biodiesel 1 zuzurechnen. Wissenschaftler haben aber die Reststoffe der Land- bzw.
Forstwirtschaft oder z.B. auch rasch wachsende Algenstrukturen im Blickfeld.
Das käme gut aus mit der weiteren Entwicklung des Dieselmotors. Man hätte gern noch weiter z.B. von Schwefel reduzierten Kraftstoff, überhaupt eigentlich einen synthetisch hergestellten, passgenau auf
die Anforderungen des Dieselmotors zugeschnitten. Und wenn man ihn ohnehin nicht mehr aus Erdöl destilliert, kann man ihn auch gleich entsprechend zubereiten. 'Sunfuel' heißt das Produkt, das bisher
noch in Laboratorien schlummert und einen weiteren Entwicklungsschub beim Dieselmotor verspricht.
Wie schwierig die Entwicklung von Dieselmotoren u.a. ist, verdeutlichen die folgenden Rechenbeispiele. Nehmen wir an, ein Dieselmotor verbrauche im Leerlauf 1 Liter Kraftstoff pro Stunde. Das wären dann
1.000 cm3 bzw. 1.000.000 mm3. Dann sind das bei vier Zylindern 250.000 mm3 für jeden. Macht pro Minute 4.167 mm3. Wenn wir von 800 Umdrehungen pro Minute
ausgehen, müssen wir nach dem Viertaktprinzip durch 400 teilen, weil nur jede zweite Umdrehung eingespritzt wird.
Da ergeben sich also etwa 10 mm3 bei jedem Einspritzvorgang. Wenn Sie bedenken, dass dies einem Würfel mit knapp 2,2 Millimeter Kantenlänge entspricht und Regentropfen ein Volumen von etwa 30
mm3 haben, dann ist das schon sehr wenig. Es gibt Dieselmotoren, die mit noch weniger Einspritzmenge auskommen und davon auch noch 20 Prozent voreinspritzen.
Bei Volllast ist der Dieselmotor keineswegs sparsam, kann sogar mehr verbrauchen als ein Benzinmotor mit gleicher Leistung. Wenn wir hier 18 Liter pro 100 Kilometer annehmen, haben wir keineswegs
einen besonders großen Motor vor Augen. Es könnte ebenfalls jener Vierzylinder sein.
Auch hier können wir also durch 4 teilen und kommen auf 4.500.000 mm3, die bei einer angenommenen Geschwindigkeit von 200 km/h auf 30 Minuten verteilt werden müssten. Bei 4.500/min müssten wir
durch 2.250 teilen und erhalten gut 60 mm3 für jeden Einspritzvorgang. Der könnte sich auf 5 Teileinspritzungen verteilen.
4.500/min entsprechen 75 Einspritzungen pro Sekunde. Dabei werden 27.000° Kurbelwinkel zurückgelegt, also 27° pro Millisekunde. Wenn wir eine Vor- und eine Nacheinspritzung annehmen, sollten 3 der
5 Teileinspritzungen schon irgendwo in den ersten 60° Kurbelwinkel platziert werden. Dann muss das Motormanagement in etwa 2 Millisekunden den betreffenden Injektor je drei Mal öffnen und schließen,
um jedes Mal etwa das Volumen eines halben Regentropfens unter einem Druck von über 2.000 bar einzuspritzen.
Dieselmotor 1

kfz-tech.de/PDM7
Was ist eigentlich ein Dieselmotor? Das ist auf den ersten Blick ein ganz normaler Verbrennungsmotor, in Landfahrzeugen als Kolbenmotor ausgelegt. Dabei ist auch ein Kreiskolben möglich, Versuche
dazu hat es z.B. bei Rolls-Royce gegeben. Wie beschäftigen uns hier aber nur mit Hubkolbenmotoren als Dieselmotoren. Damit rückt der Dieselmotor sehr in die Nähe des Benzinmotors.
Es hat in der Tat schon Entwicklungen eines Dieselmotors aus einem Benziner gegeben. Lange Zeit aber waren typische Diesel stärker als Langhuber ausgelegt. Die Umwandlung eines Kurzhubers in
einen Langhuber ist wesentlich aufwendiger als die sonst nur nötige Änderung des Verdichtungsverhältnisses.

Auch heute noch sind viele Dieselmotoren leicht langhubig ausgelegt. Es ist hier auch eine deutliche Überschreitung gewisser Hubraumgrenzen möglich. Beim Vierzylinder-Benzinmotor bilden zwei Liter so
etwas wie eine natürliche Grenze. Hubräume darüber hinaus bis sogar zu drei Litern hat es zwar gegeben, aber sehr viele Hersteller halten sich daran, vielleicht auch, weil es inzwischen längst die
Möglichkeit zu fünf Zylindern gibt.
Der Dieselmotoren geht locker über die zwei Liter hinaus. Das kann er von der zulässigen Kolbengeschwindigkeit her, weil er zwar den größeren Hub, aber gleichzeitig auch ein wesentlich geringeres
Drehzahlniveau hat. Seine Drehzahlgrenze liegt vielleicht irgendwo bei 5000/min, aber die allermeisten Dieselmotoren, heute nur noch als Direkteinspritzer, begnügen sich mit einer Nenndrehzahl von
4000/min, nicht wenige sogar nur mit 3600/min.
Diesel als großer Schiffsmotor
kfz-tech.de/PDM8
Vermutlich ist nicht nur die schwerere Bauart der Grund, sondern eher noch die knappe zeitliche Abfolge zwischen Einspritzung, Verbrennung und Druckanstieg. Allerdings ist an dem Argument 'Bauart'
auch etwas dran, sonst würden nicht schwere Schiffsdiesel nur etwa 150/min und die Motoren schwerer Lkw die 2500/min als eine Art Grenze akzeptieren, übrigens eine Drehzahl, die im normalen
Fahrbetrieb nie erreicht wird. Die liegt über sehr weite Strecken eher bei der Hälfte oder sogar noch weniger.
Es hat also auch etwas mit der Auslegung zu tun. Ein Fahrzeug mit Dieselmotor wurde und wird zum großen Teil auch heute noch aus wirtschaftlichen Erwägungen gekauft. Während man sich beim
Benzinmotor, besonders wenn es noch ein Saugmotor ist, am Hochdrehen oft gepaart mit entsprechender Leistungsentwicklung und Sound erfreuen will, sucht man beim Dieselmotor das Drehmoment in
relativ tiefen Drehzahlregionen.
Übrigens, schaltfaul kann auch hier nicht gefahren werden, weil ja zur spritsparenden Fahrweise die Vermeidung hoher Drehzahlen gehört. Genau umgekehrt wie beim sportlichen Fahren eines Benziners.
Hier darf die Drehzahl nicht zu sehr abfallen, besonders bei Motoren, bei denen die letzten Pferdestärken herausgekitzelt wurden. Allerdings wird hier oft der Fehler gemacht, sich zu sehr im Bereich über
der Nenndrehzahl zu bewegen, was wiederum zwar mehr Sound, aber etwas weniger Leistung produziert.
Links der Benziner, rechts der Diesel
Das alles ist des Dieselmotors Sache nicht. Er zieht fröhlich von unten. Allerdings muss man bei ihm den früheren Saugmotor vom heutigen aufgeladenen Motor, übrigens beim Diesel immer mit Turbolader,
unterscheiden. Der Saugmotor war eher phlegmatisch. Von wegen hohes Drehmoment bei niedriger Drehzahl. Das galt nur für die Verteilung des Drehmoments, das insgesamt nicht größer als beim
Benziner gleichen Hubraums war. Also war diese Form des Dieselmotors von Sportlichkeit weit entfernt.
Das änderte sich ziemlich rasch mit der Aufladung. Diese begünstigt weniger das Hochdrehverhalten als vielmehr die Zugkraft untenrum. Allerdings mit einer Einschränkung, die im Diagramm leider nicht
sichtbar wird, die zeitliche Verzögerung, auch Turboloch genannt. Am Prüfstand fährt man alle die Betriebszustände durch und notiert z.B. jeweils das erreichte Drehmoment. Wann das durch gezieltes
Gas geben erreicht wurde, wird mit dem Datenblatt nicht deutlich.
Dieselmotor mit Turbo-Aufladung
Den/die Fahrer/in interessiert das sehr wohl. Die wären vielleicht sogar an etwas weniger Drehmoment interessiert, wenn es nur spontaner käme. Denn kommt es dann mit der oft noch üblichen Verzögerung, ist es
je nach Stärke fast unangenehm. Der Mensch kann rasche Bewegungsunterschiede viel besser ab, wenn sie auf den Punkt kommen, wo er sie provoziert hat. Deshalb ist Unverträglichkeit für Autofahren häufiger bei
Beifahrern/innen anzutreffen.
Die Einführung der Aufladung hat das Pendel der Beliebtheit deutlich in Richtung Dieselmotor ausschlagen lassen. Wegen eines relativ hohen Verbrauchs wurde jetzt auch der Benziner aufgeladen und
sogar downgesized und dadurch seine einstigen Quellen der Freude verloren. Und im Verbrauch kam er dem Benziner zwar etwas näher, aber erreicht hat er ihn immer noch nicht. Heute versucht man mit
mancherlei Tricks, dem Benziner die alten Tugenden trotz Aufladung wieder zu geben, scheut beim Sound sogar noch nicht einmal vor plumper elektronischer Nachbildung zurück.
Wenn also der Diesel Verbrauch und sogar Drehmoment unterherum besser konnte, war eigentlich kein Grund mehr gegeben, ihm den Zutritt zu etwas sportlicheren Fahrzeugen zu verwehren. Freilich ein
Porsche-Sportwagen oder ein Ferrari sollte es nicht sein, aber so manches Coupé oder sogar Cabrio. Für letzteres musste er, auch aus gesetzlicher Sicht, an seinen Abgasen arbeiten. Denn, wie damals
für den Dieselmotor üblich, bei kräftigem Beschleunigen eine Wolke dunkler Abgase zu hinterlassen, geht bei einem Cabrio wohl gar nicht.
Diesel-Partikelfilter - geschlossenes System
Es begab sich zu der Zeit, als der Dieselmotor wohl sauberer werden sollte und es tat sich eine Lösung hervor, mit deren Beschäftigung wir heute noch zu knacken haben, der Partikelfilter. Erst sogar als
Missgeburt, nämlich in der offenen Version. Da muss das Abgas also nicht zwingend durch eine keramische Schicht und dabei beinahe sämtliche sichtbar schädlichen Bestandteile hinter sich lassen,
sondern es wird sanft geleitet und gebeten, das doch quasi freiwillig zu tun.
Aber wie das so ist mit den Freiwilligkeiten, mal funktionieren sie und mal nicht. Das Ding erwies sich schlicht als unwirksam, erfüllte z.T. sogar den Tatbestand des Betruges, weil sein Einbau teilweise
durch Steuergelder subventioniert worden war. Vielleicht schon der erste Sündenfall in den Beziehungen von Ingenieuren/innen zum Dieselmotor. Denn der kann von seinem Prinzip her nichts dafür, was
man alles mit ihm angestellt hat.
Als das Übel abgestellt war und so etwa ab Euro 5 alle Dieselmotoren mit einem funktionierenden Partikelfilter ausgerüstet waren, drohte das Bild der Umweltfreundlichkeit schon fast in Richtung Diesel zu
kippen, denn bei den Benzinern gab es immer mehr Direkteinspritzer, um dem Diesel im Verbrauch nachzueifern, aber mit der teilweisen Adaption des Verfahrens hatte auch er das Problem des
Rußausstoßes. Es wurde nie so groß wie beim Diesel, weil der Benzin-Direkteinspritzer mehr Zeit zur Verwirbelung hat, aber ganz ohne, wie die neuste Entwicklung zeigt, kommt auch er nicht aus.
Partikelfilter
Diese Entwicklung ist für die Umwelt sicherlich sehr positiv, aber nicht für die Benutzer solcher Fahrzeuge. Da sind zunächst einmal die notorischen Kurzstreckler. Denen geht es jetzt richtig an den
Kragen. Von wegen Laufzeiten beim Pkw-Partikelfilter von deutlich über Hunderttausend, bisweilen vielleicht nur ein Zehntel davon. Und wenn die Werkstatt den Service einer gezielten Regeneration nicht
kennt oder nicht kennen will, kommen da ganz nette Sümmchen pro km zusammen.
Jetzt könnten Sie denken, dass dies den Benutzern/innen ganz recht geschehe, weil sie doch wissen müssten, dass Kurzstrecken für Verbrennungsmotoren Gift seien, auch z.B. im Hinblick auf Verschleiß.
Gut gebrüllt Löwe, aber die wenigsten Menschen füllen mit Kurzstrecken ihre Freizeit auf. Vielmehr ist diese Art der Nutzung viel häufiger beruflich bedingt. Außerdem gibt es einen lachenden Dritten, den
Elektromotor. Der kann das nämlich besser ab, so oft ein- und wieder ausgeschaltet zu werden.
Was wäre denn, wenn wir uns den Tatsachen beugen und schon jetzt elektrisch fahren würden? Womit wir beim sogenannten 'Stadtwagen' wären, einen Begriff, den man schon langsam nicht mehr
hören kann. Wie bitteschön soll das gehen, vor der Stadt in einen 'Stadtflitzer' umsteigen und nach wieder zurück, mit Gepäck und allem? Und wie kommt der Stadtflitzer dorthin vor der Stadt? Ist das mein
eigener oder ist der geliehen?
Ein tolles Konzept. Das jemand vielleicht in ein ÖPNV-Fahrzeug einsteigt, wenn nicht viel zu transportieren ist und damit die Parkplatzsuche entfällt, kann man ja noch verstehen, aber das eigene Auto mit
einem beengteren für deutlich mehr Geld tauschen und trotzdem noch das Problem der Parkplatzsuche zu haben? Wissen Sie, was, ein Stadtauto gibt es gar nicht. Hier ist die Rede von einem klassischen
Zweitwagen, wer es sich denn leisten kann.
Zurück zum Dieselmotor. Er hätte es schaffen können, auch als umweltfreundlich zu gelten, wären da nicht Marktgesetze gewesen und zu forsche Hersteller, die derentwegen schlicht die Abgasregeln mit
Taschenspielertricks unterlaufen haben, wobei eben nicht nur von VW die Rede sein müsste. Denn da war noch eine letzte Lücke, die Stickoxide. Lücke ist eigentlich der falsche Ausdruck, denn auch hier
gab es eigentlich von Beginn des Problems an eine Lösung.
Früher SCR-Katalysator
kfz-tech.de/PDM9
NOX kann schon lange mit einem SCR-Kat und einer Mischung aus Harnstoff und Wasser, AdBlue genannt, sehr wirksam bekämpft werden. Hat man eine solche Anlage im Abgasstrang,
kann man sogar vorne ruhig etwas mehr NOX produzieren, was wegen der hohen Temperaturen wiederum gut für den Verbrauch und die CO2-Werte ist. Man weiß ja, es wird
hinten wieder entfernt, wenn auch mit einem gewissen verbrauchsfördernden Effekt.
Hier ist nicht der geeignete Ort zu mutmaßen, warum auch bei diesen Systemen gepfuscht wurde, jedenfalls wurde damit der Ruf des Dieselmotors endgültig aufs Spiel gesetzt. Ob er sich vor der
flächendeckenden Ankunft des Elektromotors noch einmal erholt, wir werden sehen. Ganz leicht hat dieser es nicht, auch nur annähernd die Strecken ohne Stopp und nicht nur deshalb mit enormen
Durchschnitten zu erreichen. Und ob Fernlaster sich künftig mit einer unglaublichen Zahl von Batterien bzw. Wasserstofftanks sinnvoll ausrüsten lassen, bleibt ebenfalls fraglich.
Kühlung der Abgasrückführung
kfz-tech.de/PDM10
Dieselmotor 2
kfz-tech.de/PDM11
Was kennzeichnet denn jetzt eigentlich einen Dieselmotor, wenn ihm der Benziner vom Verfahren her immer nähergekommen ist? Die vordergründige Antwort wäre, wenn man die Motorhaube öffnet und die
Motorabdeckung entfernt, das Fehlen einer elektrischen Zündanlage. So weit so gut, aber wenn Sie versuchen, in die geheimen 'Giftküchen' der Hersteller vorzudringen, könnten Ihnen Motoren begegnen,
die eine Zündanlage haben und die trotzdem zeitweise nach dem Prinzip des Diesels arbeiten.
Dieses Prinzip betont ohne Unterlass die Selbstzündung, also das Einspritzen eines möglichst hoch aufgelösten Kraftstoffs direkt in den Brennraum, gefüllt mit wegen hohen Drucks heißer Luft. Spitzfindig
könnten und müssten Sie eigentlich fragen, ob die Zündanlage strikt dann abgeschaltet ist, wenn der Proband selbstzündet. Man müsste dann diese Frage mit einem klaren 'Jein' beantworten. Bei dem
schon etwas älteren Konzept von Daimler-Benz ist das so, bei dem Mazda SPCCI nicht.
Von dem Konzept von Daimler-Benz ist nichts mehr zu hören. Im Hinblick auf Elektrifizierung der Fahrzeuge ist auch nicht mehr damit zu rechnen. Interessant war es schon, weil es beim F700 wohl
zeitweise gelang, alle für die Verbrennung zuständigen Parameter einschließlich Aufladung so zu stellen, dass eine kontrollierte Selbstzündung möglich, also eine mit der elektrischen Zündung
vergleichbare Zündsteuerung. Erstaunlicherweise war man hier wieder bei den Versuchen von Daimler und Maybach aus dem vorvorigen Jahrhundert angelangt.
Daimler schaltet die Zündung im dieselähnlichen Betrieb ab. Wenn Mazda die Zündung auch dann weiterlaufen lässt, dann wird nach der Erklärung des Herstellers damit eine Selbstzündung eingeleitet.
Demnach dient die elektrische Zündung nur der Steuerung und einer gewissen Vorbereitung einer für die Selbstzündung günstigen Situation. Leider nicht nachprüfbar und auch noch nicht genügend von
unabhängigen Beobachtern/innen nachvollzogen.
So, jetzt wären wir die Sonderlösungen los und können uns endlich dem Standard widmen, der besagt, Voraussetzung für eine Verbrennung beim Dieselmotor ist die Selbstzündung. Es ist also durch hohe
Kompression plus Aufladung eine Temperatur erreicht, die unter allen in der Praxis vorkommenden Umständen einen eingespritzten Diesel-Kraftstoff entzündet. Um mögliche Schwierigkeiten bei der
sicheren Herbeiführung von Selbstzündung, die auch Daimler gehabt haben mag, zu verdeutlichen, hier ein Experiment:
In einem Raum sind Dutzende von Mausefallen aufgebaut. Jede ist gespannt, lässt im Falle von Auslösung einen Tischtennisball auf die Gruppe los. Wenn jetzt von der Seite ein zusätzlicher solcher in die
Gruppe geworfen wird, soll im besten Fall eine Kettenreaktion erfolgen, die allen Mausefallen zu einer Auslösung verhilft. Bei einer Verbrennung wäre im Idealfall kein Molekül mehr so wie vorher. In der
Realität wird es, vielleicht irgendwo am Rand, Mausefallen geben, die nicht erreicht wurden.
Und doch beschreibt dieses Experiment die Situation vor und während einer Direkteinspritzung. Denn die Moleküle müssen nicht nur zu einer gewissen Nähe finden. Zusätzlich entscheidend ist ihr
sogenanntes 'Energieniveau'. Was heißt das? Energie von Molekülen wie z.B. Wärme kann man an deren Bewegung erkennen. Je heißer es wird, desto stärker schwingen sie. Jenseits der Grenzen der
Aggregatzustände ändern sie noch einmal zusätzlich ihre Entfernung voneinander.
Das heißt dann auch, im Brennraum kommt nicht nur flüssiger Brennstoff in höher aufgelöster Form vor, sondern auch gasförmiger. Der Kraftstoff besteht fast nur aus Kohlenstoff und Wasserstoff, die Luft
zu fast 80 Prozent aus Stickstoff und zu 20 Prozent aus Sauerstoff. In den meisten Betriebszuständen ist von letzteren beiden doppelt so viel oder mehr vorhanden, als für die Reaktion nötig wäre. Als
Reaktion kommt bei der Verbrennung hauptsächlich die von Kohlenstoff mit Sauerstoff in Frage, weshalb sie auch 'Oxidation' genannt wird.
Das ist übrigens beim Benziner anders. Da passt das Verhältnis der Luft- zu den Kraftstoffanteilen ziemlich genau, wird sogar von der Lambdaregelung laufend überwacht. Stickstoff
bleibt auch da übrig, findet aber keinen freien Sauerstoff vor, weil der lieber mit dem Kohlenstoff eine Bindung herstellt. Schon von diesen Grundvoraussetzungen her entstehen also im
Dieselmotor mehr schädliche Verbindungen von Stickstoff und Sauerstoff, NO2 bzw. NO3.
Jetzt haben wir schon die hohe Temperatur und das eigentlich für eine Verbrennung günstige Mischungsverhältnis, weil praktisch deutlich mehr Sauerstoff zur Verfügung steht als beim Benzinmotor.
Kohlenstoffatome, die nur ein Sauerstoffatom finden (CO), kommen also beim Dieselmotor fast gar nicht vor. Aber die Sache hat trotzdem einen Haken. Was ist, wenn der Kohlenstoff zwar seine zwei
Sauerstoffatome (CO2) findet, aber die Reaktion durch viele zusätzliche Luftmoleküle nicht weitergetragen, also der Inhalt des Brennraums nicht wirklich 'gezündet' wird?
kfz-tech.de/PDM12
Hier ein Bauteil, was bei dem Problem der ungleichen Verteilung von Kraftstoff und Luft eine Hilfe sein kann. Es handelt sich um einen einzelnen Zylinderkopf. Beim Lkw werden diese der Reihe nach auf die
Zylinder gesetzt, egal ob Reihen oder V-Motor. Das Besondere an diesem ist die Verdrehung von Ein- bzw. Auslassventilen gegenüber der Längsachse, die auch deren Betätigung etwas komplizierter macht.
Der Grund für diese Verdrehung ist die Erzeugung von Drall. Es soll also Bewegung in die einströmende Gassäule gebracht und dadurch die spätere Durchmischung verbessert werden. Das ist bei weitem
nicht die einzige Möglichkeit, Drall bzw. Bewegung zu erzeugen. Früher hat man kleine Bleche auf das Einlassventil geschweißt. Es gibt ja auch noch den Kolben, der sich ohnehin wegen seines
Hohlraumes dem Zylinderkopf sehr stark nähern muss, um trotzdem noch die hohe Kompression zu gewährleisten.
Man spricht zwar beim Dieselmotor nicht von Quetschkanten, aber mehr Bewegung der Luft im Brennraum entsteht dadurch allemal. So ist eher gewährleistet, dass Kohlenstoff und
Sauerstoff als die Hauptträger der Verbrennung und die einzelnen Zündkerne zueinander finden. Wobei natürlich die Geschwindigkeit nicht unerheblich ist, denn nur was ziemlich am Anfang des
Arbeitstakts passiert, hat den besten Effekt auf Leistungsverhalten, Verbrauch und vielleicht auch Abgas.
Und dann ist er da, der Moment der Einspritzung. Jetzt muss alles besonders schnell gehen, Vermischung, durchgehende Zündung, Verbrennung und Druckanstieg. Das ist der Kern der
sogenannten 'inneren Gemischbildung'. Zu dieser ist die Einspritzung natürlich besonders wichtig. An den Rändern der Einspritzwolke verbrennt der Kraftstoff schon direkt, wenn er aus
dem Injektor kommt. Allerdings bringt erst der durchgängige Prozess die erwünschten Wirkungen. Wie beim Benziner darf es auch keine Bereiche unverbrannten Kraftstoffs geben.
Kohlenstoff, der nicht durchbrennt, ergibt Ruß.
Schadstoffe entstehen oder sie können gezielt abgebaut werden. Es gibt eine ganz klar definierte Schwelle bei der Behandlung von Schadstoffen, den Auslasskanal. Bis dahin heißen sie
'Rohemissionen'. Was bis hier erreicht wird, muss nicht durch aufwendige Maßnahmen nachbearbeitet werden. Beim Lkw mit Euro 6 haben die angehängten Bauteile schon fast die
Dimension eines Pkw-Motors.
kfz-tech.de/PDM13
Erfinder

Rudolf Diesel kommt 1858 in Paris zur Welt. Der Vater stammt aus Augsburg, einer schwäbischen Stadt hart am Rand zu Oberbayern, die Mutter aus Nürnberg in Mittelfranken. Zur Zeit ihrer
Auswanderung nach Frankreich Mitte des 19. Jahrhunderts gibt es Deutschland noch nicht. Paris überragt an Bedeutung Europa. Mit London im Wechsel führt man 1855, 1867, 1889 und 1900 die
Weltausstellung durch. Die spätere deutsche und jetzt nur preußische Hauptstadt Berlin erholt sich erst langsam von der Besetzung durch Napoleon bis 1813.
Nicht New York hat das höchste Gebäude der Welt, sondern Paris mit dem 325 Meter hohen Eiffelturm, gebaut zur Weltausstellung 1889. Erst das Empire State Building wird diesen ab 1931 überragen,
dann allerdings bei weitem. Schon vor 1850 hat Paris die Millionengrenze erreicht, New York, zu der Zeit Hauptstadt der USA, erst danach, allerdings wegen der vielen Einwanderer mit stärker steigender
Tendenz.
Nur London, Hauptstadt des britischen Weltreiches, hat mit 2,7 Mio. deutlich mehr Einwohner. Paris ist auf dem Festland dank Gasnetz eine der wenigen nachts hell leuchtenden Städte. Schon Lenoir
nutzt dieses für seinen 1860 erfundenen Verbrennungsmotor. Auf die deutschen Erfinder des Viertaktmotors und des Automobils in Serienfertigung wartet die Welt noch.
Im Gegensatz zu der prächtigen Stadt wächst Rudolf Diesel eher in bescheidenen Verhältnissen auf. Der Vater hat zwar Buchbinder gelernt, muss sich aber in Paris als Hersteller kleiner Lederwaren
verdingen. Die ganze Familie hilft in dem kleinen Betrieb mit. Rudolf lernt Paris und den stark unterschiedlichen Lebensstandard seiner Bewohner beim Ausliefern von Waren kennen.
1970 muss die Familie, Rudolf hat noch zwei Schwestern, vor dem deutsch-französischen Krieg zurückweichen. Man flieht nach London, muss aber wegen noch größeren Mangels alsbald den Sohn über
unsichere Pfade nach Augsburg zum Onkel schicken. Der ist Professor für Mathematik und verspricht einen weiteren Bildungsschub für den lernbegierigen Zwölfjährigen.
Nach Gewerbe- und Industrieschule besucht Diesel schließlich das Polytechnikum in München, das später zur Technischen Hochschule avanciert. Auch hier erweist er sich nicht nur als begabt, sondern auch als
fleißig, verdient zu seinem Stipendium durch Stunden geben noch etwas hinzu. Der Professor für theoretische Maschinenkunde Carl Linde kreuzt seinen Lebensweg und wird diesen fast vollständig begleiten.
Das Genie in Rudolf Diesel deutet sich spätestens bei seinem hervorragenden Examen an, das er wegen einer Typhus-Erkrankung verspätet und vor der versammelten Professorenschaft ablegt. Professor
Linde hat schon vor längerer Zeit eine Maschine erfunden, die auf der Basis eines Ammoniak-Kreislaufs Wärme entziehen kann. Sie erspart z.B. Brauereien den massenhaften Bezug von Eis zur Kühlung ihrer
Produkte.
Diesel, natürlich in Frankreich Muttersprachler und durch Training mit der Mutter des Englischen mächtig, baut für Linde eine Dependance in Paris auf. Diese Stellung erlaubt ihm die Rückkehr und Verbleib in seiner
Heimatstadt, wo auch seine Familie wieder wohnt, und schon bald ein sehr viel einträglicheres Leben als in seiner Jugend. Aber typisch für Rudolf Diesel scheint seine außergewöhnliche Betriebsamkeit
auch außerhalb seines Berufs zu sein.
Er nimmt umfangreiche Eigenstudien auf, begleitet von praktischen Versuchen. Man könnte es die Ammoniak-Zeit nennen. Er versucht, aus der Kälte- eine Wärmemaschine zu entwickeln, einen Motor,
der im Brennstoffverbrauch der damals üblichen Dampfmaschine und auch dem Ottomotor überlegen zu sein verspricht.
Carnot-Prozess

Auch der Dieselmotor wandelt Energie, die chemisch im Kraftstoff gebunden ist, in Bewegungsenergie um. Seit es vermehrt Elektroautos gibt, begreifen wir erst, wie wunderbar viele Diesel-Kilometer in
einem Tank stecken, bei manchen Kombinationen von Tank und Fahrer/in 1.000 km, und das auch noch bei relativ flotter Fahrweise. Natürlich findet nur der kleinere Teil der im Kraftstoff enthaltenen Energie
den Weg bis zu den Antriebsrädern.
Wärmeabfuhr ist der größte Feind einer effektiven Arbeitsweise des Motors. Am besten, man würde sie weder durch Strahlung, noch im Abgas, noch durch Kühlmittel abführen, aber das halten die zum
Bau des Motors verwendeten Materialien nicht aus. Nach dem Einspritzen kommt es zu Reaktionen, die wegen diverser im Kraftstoff enthaltener Kohlenwasserstoffe chemisch kaum nachvollziehbar sind.
Man kann das nur anhand den am häufigsten vorkommenden Molekülen und von denen bekannte Reaktionen tun.
Der 1824 von Sadi Carnot publizierte Kreisprozess hat es Rudolf Diesel schon im Studium angetan. Betonen muss man, dass es sich hierbei um ein Gedankenexperiment handelt, bei dem ein ideales Gas einem
reversiblen (umkehrbaren) Prozess unterworfen wird. Der dadurch mögliche Vergleich mit dem Kreisprozess in der Praxis soll dessen Wirkungsgrad verbessern helfen.
Wie theoretisch der Carnot-Prozess ist, zeigt die Tatsache, dass es sich jeweils um zwei gleiche Kurven handelt, die beiden gleicher Temperatur (1 und 3, isotherm) und die ohne Wärmeaustausch (2
und 4, isochor), was natürlich in der Praxis so nicht vorkommt. Auch gibt es keine vollständige Wärmeabdichtung und wegen möglicher Probleme mit der Haltbarkeit der Werkstoffe ist sie auch nicht
erwünscht. Schwierig auch, die Kompression bzw. Ausdehnung technisch so zu vollziehen, dass die Temperatur immer gleichbleibt.
Was Rudolf Diesel an dieser Arbeit von Carnot vermutlich fasziniert haben dürfte, ist die relative einfache Berechenbarkeit des Wirkungsgrades. Am Ende werden nur noch die Temperaturen bei
1 (T1) und bei 3 (T2) miteinander verglichen:

Durch diese sogenannte Carnot-Zahl lässt sich nicht nur der Wirkungsgrad theoretisch bestimmen, sondern man weiß auch, was zu tun ist, diesen zu erhöhen. So kann man entweder die T1
erhöhen und/oder T2 absenken, um damit die Fläche der geleisteten Arbeit bzw. den Wirkungsgrad zu verbessern. Allerdings wird die ausschließliche Betrachtung der Temperatur Rudolf Diesel
auf eine falsche Fährte führen. Doch dazu später mehr.
Übrigens hat Sadi Carnot diese Formel auch ausdrücklich für die Beurteilung von Kältemaschinen zugelassen. Für die Thermodynamik gibt es keine Unterscheidung von Kälte und Wärme. Sie sieht alles
als simple Temperaturänderung an und es vollzieht sich immer in dem Bereich oberhalb des absoluten Nullpunktes der Temperatur, -273°C oder 0 Kelvin.
Schwere Geburt
kfz-tech.de/PDM14
Aus dem bereits Gesagten ziehen Sie vielleicht den Schluss, dass der Dieselmotor eher aus der Theorie heraus entstanden ist. Mit Recht. Daimler und Maybach haben einen Motor gebaut, der angeblich
auch mit Selbstzündung funktioniert. So schwierig die Definition, sie haben mit dem Motor lange Prüfreihen durchlaufen, bis diesem alle Parameter gefielen und er sich bequemte, von selbst weiter zu
laufen.
Zwischendurch ist er immer wieder zurückgeschlagen, weil das Kraftstoff-Luft-Gemisch zu früh zündete. Es ist halt die Frage, ob man bei der Erwärmung auf Zündtemperatur auf ein Glührohr oder auf stark
erhitzte Luft zurückgreift. Aber so weit ist Rudolf Diesel in seiner Zeit in Paris noch lange nicht. Er träumt noch von einem Prozess ähnlich dem der Dampfmaschine oder vielleicht heute vergleichbar mit
einer Klimaanlage.
Denn der große Unterschied zwischen der Dampfmaschine und dem Verbrennungsmotor ist noch nicht einmal dessen lange Anheizphase, sondern die externe Verbrennung. Der Ort der Erwärmung ist
nicht der Ort, an dem der dadurch entstehende Druck in Bewegungsenergie umgewandelt wird. Erst der Verbrennungsmotor hat es geschafft, die beiden Orte zu einem zusammen zu fügen, obwohl beide
Motorarten schon über einen Kurbeltrieb verfügen.
Wie gesagt, Rudolf Diesel probiert noch mit dem Prinzip der Kältemaschine. An einer Stelle wird Ammoniak verdichtet und gibt dabei Wärme ab und an einer anderen dehnt es sich aus und nimmt eine
entsprechende Wärmemenge wieder auf. Und so ist es zumindest derzeit noch bei unseren Klimaanlagen im Auto.
Um sich sehr hohe Drücke und damit Verluste zu ersparen, nimmt man als Kältemittel Stoffe mit niedrigem Siedepunkt. Denn der Effekt des Wärmetransports ist um ein Vielfaches größer, wenn beim
Verdichten bzw. Expandieren jedes Mal der Siede- bzw. Taupunkt überschritten wird. Der ist heutzutage so niedrig, dass Kältemittel aus einer geöffneten Leitung als Gas entströmt. Ammoniak ist
ebenfalls ein Gas mit noch deutlich tieferem Siedepunkt. Auf seine schädlichen Aspekte gehen wir hier nicht weiter ein.
Während seiner gesamten Pariser Zeit als Direktor einer Eisfabrik und der Gründung einer Familie forscht Diesel nicht nur am Ammoniak-Kreislauf, sondern auch noch an der chemischen
Zusammensetzung möglicher Brennstoffe für seinen Motor. Nein, Steinkohlestaub scheint nicht seine erste Priorität gehabt zu haben, sondern eher Flüssigkeit z.B. auf der Basis von Petroleum.
So ungefähr mit der erzwungenen Übersiedlung seiner inzwischen auf fünf Köpfe angewachsenen Familie 1990 nach Berlin dreht sich sein Focus und er wendet sich der internen Verbrennung und der
reinen Luft als mögliches Treibmittel für hohe Temperaturen zu. Es soll schon öfter vorgekommen sein, dass jemand vor lauter Bäumen den Wald nicht gesehen hat. Seine Forderung nach einer hohen,
den Wirkungsgrad erhöhenden Verdichtung aber bleibt.
Er wendet sich also Ottos Viertaktmotor zu, aber unter einer vollkommen anderen Prämisse. Zunächst ist die Gefahr einer Selbstzündung während des Verdichtens gebannt, denn der dazu nötige Kraftstoff
fehlt. Der kommt erst in den Zylinder, wenn die Luft hoch genug erhitzt ist und damit eine Selbstzündung ohne weitere Hilfsmittel stattfinden kann.
Diesels Berücksichtigung des Wirkungsgrads geht sogar so weit, dass er von einer isothermen Zustandsänderung ausgeht. Der Kraftstoff soll also exakt so viel Wärme liefern, dass diese deren Absenkung
durch die Erweiterung des Volumens im Arbeitstakt ausgleicht. Hier bricht der Theoretiker in ihm durch. Erst sehr viel später, nämlich bei seinen Versuchen an der realen Maschine, wird er von dieser
Forderung Abschied nehmen müssen. Sie wird bis heute nicht erreicht.
Jedoch in seiner 1893 veröffentlichten Schrift 'Theorie und Konstruktion eines rationellen Wärmemotors zum Ersatz von Dampfmaschinen und der heute bekannten Verbrennungsmotoren' hält er an dem
Prinzip fest, ebenso in den Patentschriften. Hier werden Konkurrenten und Neider später viel Potenzial zur Anfechtung finden und Rudolf Diesel noch so manchen Kummer bereiten. Doch so weit sind wir
einstweilen noch nicht.
Wie es trotz der heftigen Kritik an seiner Schrift zu einer finanziellen Beteiligung von Krupp und einer praktischen von Maschinenfabrik Augsburg (vor der Fusion mit Nürnberg) kam, lassen wir
dahingestellt. Letztere Firma glaubte auch noch nach Bereitstellung einer Wirkungsstätte noch nicht, die von Diesel geforderten hohen Drücke technisch realisieren zu können, obwohl dieser seine
Ansprüche in Gesuchen an Generaldirektor Heinrich Buz schon zurückgenommen hat. Der scheint sich allerdings auf dem beschwerlichen Weg zum Dieselmotor als starke Stütze erwiesen zu haben.
Was für ein Unterschied zwischen Erwartung und Wirklichkeit. Diesel denkt, das fast drei Meter hohe Ungetüm in der abgetrennten Werkhalle relativ bald zum Leben erwecken zu können. Ja, der erste
Versuchsmotor fliegt nach der ersten Selbstzündung auseinander. Stark verändert gibt er ein beherrschbares Lebenszeichen von sich, ist aber von gleichmäßigem Laufen weit entfernt. Petroleum bzw.
Benzin direkt einzuspritzen, erweist sich also unmöglich, also wird es zusammen mit Luft eingeblasen.
Immerhin, nach unendlichen Niederlagen einem gefürchteten Abbruch der ganzen Aktion kann Mitte 1895 ein
Motor präsentiert werden, der alle möglichen Produkte des Rohöls und sogar dieses selbst akzeptiert und der davon auch noch die Hälfte verglichen mit dem Benzinmotor verbraucht. Zwei weitere, als einigermaßen
betriebssicher geltende Motoren entstehen bis 1896. Die Welt nimmt staunend Anteil.
Wir verlassen damit Rudolf Diesel und seinen Welterfolg. Für ihn bricht eine schwierige Zeit scheinbaren Reichtums, aber auch Krankheit und frühen Todes bzw. Selbstmords an. Sein Motor erlebt nach
weiteren Zeiten der Katastrophe eine Blütezeit, allerdings vor allem als große Einheit, z.B. in Kraftwerken, Schiffen und Eisenbahnen. Für den Einsatz im Kraftfahrzeug bedarf es erst noch weiterer
Patente.
Entwicklung 1
1921 MAN-Einzylinder, 16 kW (22 PS), ca. 5.000 kg
kfz-tech.de/PDM15
Wer glaubt, mit einer Erfindung und deren Verwirklichung sei das Glück dem Erfinder für alle Zeit hold und würde das Produkt seinen Weg machen, der muss hier leider enttäuscht werden. Es ist damals
wie heute. Je größer der Hype um etwas, desto schlagartiger die Enttäuschung. Man nimmt einfach nicht wahr, dass sich die Welt nicht schlagartig verändern lässt.
Beispiel gefällig? Da wird eine Fabrik eigens für den Bau von Dieselmotoren gegründet. Rudolf Diesel ist anfangs dagegen, muss mit ansehen, wie sich zwar erst die Leute um die Aktien reißen, diese aber
nach unglaublich schlechtem Management und vielen fehlerhaft ausgelieferten Maschinen rasch an Wert verlieren. Er selbst ist krank, versucht aber trotzdem, durch Kauf der Aktien deren Inhaber ein wenig
zu entschädigen.
Allerdings ist der Ruf des Dieselmotors deutlich geschädigt. Vermutlich würde es aber auch zu früh und trotzdem massenhaft eingeführte Elektromobilität ebenso treffen. Kaum Erfahrung bei den
Reparateuren, mangelhafte Ladestruktur und deren Abrechnung, was eigentlich nichts mit der Haltbarkeit des E-Motors und seiner Batterien zu tun hätte. Jedenfalls geht es dem Dieselmotor ähnlich.
Und dann die Häme derjenigen, die den Motor nicht erfunden haben. Noch schlimmer die der Konkurrenten. Nur gut, dass der Dieselmotor zunächst in geringen Stückzahlen für Stromerzeuger, Schiffe und
Eisenbahnen gebaut wird. Dennoch gibt es für Rudolf Diesel noch einen Rückschlag, weil nämlich der Wert seiner Erwerbungen an Unternehmen für die Produktion von Dieselmotoren und Ölquellen in
Galizien, die keinen Gewinn abwerfen, sinkt.
Wir verlassen damit Rudolf Diesel. Für ihn bricht eine schwierige Zeit scheinbaren Reichtums, aber auch Krankheit und frühen Todes bzw. Selbstmords an. Er wird den weltweiten Erfolg seines Motors noch
mitbekommen. Sein Tod bewahrt ihn aber vor der Kenntnisnahme des schlimmsten denkbaren Unglücks bei der Dieselmotor-Entwicklung.
1914, ein Jahr nach seinem Tod, steht die Welt am Abgrund. Es ist der Beginn des Ersten Weltkriegs und die Industrie ist längst auf Rüstungsproduktion umgestellt. Da erhält MAN den Auftrag einen
Schiffsmotor mit 12.000 PS zu entwickeln. Er soll trotz seiner Leistungsfähigkeit nur sechs Zylinder haben und deshalb doppeltwirkend sein, also die Kolben sowohl von oben als auch von unten mit
Verbrennungsdruck zu befeuern.
Dazu muss das Pleuel in einen oberen geraden und unteren, mit dem Kurbeltrieb mitschwenkenden Teil geteilt werden. Durch die 'Kreuzkopf'-Konstruktion kann unter dem Kolben eine Art Trennwand
eingezogen und Kompression bzw. Verbrennungsdruck erzeugt werden. Egal ob Zwei- oder Viertakter, die Leistung verdoppelt sich im Prinzip.
Man baut einen Versuchsmotor, immerhin schon mit drei Zylindern. Wegen des langen Pleuels ist der Motor besonders hoch. Vor allem ist die Kühlung der nunmehr von unten isolierten Kolben
problematisch. Es fehlt an allem. Zum Probelauf muss das gesamte im Werk verfügbare Wasser zu dem (Holz-) Prüfstand umgeleitet werden. Und dann passiert es, der Motor explodiert und die Halle fängt
Feuer.
Die Folgen sind enorm. Kein Mensch hat die ölverschmierten Overalls der Arbeiter bedacht, die im Nu Feuer fangen. Insgesamt sind 10 Tote zu beklagen. Immerhin gelingt es der Feuerwehr, einen
benachbarten Drucktank zu schützen. Aber der Ruf dieses Bauprinzips ist trotz Neuanfangs mit nur einem Zylinder dahin. Es wird irgendwann in den Dreißigern völlig aufgegeben.
Wir haben hier natürlich nicht so sehr die großen Dieselmotoren im Blick. Die wurden schon bald nach ihrer Ausgliederung erfolgreich im Augsburger Werk gebaut. Nur zögernd nähert sich das an
Auszehrung leidende Werk in Nürnberg dem Bau von Lastwagen. Nein, nicht was Sie vielleicht jetzt denken. Es war praktisch die Übernahme der Produktion der schweizerischen Sauer-Werke und deren
Produkte hatten allesamt Benzinmotoren.
Der Anschub kam wieder von der Heeresverwaltung und da die Schweizer auch über ein französisches Werk den Kriegsfeind Deutschlands belieferten, konnten sie in Deutschland nicht selbst tätig werden.
Natürlich garantierte das Militär die Abnahme, aber nach dem Krieg mit Inflation und zunehmender Arbeitslosigkeit nicht mehr. Eigentlich hätte hier der Dieselmotor Spareffekte erzielen können, aber der
Lkw-Bau litt vermutlich nicht nur bei MAN an bescheidenen Stückzahlen. Zu sehr beherrschte das damals modernste Reichsbahnnetz Europas das Transportwesen.
Trotzdem arbeitet man am Fahrzeug-Dieselmotor, der natürlich fast nichts mit den bisher gebauten gemeinsam hat. Nur Daimler arbeitet mit der gewohnten Lufteinblasung, gibt aber dieses Prinzip anlässlich
der Fusion mit Benz 1926 auf. Dort beginnt das von Prosper L'Orange entwickelte Vorkammerverfahren seinen Siegeszug. Und obwohl MAN sich schon damals mit der Direkteinspritzung beschäftigt, wird
der Nebenbrennraum beim Lkw bis in die sechziger und beim Pkw bis in das neunziger Jahr die Diesel-Welt beherrschen.
Nun darf man sich den ersten MAN Vierzylinder mit 7,3 kW (10 PS) bei 700/min nicht allzu romantisch vorstellen. Er und noch lange Zeit seine Nachfolgeprodukte erfüllten kaum die geringsten Standards,
sich in seiner Nähe aufhalten zu können. Selbst wenn er nicht rußte, so stank er doch bestialisch von seiner Kraftstoffverbrennung her. Die später als erste belieferten Brauereien konstatierten zwar nur ein
Drittel Verbrauch gegenüber dem Benziner, aber auch einen leicht veränderten Geschmack des ausgelieferten Bieres.
Zusätzlich muss man sich einmal das Leistungsgewicht vor Augen führen, denn es handelte sich von Anfang um mindestens 4 Tonnen zulässiges Gesamtgewicht. Immerhin entwickelte sich der Lkw-Diesel
im Fünftonner hin zu 40 kW (55 PS) 1925. Erstaunlich sind hingegen die Laufleistungen der Dieselmotoren. Von einem sind immerhin 600.000 km freilich über eine sehr lange Zeit bekannt.
Und so konkurrierten Jahre lang die MAN-Direkteinspritzer, später mit ihrem legendären Mittenkugel-Verfahren, mit der Daimler-Benz'schen Vorkammer. Und obwohl inzwischen bei schweren Lastwagen
mehr das Drehmoment in den Fokus kam, wurde bei MAN schon 1927 der erste Zehntonner mit 150-PS-Benzinmotor aus der Taufe gehoben. Der Diesel mit entsprechender Leistung kam erst fünf Jahre
später.
Man kann sagen, dass ab 1933 bei MAN besonders auch die Busse fast nur noch mit Dieselmotoren ausgerüstet waren. Aber angesichts der im Lkw-Bereich erzielbaren geringen Stückzahlen war die
Präsenz des Dieselmotors bis zum Zweiten Weltkrieg im öffentlichen Straßenverkehr doch eher ernüchternd.
Entwicklung 2
kfz-tech.de/PDM1
Wir beginnen in diesem Kapitel, noch einmal nach einem weiteren möglichen Motiv für den Tod von Rudolf Diesel zu fahnden. Letzteres ist das richtige Wort, denn so ganz klar ist es nicht, dass es Selbstmord
war. Allein das Datum lässt aufhorchen. Dieser Tod fällt schon fast in die Endphase der Vorbereitung des Ersten Weltkriegs. Und welche Technik spielt auch hier schon eine zunehmend bedeutende Rolle?
Ja, es sind die U-Boote, die sehr rasch ihrem Prototypen-Dasein entwachsen. Jetzt überlegen Sie einmal, was dafür der geeignete Antrieb war. Aber zum Leidwesen der Admiralität war Rudolf Diesel Pazifist.
Jetzt gibt es zwei Möglichkeiten: Entweder hat er sich selbst umgebracht wegen dem Druck, unter dem er stand, oder er wurde es, weil dann der Weg frei war.
Letzteres hat sich in jedem Fall bewahrheitet. Dieselmotoren haben über die Jahre bzw. Jahrzehnte auch bis zum Zweiten Weltkrieg enorm an Reichweite hinzugewonnen. Man spricht von bis 11.000 Meilen,
und da wohl Seemeilen gemeint sind, knapp 20.000 km. Das wäre dreieinhalb Mal über den Atlantik. Jetzt werden Sie verstehen, warum deutsche U-Boote bis fast an die Südspitze von Südamerika gelangten.
Die nächste Eroberung des Dieselmotors interessiert uns noch mehr. Sie ist verbunden mit der Erfindung der Wirbelkammer 1931 durch Harry Ricardo. Dabei wird die bis dato verwendete Vorkammer ziemlich
verändert. Durch die damals noch häufigen seitengesteuerten Motoren kann sie kugelrund sein und etwas aus der Mitte des Zylinders verschoben werden.
Der Verbindungskanal zwischen ihr und dem Hauptbrennraum ist einteilig, wesentlich größer und mündet tangential in die Kammer, wodurch ein enormer Drall entsteht. Die Luft und der eingespritzte Kraftstoff
verwirbeln miteinander und die Verbrennung verläuft sparsamer. Versuchsweise wird der neue Motor in eine Citroën Rosalie eingebaut, bei der man gerade die sehr flexible Motoraufhängung (Stichwort:
Schwebender Motor) eingeführt hat.
Ricardos Firma existiert noch heute unter 'ricardo.com'. Leider führte zum Zeitpunkt unserer Recherche ausgerechnet der Mausklick auf 'Our history' zu keinem Ergebnis. Die Motoren der Firma waren damals
besser in Schuss. Es hat zwar keinen Serieneinsatz bei Citroën gegeben, wohl aber massenhaft in Londoner Doppeldeckern, wo man von der größeren Ökonomie der Motoren gegenüber früheren Benzinern
wohl stark profitierte. Natürlich folgten auch hier bald die Taxen dem Vorbild.
Nein, fast alle Pkw nach dem Zweiten Weltkrieg waren Benziner, in Deutschland Diesel von Mercedes und später Peugeot noch äußerst selten. Bei den Lkws und Baumaschinen war man da schon weiter,
wurden die doch zum Wiederaufbau dringender gebraucht. Das galt natürlich umso mehr für die Landwirtschaft, die den Hunger nach dem Krieg in den Griff zu kriegen hatte.
Die Phase nach dem Ersatz der Pferde führte doch relativ rasch zum Dieselmotor. Europa war noch gekennzeichnet von durchschnittlich eher kleineren Betrieben, bei denen auch ein Traktor
entsprechend klein und kostengünstig sein musste. Insgesamt war der Dieselmotor in der Landwirtschaft ein Segen, musste er doch weder eine Stunde zuvor angeheizt, noch war er so unwirtschaftlich und
drehmomentschwach wie ein Benziner.
Noch eher wurden Dampfmaschinen für die Bearbeitung eingesetzt wie z.B. als Dreschmaschinen. Die wurden z.T. noch von Pferden gezogen. Doch damit war mit der flächendeckenden Einführung des
Dieselmotors in der Landwirtschaft Schluss. Heute sind dort z.T. die größten Straßenfahrzeuge zu finden und ist auf den Feldern schon längst das Autonome Fahren fast Standard.
Und dann ist da noch die Revolution hin zum Direkteinspritzer, etwa in den Sechzigern beim Lkw begonnen. Wie schwierig insgesamt die jeweiligen Verkleinerungen beim Dieselmotor waren, zeigt die
Zeitspanne von ca. 30 Jahren, die man gebraucht hat, um das System auch auf den Pkw zu übertragen. Und weil der Motorlauf anfangs noch relativ rau war, hat man mit Fahrzeugen wie dem Ford Transit und
dem Land Rover begonnen.
Und wenn wir jetzt noch den Turbolader, womöglich mit verstellbarer Turbinengeometrie hinzunehmen, sind wir in der Jetztzeit angekommen, mit Motoren in einem bis dato nicht für möglich gehaltenen
Leistungsspektrum. Das gegenüber dem Benziner größere Drehmoment ist ihm treu geblieben und wenn er jetzt auch noch mit einem nicht zu schwachen E-Motor kombiniert wird, verliert er vielleicht auch
noch sein Turboloch.
kfz-tech.de/YDM1
kfz-tech.de/YDM2
kfz-tech.de/YDM3
Robert Bosch

Robert Bosch ist hauptsächlich in die Automobilgeschichte eingegangen im Zusammenhang mit der elektrischen Zündung. Als er sich dem Dieselmotor zuwendet, hat seine Firma schon ein gewaltiges
Wachstum hinter sich. Hinzu kommt der Gewinn an Reputation, gerade auch in USA. Dort wird er mit der Anpassung des Dieselmotors an das Kraftfahrzeug wohl weniger Ruhm ernten.
Er hat den Dieselmotor schon in seinem Versuchsstadium kennengelernt. Rudolf Diesel rief nach ihm in höchster Not. Aber was sollte der Hersteller der Hochspannungs-Magnetzündung an einem Motor,
der ohne eine elektrische Zündung konzipiert war? Doch was hat Bosch dazu veranlasst, sich schließlich doch dem Dieselmotor zu widmen? Es ist vielleicht auch die ungünstige Situation nach dem Ersten
Weltkrieg, die Bosch nach neuen Wegen suchen lässt.
Nein, die Elektrik hat Robert Bosch nicht von der Pike auf gelernt, die gab es wohl zu seiner Lehrzeit so noch nicht. Immerhin ist er 1861 im ländlichen Schwaben geboren. Zudem hat er die Elektrik mit
seinem Unternehmen geprägt, nicht nur die fürs Automobil. Nein, er lernt Feinmechanik, was ihn immerhin für die Fähigkeiten zum Bau hochgenau gefertigter Einspritzanlagen prädestiniert. Mehr als die
reine Lehrzeit ist es wohl eine Art Wanderschaft, damals noch durchaus üblich, die ihn weiterbringt.
Dabei sind ihm die Grenzen des erst seit 1871 existierenden Deutschlands wohl zu eng. Er besucht Großbritannien, lernt in USA sogar Thomas Alva Edison kennen. Mit 25 Jahren ist er wieder zu Hause,
heiratet und gründet seine Firma. Von der späteren (Teil-) Spezialisierung auf Kfz-Technik ist er 1886 natürlich weit entfernt. Gerade werden die beiden ersten Automobile überhaupt, das Benz Dreirad und
die Motorkutsche von Daimler und Maybach vorgestellt.
Robert Bosch muss sich mit elektrischen Hausinstallationen und Reparaturen an kleineren mechanischen und elektrischen Teilen begnügen. Er wird später eher durch die in diesem Sektor auftretenden
Probleme hineingezogen. Entsprechend seinem bisherigen Focus baut sein Betrieb die erste elektrische Zündung dann auch zunächst für Stationärmotoren. Es ist die enorme Brandgefahr, die wohl
hauptsächlich die Neuausrüstung und den vielfach getätigten Umbau der Daimler'schen Glührohrzündung zu einer elektrischen Zündung lohnend werden lässt.
Die Magnetzündung kommt ohne Batterie aus. Bei Bosch baut man eine der ersten 1897 in ein Dreirad mit Heckmotor. Es sind die Mitarbeiter Arnold Zähringer und Gottlob Honold, die nacheinander die
Nieder- und die Hochspannungszündung entwickeln. Oft sind konkurrierende Rennteilnehmer auf den ersten Plätzen mit Bosch-Zündanlagen ausgestattet. Der Ruf eilt ab 1906 bis in die hintersten Winkel
von Amerika voraus.
Ab 1913 liefert Bosch auch komplette elektrische Ausrüstungen für Fahrzeuge. Darunter findet der Spannungsregler besondere Beachtung, eine endgültige Lösung des Problems der Spannungsregelung
erfolgt aber erst viel später. Der Erste Weltkrieg hat für das Unternehmen eine besonders große Bedeutung als ohnehin, denn schon 1913 macht man 88 Prozent seines Umsatzes außerhalb Deutschlands,
was mit dem Verlust des Krieges bedeutet, wieder fast bei null beginnen zu müssen.
Hinzu kommt die vermehrte Inanspruchnahme der Produktion durch das Deutsche Reich, auch schon vor dem Krieg, insgesamt eine Verdoppelung in Stuttgart und eine Verdreifachung der Belegschaft in
Feuerbach. Und das bei andauerndem Abzug von qualifizierten Arbeitskräften. Nach dem Ersten Weltkrieg ist da eine riesige Fabrik, die nach Beschäftigung sucht.
Das im/am Krieg verdiente Geld treibt Robert Bosch so um, dass er es sämtlich spendet. Es müssen weit mehr als 20 Millionen Mark gewesen sein, was heute eine unvorstellbare Summe wäre. Nicht
ganz konform geht er mit der Umwandlung seiner Firma zu einer Aktiengesellschaft. Jetzt muss man nur zur Hungernot nach dem Krieg noch eine immer stärkere Inflation und die in Versailler Vertrag
festgelegten Reparationen addieren, dann sind die politischen Rahmenbedingungen einigermaßen beschrieben, die sich natürlich im chaotischen Tagesgeschehen der Weimarer Republik niederschlugen.
Der Krieg ist wohl wirklich der Auslöser vieler Dinge. Wer sich mit Landfahrzeugen beschäftigte, musste einsehen, dass bei größeren Lasten der Dieselmotor der Dampfmaschine haushoch überlegen war.
Immerhin waren Schiffe schon damit ausgerüstet und man konnte den Unterschied zwischen dem Betanken mit Ölprodukten und dem mühseligen Bekohlen eines Dampfschiffes leicht erkennen, zumal
auch noch im Prinzip viel weniger Brennstoff nötig war.
Doch obwohl Rudolf Diesel schon davon geträumt hat, war an den Einbau eines Dieselmotors etwa in einen Pkw noch gar nicht zu denken. Die Zeit der Erfindung der Magnetzündung und die vielleicht noch
viel schwierigeren Arbeiten zum Spannungsregler in den zwanziger Jahren zeigen, dass ein Hersteller nicht alles machen kann. Da beginnt die große Stunde der Zulieferer, weil die Erfindungen so viel
Energie und Durchhaltevermögen brauchen und nachher alle davon profitieren können.
Übrigens, der auch für die spätere Betreuung von Einspritzanlagen so bedeutsame erste Bosch-Dienst entsteht 1921, eine Art Franchise-System, selbstständige Werkstätten, die an Bosch-Produkte und
Reparaturmethoden gebunden werden. Es soll dann die Jahreswende 1922/23 gewesen sein, als man begann, sich mit der Entwicklung einer Einspritzpumpe und -düse zu befassen. Wohlgemerkt, erst ab
1927 war deren serienmäßige Lieferung möglich, ein Jahr später die Tausendste. So hat man fast die gleiche Zeit gebraucht wie Diesel für die Realisierung des dazu passenden Motors.
Arbeitsprinzip

Lange Zeit sind die Bedingungen zur Gemischbildung bei Diesel- und Benzinmotor höchst unterschiedlich. Letzterer mischt bei Vergasern oder Saugrohreinspritzung seinen Kraftstoff 'gemütlich' der Luft bei
und verbessert diese Mischung auf dem Weg zum Motorzylinder und auch noch danach, bis es dann nach Schließen des/der Einlassventils/e zur Verdichtung und Zündung kommt. Dieselkraftstoff kommt
erst viel später zu Beginn des Arbeitstakts und verbrennt sofort.
Das funktioniert nicht immer, z.B. im Kaltstart. Da kommt es zu einem Zündverzug, der sich durch das bekannte 'Nageln' bemerkbar macht. Nächtens gestartete Diesel-Fahrzeuge konnten für Nachbarn ein
Ärgernis darstellen. Inzwischen ist das durch bis zu 3 Minuten dauerndes, elektrisches Nachglühen erheblich abgemildert. Eine Abdeckung unserer Motoren nach oben hin, die fast vollkommene Kapselung
nach unten und wesentlich Geräusch dämmendere Triebwerksaufhängungen tun ein Übriges.
Trotz des Lärms, den ältere Diesel und manche neuere noch machen können, sie leiden nicht so stark unter einem Kaltstart wie der Benziner. Man hat oft die enorme Präsenz des Diesels bei den Taxi-
Unternehmen ausschließlich auf dessen günstigen Verbrauch zurückgeführt, aber auch der geringe Verschleiß bei den vielen ungünstigen Starts nach Wartezeiten spielte eine Rolle.
Wie oben schon erwähnt, neigt der Benziner, heutzutage etwas weniger, zum 'Fluten' seines Verbrennungsraumes durch ein fettes Gemisch, das er zum Anspringen braucht. Dabei entsteht überschüssiger
Kraftstoff, der sich an den Zylinderwänden absetzt, dort das Öl ablöst und mit in das Kurbelgehäuse spült. Anstieg des Ölspiegels und damit Ölverdünnung kommen bei häufig kalt gestarteten
Benzinmotoren durchaus vor.
Da hilft die Freude über mehr Öl gar nicht, es ist spätestens am Ende des Winters ein Ölwechsel fällig, auch wenn die Kilometer für den regulären Wartungsdienst noch lange nicht erreicht sind. Beim Diesel kommt
das so nicht vor, weil, wie gesagt, der Kraftstoff entweder verbrennt oder Ruß bildet, der als sogenannte Rohemission entweicht. Außerdem wäre Dieselkraftstoff als Ersatzschmiermittel wesentlich besser geeignet
als Benzin, das früher z.B. zum Reinigen von ölbenetzten Teilen benutzt wurde.
Seit auch der Benzinmotor in seiner erdrückenden Mehrheit direkt in den Brennraum einspritzt und sich die Verdichtungsverhältnisse deutlich annähern, scheint sich der Unterschied zwischen dem Benzin-
und Diesel-Prinzip zu verflüchtigen. Doch halt, bis zum endgültigen Beweis des Gegenteils bleibt die elektrische Anlage zur Bildung von Zündfunken ein Merkmal des Benziners. Und sollte der jemals in der
Serie den Übergang in die Selbstzündung bei abgeschalteter Zündanlage schaffen, dann läuft er eben in dieser Zeit nach dem Diesel-Prinzip.
Der partiell von bestimmten Herstellern (z.B. Mazda) angestrebten Zusammenführung der Verdichtungsverhältnisse sagen wir bei 14:1 unterliegen übrigens höchst unterschiedlichen Beweggründe. Da trifft
ein stark aufgeladener Dieselmotor auf einen Saug-Benziner. Denn wäre der auch aufgeladen, dann müsste dessen Verdichtung sich eher deutlich nach unten als nach oben bewegen. So aber sind die 14:1 nur ein
geometrischer Wert, der z.B. durch Verstellung der Steuerzeiten in klopfgefährdeten Betriebsbereichen zurückgenommen werden kann.
Neu sind solche verstellbaren Nockenwellen auch beim Dieselmotor, aber bisher nur für die Auslassseite bekannt, vermutlich zur Erzielung besserer Abgaswerte. Dieser Kampf ist typisch für den
Dieselmotor, während der Benziner schon immer um günstigere Verbrauchswerte ringt. Beide sind eigentlich schon weit vorangekommen, die Errungenschaften dürfen nur nicht beim Verbrauch durch SUVs
und bei der Abgasentgiftung durch Tricksereien außer Kraft gesetzt werden.
Diesel

Besichtigt man den Glasanbau der ehemaligen Villa in Bad Cannstatt bei Stuttgart, die ehemalige Wirkungsstätte von Daimler und Maybach, stößt man in der Ecke auf einen Behälter mit der Aufschrift
'Petroleum'. Nun ist Petroleum eher als (Kraft-) Stoff für Diesel- als für Benzinmotoren bekannt. Noch der ab 1961 gebaute 190D erlaubte wahlweise die Verwendung von diesem Kraftstoff. Kann es sein,
dass die beiden knapp 15 Jahre vor Rudolf Diesel an einem solchen Motor arbeiteten?
Besichtigt man den Glasanbau in Bad Cannstatt bei Stuttgart, die ehemalige Wirkungsstätte von Daimler und Maybach, stößt man in der Ecke auf einen Behälter mit der Aufschrift 'Petroleum'. Nun ist
Petroleum eher als (Kraft-) Stoff für Diesel- als für Benzinmotoren bekannt. Diesels Versuchsmotoren liefen damit und noch der ab 1961 gebaute Mercedes 190D erlaubte wahlweise die Verwendung von
diesem Kraftstoff. Kann es sein, dass die beiden knapp 15 Jahre vor Rudolf Diesel an einem solchen Motor arbeiteten?
Auch war der Kraftstoff schon der Ansaugluft beigegeben und wurde nicht extra eingespritzt bzw. zusammen mit Luft zum Zündzeitpunkt eingeblasen. Der Dieselmotor hat also einen genau festlegbaren,
genau wie der spätere Benzinmotor. Bei ihm ist fällt er mit dem Einspritzzeitpunkt zusammen, während beim Benziner die elektrische Zündung den Prozess in Gang setzt. Und genau die hatte der erste
Motor mit Glührohrzündung noch nicht.
Damit haben wir die beiden charakteristischen Merkmale des Dieselmotors beisammen. Er verdichtet hoch, spritzt zum Zündzeitpunkt ein und zündet selbst. Da der Benziner inzwischen auch direkt in
den Brennraum einspritzt, bleibt allerdings für den Dieselmotor nur noch die fehlende elektrische Zündung. Es gibt sogar schon (Versuchs-) Motoren, die während der Fahrt auf Selbstzündung ohne
elektrische Hilfen umschalten und damit zeitweise 'dieseln'.
Das war früher übrigens ein Schimpfwort für den Benziner. Wenn der z.B. (nach-) dieselte, dann lief der noch mehr oder weniger unruhig, obwohl er schon längst ausgeschaltet war. So konnte z.B.
glimmende Ölkohle immer wieder neue Zündungen auslösen. Hielt sich das dran, so musste der Motor tatsächlich gewaltsam abgewürgt werden. Aus der Zeit stammt die Abschaltung der Kraftstoffzufuhr
im Vergaser per Magnetventil.
| Flüssiggas | unter 30°C |
| (Spezial-) Leichtbenzin | 30 - 100°C |
| (Auto-) Schwerbenzin | 100 - 150°C |
| Kerosin, Petroleum | 150 - 250°C |
| Diesel, leichtes Heizöl | 250 - 300°C |
| Schweröl, schweres Heizöl, Bitumen | über 300°C |
Hier haben Sie die unterschiedlichen Ebenen, aus denen beide Stoffe aus dem Destillationsturm herauskommen, mit entsprechend unterschiedlichen Temperaturen.

Verfahren

kfz-tech.de/PDM16
Es ist absolut berechtigt, dass die Verfahren der Direkteinspritzung 'M' und 'HM' ('Hochleistungs-Mittenkugel) von den Technikern der Zeit hoch gelobt wurden, aber die marktbeherrschende
Stellung hatte eindeutig die Vorkammer, stellvertretend für die indirekte Einspritzung. Warum, wenn sie doch in Sachen Verbrauch und Leistungsfähigkeit hier nicht punkten kann?
Wir haben schon erwähnt, welch ein sich ungebührlich benehmendes Kind der Dieselmotor jener Zeit ist, laut und ungebildet. Das kommt von seiner Selbstzündung, bei der wegen der hohen Temperaturen
der Kraftstoff schon beim Einspritzen an den Rändern oft zu brennen beginnt. Voraussetzung ist allerdings eine sehr fein zerstäubende Düse oder eine Vorrichtung, die den Kraftstoff schichtweise
abbrennen lässt.
Ersteres haben wir heute bei Common Rail, wo selbst noch Regentropfen hoch aufgelöst werden. Ist das nicht der Fall, wird also die Verbrennung für einen Moment verzögert, weil der Sauerstoff nicht
schnell genug an alle Teile des Konzentrats gelangt, dann ist das Ergebnis der sogenannte Zündverzug. Bestes Beispiel dafür: das Nageln des Dieselmotors nach Kaltstart, früher wesentlich drastischer als
heute.
kfz-tech.de/PDM17
Was also tun? Man schafft den Nebenbrennraum und fängt dort die erste Wucht der Verbrennung ab. Der Druck gelangt dann über Bohrungen in den Hauptbrennraum. Man darf nicht vergessen, dass
Daimler-Benz schon früh auch den Pkw als Objekt der Begierde für den Dieselmotor auserkoren hat. Und immerhin hat der es nicht nur dort bis in die Coupés und Cabrios geschafft.
1936 Mercedes 260 D, 33 kW (45 PS) bei 3000/min
kfz-tech.de/PDM18
Davon war allerdings der erste Motor von 1936 noch meilenweit entfernt. Ein Raubein, das man nur dem Taxigewerbe zumuten konnte, wegen dem geringeren Verschleiß bei Kaltstart und dem günstigeren
Verbrauch. Bei einer solchen Zielsetzung eines Dieselmotors für die Luxusklasse muss man zwangsläufig mit der Vorkammer liebäugeln, auch wenn dieses Verfahren einer raschen Verbrennung und damit
der Leistungsfreude im Wege steht.

Oel Motor 138 2.545 cm3 (90 mm * 100 mm), 20 : 1, R4, OHV, 33 kW (45 PS) 3000/min, 4-Gang, 1./2. unsynchronisiert, ca. 95 km/h, 1936-40, ca. 2.000.
kfz-tech.de/PDM19
Besser kann das die Wirbelkammer, vor allem ab 1976 von VW entdeckt. Hier kommt schon, wie bei der Direkteinspritzung in noch stärkerem Maß, die Verwirbelung ins Spiel. Während des
Verdichtungstakts gelangt Luft in die Kammer. Da der Verbindungskanal vom Hauptbrennraum tangential mündet, wird diese in eine Drehbewegung versetzt, was die Bezeichnung 'Wirbelkammer'
rechtfertigt.

Hier münden auch die Einspritzdüse und der Glühstift, damals noch Glühkerze genannt. Die Düse hat diese Bezeichnung immer schon gehabt, obwohl es strenggenommen ein druckgesteuertes Ventil ist.
Wichtig ist der Unterschied zu der Düse des Direkteinspritzers, denn es ist eine Zapfendüse, genauer gesagt, eine Drosselzapfendüse. Es ist ein den Raum der Wirbelkammer ausfüllender Strahl, allerdings
mit dem Versuch, diesen über die Zeit des Einspritzens einigermaßen gleichmäßig zu verteilen.

Unten sehen Sie dann die Lochdüse des Direkteinspritzers. Hier reicht die Düsennadel nicht bis nach draußen, sondern endet in einem kleinen Fortsatz der Düse, der feinste Sacklöcher von vielleicht 0,1
bis 0,2 mm Durchmesser enthält. Auch ist der Düsenöffnungsdruck mit ca. 175 bar zu ca. 130 bar bei der Zapfendüse höher. Bei der Lochdüse entsteht also ein scharfer Strahl, der die Wandung eines
mehr oder weniger abgegrenzten Raumes im Kolben trifft und dort möglichst schichtweise abbrennt.

Im Bild unten ist natürlich kein Kolben von den hier besprochenen Fahrzeugen zu sehen, sondern aus einer kleineren Diesellok. Aber eines zeigt das Bild sehr deutlich, nämlich die Wirkung von Lochdüsen,
in diesem Fall mit sechs Spritzdüsen.

kfz-tech.de/PDM20
Womit wir wieder beim M-Verfahren wären. Es geht auf Siegfried Meurer zurück und basiert auf der von ihm erfundenen Kugel mitten im Kolben, nach oben offen. Ein- oder Zweilochdüsen spritzen hier tangential auf
deren Wandung, wodurch in Verbindung mit viel Luftbewegung der Kraftstoff schichtweise verbrennt.

Pkw-Dieselmotor
Smart-Dieselmotor
kfz-tech.de/PDM21
Eigentlich ein Unding, dass ausgerechnet nach beinahe ungebrochenem Erfolg von SUVs der Dieselmotor im Verkauf deutlich zu schwächeln beginnt. Dabei wären wir doch gerade bei dieser Fahrzeugart auf
geringen Spritkonsum dringend angewiesen. Zum Glück scheint sich das Interesse leicht hin zu den kleineren SUVs und dann auch oft 'nur' mit Zweiradantrieb zu verlagern.
Aber ein Trend ist klar erkennbar: Der CO2-Ausstoß steigt nach Jahren der erfolgreichen Bekämpfung wieder an. Dabei sind wir im Moment für die rein elektrische Mobilität noch gar nicht gerüstet.
Man könnte sie gar nicht mit regenerativem Strom füllen, die vielen Fahrzeuge, deren Motoren den Verbrenner ersetzen würden. Und ein Benzin-Hybrid ist, gewiss auf der Fernstrecke, nur auf dem Papier
sparsam.
Dabei hatte er es fast geschafft. Die von Amerika erzwungene Gleichstellung bei den Stickoxiden mit dem Benziner hätte ihn noch für eine gewisse Zeit an der Spitze der Umweltbewegung gehalten, wären da
nicht Tricksereien, die nicht bloß auf VW gerichtet uns wohl noch längere Zeit in Atem halten. Aber schnell mit hohem Verlust verkaufen? Da freut sich der/die neue Besitzer/in, also tun Sie etwas für das
Ausland. Aber stillgelegt wird so ein Auto ganz gewiss nicht.
Wenn Sie mich fragen, ich bin noch nie gerne mit dem Auto in die Stadt gefahren, in fremde ohnehin nicht. Es ist so schade um das Prinzip, weil im Grunde alles auch für das Erreichen der Abgasnorm 6d
(ohne Temp) vorhanden ist. Klar, so besonders günstig ist das nicht, aber welches umweltfreundliche Prinzip ist schon kostengünstig. Vergleichen Sie ein Erdgasfahrzeug mit einem Benziner wegen des
Kaufpreises und mit einem Diesel wegen des Verbrauchs!
Einspritzanlage des Smart-Dieselmotors
kfz-tech.de/PDM22
Wie hat das eigentlich angefangen mit dem Dieselmotor? Man musste kein besonderer Pessimist sind, um Anfang der 30er Jahre der Möglichkeit erfolgreicher Konstruktion eines Dieselmotors für Pkw mit dem
Daumen nach unten zu begegnen. Dabei sind die Zeiten nach der Weltwirtschaftskrise dafür wie geschaffen. So schrumpft auch der Vertrieb von edlen Mercedes-Fahrzeugen deutlich.
Als Taxen dienen benzinbetriebene, enge 170er. Der Sprit kostet damals knapp 40 Pfennig, Diesel nur knapp 30. Vermutlich ist sogar für Taxen eine Vergünstigung auf knapp 20 Pfennig möglich. Und dann der
geringere Verbrauch von damals bis zu 60 Prozent eines Benziners. Allerdings ist das Netz an Diesel-Tankgelegenheiten äußerst dürftig, jedoch für Taxen wiederum nicht so entscheidend.
Allerdings hat man bisher nur Großes für diesen noch ungewöhnlichen Brennstoff gebaut. Schiffe, Eisenbahnen und auch schon (vereinzelt, aber nicht flächendeckend) Lastwagen lassen sich einigermaßen
problemlos betreiben. Das Problem sind die unglaublich geringen Fördermengen, die auch noch auf den allerdings kleineren Drehzahlbereich bis etwas 3000/min sauber aufgeteilt werden müssen.
Also nimmt man möglichst große Einzelzylinder, möchte aber einen nicht zu großen Motor haben. Das Ergebnis ist bei Daimler-Benz ein erster Dreizylinder mit 1,8 Liter Hubraum. Man könnte diesen Motor
auch als das Fiasko Nr. 1 bezeichnen, denn zu dem unruhigen Lauf eines Dreizylinders kommt die noch viel größere Unruhe des Einspritzverfahrens hinzu. Auch hinten eingebaut wird das Schütteln nicht
geringer.
Es folgt Fiasko Nr. 2 mit sogar 26 kW (35 PS) statt 22 kW (30 PS), trotz vier Zylinder immer noch inakzeptabel. Das daraus entstehende kleinere Fiasko Nr. 3 mit 29 kW (40 PS) und 1,9 Liter Hubraum wird
sogar in Versuchsträger eingebaut, kann aber ebenfalls nicht überzeugen. Den nun folgenden Weg hat es auch später noch gegeben, nämlich einen Diesel- aus einem Benzinmotor heraus zu entwickeln.
Da man aber hier einen Sechszylinder nimmt, entsteht so etwas wie Fiasko Nr. 4. Und erst, als man diesen um zwei Zylinder amputiert, ist endlich, naja, Ruhe kann man das nicht nennen. In der riesigen
Karosserie des 260 D agiert der Motor gerade so friedlich, dass Taxifahrer seine Vorteile höher als die Nachteile einschätzen, Privatpersonen jedoch nicht.
Sehr geholfen haben in dem Prozess andere Motorlagerung und eine feiner zumessende Einspritzpumpe von Bosch. Übrigens, viel schmächtiger ist der erste Diesel-Pkw von Hanomag, der ebenfalls auf der
Berliner IAA zu sehen ist. Warum der Mercedes dennoch als erster Pkw mit Dieselmotor gilt, liegt daran, dass Hanomag die nächsten zwei Jahre nicht liefern kann.
Hanomag Rekord Diesel 1.910 cm
3 (80 mm * 95 mm), 20 : 1, R4, OHV, 26 kW (35 PS) 3000/min, 4-Gang, 1./2. unsynchronisiert, ca. 90 km/h, 1938-40, ca. 1.000.
Denn obwohl man mehr Erfahrung mit kleineren Dieselmotoren hat, z.B. bei Antrieben für die Landwirtschaft, reißt hier mangelnde Haltbarkeit das Zeitfenster für einen 1,7 Liter und 23,5 kW (32 PS)
auseinander. Nun darf man allerdings der Firma auch besondere Ansprüche an die Haltbarkeit unterstellen. Der ab 1938 in den Hanomag Rekord eingebaute Dieselmotor verfügte sogar über nasse Laufbuchsen
und, wie bei Mercedes, eine fünffach gelagerte Kurbelwelle.
Und um das Vermögen des neuen Dieselmotors zu betonen, ist man gleich im ersten Jahr an Rekordfahrten auf der neuen, noch nicht allgemein freigegebenen Autobahn bei Dessau zusammen mit Mercedes
und Caracciola (Video unten) beteiligt. Allerdings liegt dessen Geschwindigkeitsbereich mit ca. 400 km/h in weiter Ferne. Immerhin lautet aber einer der vier Diesel-Weltrekorde auf ganz knapp 160 km/h mit
fliegendem Start.
Sie haben es vielleicht schon bemerkt: Obwohl beide Motoren nach dem Vorkammer-Prinzip arbeiten, ist beim Hanomag von besonders ungebührlichen Verhalten nicht die Rede. Man könnte sich von der
relativen Laufruhe des Motors auch heute noch überzeugen, denn in 12-jähriger Arbeit ist es einem Team (Video unten) gelungen, unter Mitwirkung von Sponsorgeldern gelungen, den 1940 zerstörten
Rekordwagen neu aufzubauen.
Leider hat Hanomag einen möglichen Verkaufserfolg des neuen Dieselmotors, von dem es sogar einen Sechszylinder als Prototyp gegeben haben soll, nicht mehr auskosten können, denn mit dem Ausbruch
des Zweiten Weltkriegs war an Pkw-Verkauf an Privatpersonen nicht mehr zu denken. Sollten Sie aber demnächst jemand auf Dieselmotoren schimpfen hören, weisen Sie bitte darauf hin, wie unglaublich
schwierig seine Geburt im Pkw war.
kfz-tech.de/YDM4
kfz-tech.de/YDM5
Lkw-Dieselmotor

kfz-tech.de/PDM23
Der Motor des Lkw ist der Klassiker unter den Fahrzeug-Dieselmotoren. Erst daraus wurde dann der für den Pkw entwickelt. Taucht die Frage auf, was denn eigentlich den Lkw- vom Pkw-Dieselmotor
unterscheidet. Heute eher weniger, früher deutlich mehr, wie das Bild oben zeigt. Der Unterschied in der Schwere der Bauart ist natürlich geblieben.

Jetzt schauen sie sich nur einmal das Pleuel für einen MAN-Motor an. Sie können zwar dessen Größe so nicht recht einschätzen, aber schon den Unterschied zu einem vergleichsweise kleinen Pleuel
eines Pkw-Motors erahnen. Die Schräge im großen Pleuelauge rechts ist oft nicht nur dem Einsatz in einem V-Motor geschuldet, sondern nicht selten auch, weil es so stark dimensioniert ist, dass es beim
Ausbau sonst nicht durch den Zylinder passen würde. Besonders beim Lkw-Dieselmotor geht es um eine extra stabile Bauart.

kfz-tech.de/PDM24
Natürlich gibt es Dieselmotoren in V-Ausführung ab 8 Zylinder. Oben der Zylinderblock von einem V-12. Allerdings für der Lkw-Bereich scheint der V-Motor auf dem Rückzug zu sein. Als eine der letzten Firmen
hat Daimler den V-6 auf Reihenmotoren umgestellt. Und der V-8 hat sich im Verkauf nicht bewährt. Hier hat MAN eine Schlappe erlitten. Spediteure sind der Meinung, dass der große Sechszylinder
inzwischen fast das gleiche leisten kann für weniger Gestehungs- und Spritkosten.

Komplizierter auch als beim Pkw-Motor kann der Kolben eines modernen Sechszylinder-Reihenmotors sein, obwohl er diesem viel mehr ähnelt als früher. Wer hätte je gedacht, dass ein Lkw-Motor zwei
obenliegende Nockenwellen bekäme. Auch von der Pumpedüse hat er sich getrennt und betreibt nun seine Gemischaufbereitung mit Common-Rail, zu allerdings etwas geringeren Drücken.

An der Zylinderlaufbuchse tritt der Unterschied zum Pkw-Motor wieder zutage, bei dem die höchstens eingegossen ist. Hier handelt es sich um eine Nasslaufbuchse. Denn dieser Sechszylinder von MAN ist auf eine
Gesamtlaufleistung von 1,5 Mio. km konzipiert. Das gilt dann allerdings nicht für die Kolben/Zylinder-Einheit, die relativ leicht, nicht selten sogar ohne Motorausbau ausgetauscht werden kann.

kfz-tech.de/PDM26
Über Aufladung verfügte der Lkw-Diesel in der Geschichte sogar noch etwas früher als der im Pkw. Der hier vorgestellte D2066 hat 10,5 Liter Gesamthubraum, 199 kW (270 PS) bei 1900/min und 1250-2100 Nm
Drehmoment bei 1000-1400/min. Solche Motoren glänzen nicht unbedingt durch Leistung, sondern durch Drehmoment. Dort, wo es hoch ist, werden sie auch meistens betrieben, nicht weit von der Leerlaufdrehzahl
eines Pkw-Motors entfernt.

Wenden wir uns dem etwas älteren Motor im Bild ganz oben zu. Allen Lkw-Motoren ist der große Ölvorrat eigen. Das sind dann so mal eben 40 Liter. Dafür war aber auch der Lkw der erste mit Wechselintervallen bis
100.000 km. Natürlich ist auch der Bedarf an Kühlmittel entsprechend größer.

Hier sehen Sie noch eine Besonderheit, die es bei Pkw-Motor so nicht gibt, nämlich eine untenliegende Nockenwelle, die über Stößelstangen und Kipphebel vier Ventile bedient. Typisch für die älteren OHV-Motoren
sind die einzelnen Zylinderköpfe. Heute muss ein durchgehender Kopf mit der Dichtigkeit zu den Nasslaufbuchsen fertig werden.

kfz-tech.de/PDM27
Große Unterschiede bei der Kühlung der Ladeluft. Während die beim Pkw inzwischen durch Kühlmittel unmittelbar am Motor erfolgt, leitet man sie beim Lkw in riesigen Rohren durch einen ganz vorne angeordneten
Luft-Luft-Kühler. Umgekehrt ufert das System mehrerer und z.T. hintereinander geschalteter Lader beim Pkw viel mehr aus.
kfz-tech.de/YDM6
kfz-tech.de/YDM7
kfz-tech.de/YDM8
Detroit Diesel

| Detroit Diesel |
| Typ | kW | 1/min | kg |
| 2-71 | 50 | 2.000 | 435 |
| 3-71 | 67 | 2.100 | 692 |
| 4-71 | 118 | 2.100 | 807 |
| 4-71T | 140 | 2.100 | 830 |
| 6-71 | 175 | 2.100 | 993 |
| 6-71T | 210 | 2.100 | 1.016 |
| 6V71 | 175 | 2.100 | 912 |
| 6V71T | 204 | 2.100 | 943 |
| 8V71 | 234 | 2.100 | 1.048 |
| 8V71T | 266 | 2.100 | 1.132 |
| 12V71 | 350 | 2.100 | 1.415 |
| 12V71T | 407 | 2.100 | 1.610 |
| 16V71 | 467 | 2.100 | 2.086 |
| 16V71T | 533 | 2.100 | 2.177 |
Es sind nun mal keine Leichtgewichte.
Was versteht man eigentlich unter einem Detroit Diesel? Es ist eine Gründung von General Motors von 1938/39 mit später mannigfaltig wechselndem Namen. Zwischendurch mit der Penske Corporation liiert landet
diese schließlich mit dem Bereich für Straßenfahrzeuge unter dem Dach von Daimler Trucks North America. Wir wollen einen Blick in die Technik einer bestimmten Motorenreihe werfen. Also lehnen Sie sich
zurück und vergessen Sie so manches, was Sie über Dieselmotoren wissen.
Der 4.71 arbeitet nach dem Zweitakt-Prinzip. Das klingt für europäische Ohren eher ungewöhnlich. Bei uns kommt das fast ausschließlich bei sehr langsam laufenden, riesigen Schiffsmotoren bis zu 100.000 PS
vor. Der 4.71 ist aber ein eher normaler Motor u.a. auch für den Lkw-Bereich. In ihm öffnet der Kolben auf dem Weg nach UT rundherum im Zylinder Schlitze, die als Einlass wirken. Durch diese dringt Luft in den
Brennraum, die bei gleichzeitig geöffneten Auslassventilen jegliche Verbrennungsgase hinausbefördert.
Es gibt den 4.71 mit und ohne 'T', was so viel wie 'Turbo' bedeutet. An dieser Stelle wundert man sich zum ersten, aber beileibe nicht zum letzten Mal, denn, um den Brennraum restlos mit Frischluft zu fluten, ist auf jeden
Fall ein gewisser Druck nötig, wenn der Kolben die rundum verteilten Öffnungen gegenüber dem Zylinderraum freigibt. Des Rätsels Lösung: Der 4.71 ohne 'T'
hat statt des Turboladers einen Roots-Kompressor, übrigens immer mit geringerer Leistung.
Auch zur einfacheren Überholung des Motors haben die Zylinder trockene Laufbüchsen, nicht nasse, wie früher bei uns im Lkw üblich. D.h. die Kühlflüssigkeit befindet sich hinter einer weiteren Wand, als
Bestandteil des Zylinderblocks. Unten bei den Schlitzen ist die Laufbüchse von einem Raum umgeben, der sich 'Air Box' nennt. Flüssige Anteile sammeln sich in der durch Aufladung hineingepumpten Frischluft unten in
der Box und müssen durch ein Ventil in einen Behälter abgeführt werden.
Das Ventil ermöglicht das, ohne den Ladedruck allzu sehr absinken zu lassen. Es bedarf besonderer Aufmerksamkeit. Weiter nach unten gehen wir nicht, weil es hier endlich mal so aussieht, wie wir es
gewohnt sind. Auch das zur Ölleitung durchbohrte Pleuel gehört dazu. Sie wird noch durch den Kolbenbolzen hindurch bis in das Oberteil des Kolbens verlängert. Außen sind die Kolbenbolzen beidseitig von
Kunststoffscheiben abgedichtet, deren Dichtigkeit bei einer Motorrevision überprüft wird.
kfz-tech.de/PDM2
Der Kolben selbst ist zweigeteilt, oben mehr aus einer Legierung, die gegen Hitze beständig und besonders zugfest, unten ein sogenanntes 'Shirt' (Umkleidung) mit guten Gleiteigenschaften. Das Oberteil
bildet mit der 'Crown' (Krone) den unteren Teil des Brennraums, den von uns gewohnten Kolbenräumen nicht unähnlich. Interessant die Verdichtungsringe am oben abgebildeten Teil, einer davon an der höchst
möglichen Stelle. Ganz unten am Shirt zwei Ölabstreifringe. Die Bestückung ist je nach Kompressor- oder Turbo-Modell verschieden.
Wohlgemerkt: Das untere Teil sieht zwar aus wie ein auf dem Kopf stehender Kolben, ist aber nach unten offen. Von dort aus erreicht man zwei Schrauben, durch die es mit dem Teil oben verbunden wird. Die
beiden finden gerade noch neben dem Kolbenbolzen Platz. Der ist gleichzeitig an dem Pleuelschaft verschraubt. Es gibt also kein oberes Peuelauge. Auch hier in der Dimensionierung wieder Unterschiede zwischen
Turbo und Kompressor. Die beiden Teile des Kolbens sind am höchsten Punkt des Shirts durch einen O-Ring gegeneinander abgedichtet.
Noch komplizierter ist die aus besonderen Einzelringen bestehende Abdichtung der Laufbüchsen oben gegenüber dem Motorblock und dem Zylinderkopf gleichzeitig. Ganz oben im Block, die Nockenwelle, die nicht nur
über Tassenstößel im Kopf und zwei Kipphebel mit Brücken die vier Ventile betätigt, sondern über einen dritten Nocken pro Zylinder die Pumpedüse. Die füllt den Raum
zwischen den vier Ventilen und ihren Auslasskanälen fast vollständig aus und ist sogar flüssigkeitsgekühlt.
Und woher hat der 4.71 seine Bezeichnung? Nun, er ist zunächst einmal ein Vierzylinder mit 4,7 Liter Hubraum. Das sind umgerechnet 284 cubic inch, was den Einzelhubraum von 71 cu in ergibt.
Das Besondere daran ist, dass danach eine ganze Baureihe benannt ist, also alle den gleichen Hubraum haben. Nach und nach kamen so zu den Reihenmotoren von einem bis zu sechs Zylinder auch noch V-Motoren
von sechs bis vierundzwanzig. Da wäre der kleinste also ein 6V-71.
Die Rationalisierung geht noch weiter, es gibt nämlich keinen 10V-71. Warum nicht? Weil es keinen 5V-71 gibt. Denn die V-Motoren haben die gleichen Zylinderköpfe. So kommen dann beim 12V-71 vier
Zylinderköpfe des 3-71 zum Einsatz, beim 24V-71 vier des 6-71. Voraussetzung ist natürlich, dass in den beiden Zylinderreihen der V-Motoren, anders als gewohnt, je eine Nockenwelle ihren Dienst tut. So, und jetzt
müssten Sie sich die moderneren 53er und 92er-Reihen von Detroit Diesel selbst vorstellen können.
| Wo hat es das noch gegeben, den Motor nach dem Einzelhubraum zu bezeichnen? Bei Ferrari
natürlich. |
kfz-tech.de/YDM9
kfz-tech.de/YDM10
Reihenpumpe

kfz-tech.de/PDM25
Die rein mechanischen Einspritzpumpen bis zur Entwicklung der elektronisch beaufschlagten funktionieren seit der A-Pumpe von 1927 eigentlich immer gleich. Es soll ein Einspritzdruck erzeugt werden,
der weit über den Düsenöffnungsdruck von sagen wir 130 bar hinausgeht. Prädestiniert für hohe Drücke ist die Kolbenpumpe, zumal hier keine gleichmäßige Förderung, sondern ein zum Zeitpunkt des
sogenannten Förderbeginns kraftvoller Stoß erfolgt. Herausforderung ist allerdings die Abdichtung des Kolbens gegen seinen Zylinder. Hier ist von einem Tausendstel Millimeter Toleranz und bisweilen sogar
mehr die Rede.
Es soll ein Geheimverfahren bei Bosch gewesen sein, Bearbeitung auf den Prinzipien der Flüssigkeitsreibung, auch 'Läppen' genannt. Die erste Pumpe ist eine Reihenpumpe, also so viele
Pumpenelemente, wie der Motor Zylinder hat. Angetrieben werden die relativ kleinen Kolben von einer Nockenwelle, die im Dieselmotor auch mit der Drehzahl der Motor-Nockenwelle über Rollenstößel
angetrieben wird, also halbe Kurbelwellendrehzahl.
Also alle schön hintereinander und deren Nocken so gestellt, dass sich der jeweilige Kolben kurz vor Beginn des Arbeitstaktes seines Motorzylinders zu erheben beginnt. Der erste Weg ist umsonst, weil
erst noch die Zulaufbohrung(en) geschlossen werden muss/müssen. Dann gibt es nur noch einen möglichen Weg des Kraftstoffs, nach oben durch eine Art Rückschlagventil zur Düse des Motorzylinders
und Einspritzung.

| Ganz links | Füllbeginn |
| Links | Förderbeginn |
| Rechts | Förderende |
| Ganz rechts | Oberer Totpunkt |
Bevor der Pumpenkolben OT erreicht, gibt er durch seine Steuerkante die Zulaufbohrung wieder frei. Da der Druck im Pumpenraum wesentlich höher ist als im Zulauf, fließt der Kraftstoff statt zum
Motorzylinder jetzt zurück in den Zulauf. Die Förderung ist beendet. Der eigentliche Förderhub hat nur einen Teil des Gesamthubs des Pumpenkolbens ausgemacht. Der Weg von UT bis Förderbeginn ist
immer gleich, der von Förderende bis OT je nach einzuspritzender Menge verschieden.
In erster Näherung würde man von zwei Kanten an einem Pumpenkolben ausgehen, einer natürlichen am oberen Ende und einer unten, die durch eine umlaufende Nut gebildet wird. Damit würde aber immer nur
der gleiche Förderhub erreicht. Der Motor wird aber über die vom Gaspedal gesteuerte Einspritzmenge in seinem Drehmoment- und Drehzahlverhalten gesteuert. Also muss die untere Steuerkante bzw.
Nut so schräg angeordnet sein, dass der Kolben durch Drehung zu unterschiedlichen Fördermengen gebracht wird.

Also noch einmal: Die Hubbewegung ergibt den Druckaufbau bzw. Förderbeginn, die Drehung verändert die Einspritzmenge (Fördermenge). Klar muss sein, dass letztere an allen Zylindern gleichermaßen
verändert werden muss. Dafür sorgt eine Art Zahnstange (Bild oben), die in kleine, mit Außenzähnen behaftete Klemmhülsen eingreift, die die Pumpenkolben umschließen, aber gleichzeitig deren Hubbewegung
nicht
stören. Aus diesem Grund können Sie sich das Gaspedal als mit dieser Zahnstange verbunden denken.
Jetzt wird vielleicht auch klar, warum ein älterer Dieselmotor bisweilen rußt. Da ist der Motor bei mittlerer Drehzahl vielleicht an seiner Belastungsgrenze und der/die Fahrer/in zwingt ihm beim Durchtreten
des Gaspedals so viel Kraftstoff auf, dass er ihn nicht verarbeiten kann, ihm auch die entsprechende Luftmenge fehlt. Unter Luftmangel rußt ein Diesel halt. Ein Benziner würde bei diesem 'fetten' Gemisch
eher den Dienst quittieren, nicht so der Diesel.
Es geht noch viel weiter. Dem Benziner geht ab einer bestimmten Drehzahl die Luft aus, da sinkt die Leistung von selbst. Da aber der Dieselmotor mit Luftüberschuss arbeitet, sind ihm keine Grenzen
gesetzt, sofern genügend Kraftstoff eingespritzt wird. Dabei verträgt er im Vergleich mit dem Benziner höhere Drehzahlen viel schlechter. Er muss deshalb, wie übrigens auch beim Leerlauf, geregelt
werden. Nicht mit Elektronik behaftete Einspritzanlagen haben deshalb einen klassischen Fliehkraftregler.
Es gibt bestimmte Konstruktionen von Einspritzpumpen, da kann durch einen Defekt diese Regelung außer Kraft gesetzt sein. Lkw-Monteure berichten glaubhaft von (teuren) Motoren, bei denen dieser
Effekt einsetzt und die aus dem Stand in nie gekannte Drehzahlregionen drehen, bis sie mit einem massiven Defekt (ver-) enden. Da auch die Leistung über das normale Maß steigt, ist der Motor oft auch
nicht mit Gang einlegen und Kupplung kommen lassen zu bändigen. Startet man die Rettungsaktion etwas zu spät, rutscht letztere einfach durch.
Verteilerpumpe 1

Obwohl es auch günstigere Reihenpumpen, z.B. die M-Pumpe, gegeben hat, ist das für die Einführung eines Dieselmotors für leichte Pkw und weniger als zwei Liter Hubraum immer noch zu teuer.
Vermutlich hätte z.B. der VW Golf mit Dieselmotor nicht entwickelt werden können, wäre nicht eine Verteilerpumpe auf dem Markt gewesen. Nun ist die Fa. Bosch nicht immer die erste am Markt
gewesen. Trotzdem beginnen wir mit deren Pumpe das Kapitel.
Ganz grundsätzlich hat eine Reihenpumpe für jeden Zylinder ein Pumpenelement mit Nocken, Rollenstößel, Kolben und Druck-Entlastungsventil, eine Verteilerpumpe aber nur ein Pumpenelement für alle
Zylinder. Bei beiden Pumpen entsteht der Düsenöffnungsdruck durch Kolbenhub, allerdings wird der einzige Kolben einer Verteilerpumpe während einer Umdrehung so oft angehoben, wie der Motor Zylinder
hat.
Deshalb ist die Anzahl der möglichen Zylinder auf 6 begrenzt. Auch erreicht die Verteilerpumpe bei weitem nicht die Fördermenge. Ein schönes Beispiel liefern die Motoren eines MAN M90 ab 1988. Die
beiden leistungsschwächeren /L-Sechszylinder bis 137 kW (186 PS) kommen mit einer Verteilerpumpe aus, während der mit 169 kW (230 PS) eine M-Reihenpumpe braucht. Offensichtlich sind die hier
maximal geforderten Einspritzmengen von der Verteilerpumpe nicht lieferbar, zumal bei sechs Hüben pro Umdrehung der einzelne natürlich begrenzt ist.

Statt einer Nockenwelle hat die Verteilerpumpe eine sogenannte Hubscheibe, die eine der Zylinderzahl entsprechende Anzahl von Bergen und Tälern aufweist. Jetzt stellen Sie sich bitte vor, der innere
Kolben würde dem oberen Pfeil im Bild unten entsprechend gedreht und bei dieser Pumpe für vier Zylinder auch vier Mal in einer Umdrehung angehoben, so wie es der Pfeil im Bild unten anzeigt.

Im Bild mit der Rolle und der Hubscheibe sehen Sie, dass in den Kolben von oben vier Nuten eingefräst sind. Stimmt eine von diesen während einer Drehung kurzfristig mit der Zulaufbohrung im Zylinder am
unteren Ende der Nut überein, dann wird der Raum über dem Kolben gefüllt. Die Mechanik ist so ausgerichtet, dass der Kolben immer dann im unteren Totpunkt steht.

Dreht er weiter und hebt an, verkleinert sich der Raum. Dem Kraftstoff ist der Weg zurück versperrt, weil die jeweilige Nut nun nicht mehr mit der Zulaufbohrung fluchtet (siehe jeweils kleines Bild oben
links). Es bleibt also nur noch, Druck aufzubauen. Da entlüfteter Dieselkraftstoff nahezu inkompressibel ist, würde das nicht lange gut gehen, aber da sind ja noch die vier Bohrungen im Zylinder,
jeweils 90° voneinander getrennt.

Im Bild mit der Rolle und der Hubscheibe können Sie das obere Ende eine Bohrung mittig und längs durch fast den gesamten Pumpenkolben erkennen. Der macht natürlich nur Sinn, wenn er mit
mindestens einer radialen Bohrung in dem gleichen Pumpenkolben verbunden ist, die sogenannte Verteilerbohrung. Eine befindet sich auf der gleichen Höhe, wo auch die vier Bohrungen münden. Durch
genügend Erweiterung dieser Bohrung zum Kolbenrand hin ist dafür gesorgt, dass immer Kontakt zu einer dieser Bohrungen besteht, solange der Kolben sich im Förderhub befindet.
Die Reihenfolge der einzelnen Bohrungen ist ebenso wichtig. Sie wissen wahrscheinlich, was passiert, wenn man beim Benziner Zündkabel der einzelnen Zylinder vertauscht. Das dürfte hier schwieriger
sein. Jedenfalls werden die vier über die Verteilerbohrung entsprechend der Zündfolge gefüllt, also beispielsweise 1 3 4 2 oder 1 5 3 6 2 4 bei Reihenmotoren. Die vier Bohrungen sind also direkt mit den
Düsen der einzelnen Motorzylinder verbunden.
Die Verteilerpumpe arbeitet also nach dem gleichen Prinzip wie die Reihenpumpe, baut jeweils zum richtigen Zeitpunkt den erforderlichen Druck für jeden Zylinder einzeln auf. Das deckt sich mit dem
Prinzip der Pumpe-Düse, unterscheidet sich aber total vom heutzutage allenthalben dominierenden Common-Rail, wo ein gleichmäßiger Hochdruck aufgebaut und bei Bedarf an den jeweiligen Zylinder
abgegeben wird.
Jetzt könnten Sie die Frage stellen, ob denn immer die gleiche Menge zum richtigen Zeitpunkt eingespritzt wird. Natürlich nicht, denn diese Einspritzmenge bestimmt ja die Zugkraft und meist auch die
Drehzahl des Motors und muss u.a. vom Gaspedal aus regelbar sein. Deshalb geht die Mittelbohrung noch über die Verteilerbohrung hinaus.
Wenn Sie jetzt in dem Bild darunter auf den unteren Pfeil schauen, erkennen Sie eine winzige Öffnung, die ebenfalls mit dieser Bohrung verbunden ist. Über die könnte also der gesamte Druck oben
abgebaut und die Förderung zum jeweiligen Zylinder beendet werden. Man nennt sie deshalb auch die Absteuerbohrung. Damit das aber schön geregelt und für alle vier Zylinder gleichmäßig passiert, ist
darüber ein dichtender Ring geschoben, der sogenannte Regelschieber.
Nein, dieser Regelschieber macht die Hubbewegungen gerade nicht mit. Rein theoretisch könnte er direkt mit dem Gaspedal verbunden werden. Dann würde also die Absteuerbohrung nach einem
bestimmten Hub aus dem Regelschieber auftauchen, was Förderende bedeutet. Verschiebt man mit Hilfe des Gaspedals jetzt den Regelschieber in Pfeilrichtung, dann taucht die Absteuerbohrung später
auf, was eine größere Fördermenge bedeutet. Können Sie sich vorstellen, dass so der Dieselmotor schon einigermaßen regelbar wird?
Wenn Sie jetzt noch einmal einen geneigten Blick auf das Bild am Anfang dieses Kapitels werfen, sehen Sie exakt die Kopfseite der Verteiler-Einspritzpumpe mit den Anschlüssen der Einspritzleitungen zu
den Düsen der einzelnen Zylinder. Vielleicht fällt Ihnen auch auf, dass die Anschlüsse nicht direkt erfolgen, sondern noch Ventile zwischengeschaltet sind. Diese sorgen für eine gewisse Druckabsenkung
in der jeweiligen Leitung und verhindern so Nachtropfen.
Verteilerpumpe 2

Hier haben Sie die komplette Anlage. Vom Tank unten wird von durch die Flügelzellenpumpe, hier zum besseren Verständnis verdreht gezeichnet, Kraftstoff durch den Filter in die Pumpe gesaugt. Diese hat unten
die Saug- und oben rechts die Druckseite. Dort geht es in den Innenraum. Ein Ventil mit Anschluss zur Saugseite sorgt dafür, dass der Innendruck der Pumpe proportional der Drehzahl folgt.
Der sich ändernde Druck beeinflusst den Spritzversteller unten, ebenfalls um 90° verdreht gezeichnet. Wenn dessen Kolben mit größer werdendem Druck gegen seine Feder nach links wandert, tut er dies in
Wirklichkeit zusammen mit dem Rollenring gegen die Drehrichtung der Hubscheibe und sorgt damit für einen früheren Förderbeginn.
Rechts ist nur ein Druckentlastungsventil mit Anschluss der Einspritzleitung zur entsprechenden Düse zu sehen. In Wirklichkeit sind natürlich so viele von denen gleichmäßig in der Rundung verteilt, wie der
Motor Zylinder hat. Die Zulaufbohrung zum Pumpenzylinder wird beim Ausschalten der Zündung elektromagnetisch verschlossen. Oben und ganz rechts noch die Rücklauf- und Entlüftungsleitung. Wichtig
die Düse oben, die einen Austausch der Füllung zur Kühlung gewährleistet.
| Diese Düse und das Ventil am Eingang zum Innenraum beeinflussen den Innendruck.
|
Die Axialkolbenpumpe ist eine Bauform der Verteilerpumpe. 'Axial' bedeutet hier, dass der Druck durch eine Verschiebung des Pumpenkolbens in Richtung seiner Mittelachse nach rechts entsteht. Das
bedeutet, der linke Teil der Welle vom Zahnriemenrad bis zum großen Zahnrad ist nur drehbar, der rechte Teil von der Hubscheibe bis zum Ende des Pumpenkolbens zusätzlich verschiebbar. Drehfest verbunden
sind beide durch ein kreuzförmiges Zwischenstück, was die axiale Bewegung des rechten Teils zulässt.
Am Pumpenkolben selbst sehen Sie die Längsbohrung in dessen Mitte. Die Verteilerbohrung wäre gerade auf der anderen Seite. Der Fahrerfuß oben rechts beeinflusst über ein Hebelwerk mit Federn den
Regelschieber unten relativ weit links auf dem Pumpenkolben. Dieser Regelhebel verschiebt den Regelschieber bei mehr Gas unten nach rechts. Der hält dann die Absteuerbohrung über mehr Kolbenweg geschlossen.

kfz-tech.de/PDM30
| Der Regelhebel ist ein Kipphebel mit Drehpunkt etwas unterhalb der Mitte. |
Je später der Regelschieber die Absteuerbohrung öffnet, desto länger und damit mehr wird gefördert. Diese Verschiebung wird allerdings nicht nur von der Stellung des Gaspedals, sondern zusätzlich
von dem Fliehkraftregler beeinflusst. Gehen dessen Fliehgewichte auseinander, schiebt seine Regelhülse den oberen Teil des Hebels nach rechts und den unteren nach links.
Möglich ist das nur, weil der mit dem Gaspedal verbundene, drehbar gelagerte Hebel ganz oben bzw. sein Exzenter mit dem Regelhebel nicht starr, sondern über eine Feder verbunden ist. Diese Feder
beeinflusst im Zusammenspiel mit dem Fliehkraftregler die Begrenzungsdrehzahl des Dieselmotors. Da aber nicht nur diese, sondern auch noch die Leerlaufdrehzahl geregelt werden muss, besteht der
Regelhebel nicht nur aus einem Teil.
| Die Grundeinstellung im Werk erfolgt durch die Schraube oben rechts mit Gegenfeder unten. |
Es gibt noch einen zweiten Hebel, der mit Drehpunkt ziemlich weit unten an den Regelhebel angelenkt ist. Genau auf diesen trifft die Regelhülse des Fliehkraftreglers, also nicht auf den Regelhebel direkt. Auch
bewegt der nicht grundsätzlich den Regelschieber, sondern jener kleine Hebel mit Kontakt zum Fliehkraftregler. Abgestützt zum Regelschieber ist er durch eine kleine Blattfeder. Diese ist für die Regelung
des Leerlaufs verantwortlich.
| Über den Leerlauf hinaus wirken beide Hebel als Einheit. |
Verteilerpumpe 3

Die bisher besprochene wird Axialkolbenpumpe genannt, weil eine Hubscheibe den einzig vorhandenen Kolben in zur Hauptwelle axialer Richtung bewegt. Hier geht es jetzt um die Radialkolbenpumpen, die
es mit den verschiedensten Bezeichnungen wie z.B. VP 44 oder CAV von Bosch, Delphi oder Lucas gibt, wobei letztere wohl als erste am Markt waren und das Prinzip begründet haben.
Wir gehen hier vom Wesentlichen aus, in diesem Fall zwei kleinen Kolben, die bei ihrer Drehung mit der Hilfe von Rollen über einen Nockenring ablaufen. Die linke Darstellung zeigt die Stellung, in der mit
Druck Kraftstoff zur Düse eines bestimmten Motorzylinders gepumpt wird. Bei jedem weiteren Nocken ist ein anderer Motorzylinder an der Reihe, z.B. hier 1, 3, 4, 2. So viele Zylinder der Motor hat, so viele
Austrittskanäle gibt es.
Das rechte Bild zeigt dann die Füllstellung, bei der die Pfeile bewusst eine andere Herkunft symbolisieren. Irgendwie muss also das mit den Kolben drehende Innengehäuse beim Füllen mit einer anderen
Leitung als beim Fördern verbunden sein. Man kann sich aber leicht einen Zylinder zu dem rotierenden Teil im Hintergrund denken, der jeweils nach einer viertel Umdrehung die beiden Leitungen innen
entweder mit der jeweiligen Verbindung zur passenden Düse oder mit den beiden Förderleitungen verbindet.
Erstaunlich genug, dass man mit dieser Hydraulik und mehr Nocken bis zu sechs Zylinder bedienen konnte. Für größere Vierzylinder waren auch vier auf der gleichen Zahl von Nocken ablaufende Kolben
möglich. Schön wäre es, wenn wir beim Prinzip bleiben könnten. Denken Sie sich also eine auf der gleichen Welle angeordnete Förderpumpe hinzu, natürlich mit außen liegendem, wechselbaren
Kraftstofffilter und am besten noch mit einer Handpumpe an dessen Deckel.

Die Förderung z.B. zu einer CAV-Pumpe erfolgte durch eine etwas anders aufgebaute Flügelzellenpumpe. Sie können deren Prinzip mit dem von der Förderung bei der Pumpe-Düse vergleichen. Beide
Flügel brauchen noch nicht einmal Zentrifugalkräfte. Sie sind durchgehend und so gearbeitet, dass sie mit einem bestimmten Spiel anliegen. Drehen sie im Uhrzeigersinn, ist unten die Saug- und oben die
Druckseite.
Prinzipdarstellung des Spritzverstellers
Das wäre jetzt so eine Ausführung mit vier Kolben für vier Motorzylinder. Der wichtigere Teil der Abbildung ist der untere. Hier finden wird den Druck der Hydraulik vor, der einen Kolben nach rechts gegen
eine Feder bewegt. Gleichzeitig dreht sich dadurch der Nockenring gegen den Uhrzeigersinn so lange, bis die Kräfte unten links und rechts ausgeglichen sind.
'Zündverstellung' darf man beim Dieselmotor nicht sagen, obwohl die Wirkung dieser Verstellung dem des Förderbeginns ähnlich ist. Wozu braucht man das? Zum Beispiel bei höheren Drehzahlen, wenn die
Förderung des Kraftstoffes (Spritzbeginn) früher erfolgen muss, um möglich zum gleichen Winkel nach dem oberen Totpunkt den Druckanstieg zu ermöglichen.
Spritzversteller bei ausgebauter Hochdruckpumpe
Natürlich ist es noch wichtiger als den Förderbeginn die Fördermenge verstellen zu können. Genau darum geht es beim nächsten Bild unten. Hier läuft die Rolle eines der Kolben bei voller Auslenkung nicht
auf ihrer gewohnten Nockenbahn, sondern wird von zwei zusätzlichen Scheiben vor und hinter der Nockenscheibe davon abgehalten. Und das geschieht in gleichem Maße an allen Rollen, die dazu natürlich
breiter sein müssen als die eigentliche Nockenscheibe.

Das ist eine dringend notwendige Maßnahme, um die Hochdruckförderung z.B. bei Teillast zu begrenzen. Nur so, kann der/die Fahrer/in die Drehzahl bzw. die Abgabe von Drehmoment mit dem Gaspedal
steuern. Wichtig dabei: die beiden Scheiben können zum Gas geben verdreht werden. Noch weniger Füllmenge ist dann möglich, wenn sie hier von dem Bild ausgehend so im Uhrzeigersinn verdreht
werden, dass die Rolle und damit der Kolben noch mehr im Hub begrenzt werden.
Natürlich kennt der Dieselmotor auch hier wieder zwei zusätzlich durch Fliehkraft zu regelnde Bereiche: Leerlauf und Volllast. In aller Regel kommt noch ein Bereich hinzu, der Kaltstart. Es wird dann
richtig viel Kraftstoff eingespritzt, mehr noch als bei Volllast. Dann würden die beiden Scheiben so verdreht werden, dass sie den vollen Zugang zu allen Teilen der mittleren Nockenbahn freigeben, also den
vollen Hub ermöglichen.
Radialkolbenpumpe von Delphi
VP 44 von Bosch (bis 1.600 bar Einspritzdruck)
Am Beispiel der VP 44 können wir noch kurz die elektronische Mengenregelung beleuchten. Auch hier wird der jeweilige Radialkolben mehr oder weniger daran gehindert, seinen Grundkreis zu erreichen,
allerdings nicht durch zusätzliche Nockenringe. Es bleibt bei einem, aber dafür sind die Rollen mit schrägen Rampen ausgerüstet. Links oben sehen Sie diesen rotierenden Greifer, in denen können die
Rollen mit Einschränkung dem Nockenprofil folgen.

Können Sie sich vorstellen, dass durch axiale Verschiebung die Rollen weniger oder weiter in die Greifer hineingeschoben werden? Je tiefer, desto kleiner ist ihr Hub, weil sie noch weiter weg sind von ihrem
Grundnocken. Durch Längsverschiebung der rechten unteren Welle kann also die Fördermenge verändert werden. Gesteuert wird dies durch unterschiedlichen Druck über ein elektronisch geregeltes
Magnetventil. Die restliche Elektronik unterscheidet sich im Prinzip nicht von der anderer Verteilerpumpen.
kfz-tech.de/YDM11
kfz-tech.de/YDM12
Regelung

Warum ausgerechnet hier zwei Nocken abgebildet sind, um ein Kapitel über die Regelung der hydro-mechanischen Diesel-Einspritzung einzuleiten? Weil hier sehr schön ein Problem, das die Reihenpumpe
mit dem linken Nocken hat, mit dem rechten gelöst wird. Was für ein Problem? Ganz einfach: So ein Motor konnte mit falscher Motordrehrichtung gestartet werden, z.B. durch Anschieben im
Rückwärtsgang.
Das ist natürlich vollkommen unerwünscht, nicht nur wegen der geringen Motorleistung, weil alles, was mühsam auf vor OT oder UT eingestellt wurde, jetzt nach OT bzw. UT stattfindet. Und dann die vielen
Rückwärts- und der nur eine Vorwärtsgang. Noch schlimmer: Die Ölpumpe saugt u.U. Öl von den Schmierstellen ab und befördert es in den Ölsumpf.
Ja, dem Benzinmotor jener Zeit konnte das nicht passieren. Dem fehlte der Kraftstoff, wenn er durch den Auspuff ansaugte. Und wie hat man das behoben? Man hat das Phänomen des Lecköls genutzt.
Das ist Öl, das sich statt nach oben zu den Motorzylindern befördern und dort einspritzen zu lassen, sich lieber zwischen den Kolben der Einspritzpumpe und deren Zylinder verdrückt und durch eine
Leckölleitung gesammelt wird.
Baut man also in einem Pumpenelement nur langsam genug Druck auf, so verabschiedet sich auf diese Weise der gesamte Kraftstoff und nichts wird eingespritzt. Deshalb hier die eine Seite mit dem sehr
langsamen Druckaufbau bei umgekehrter Drehrichtung. Übrigens ist eine vollkommene Dichtigkeit zwischen Pumpenkolben und Wandung weder möglich noch erwünscht. Schließlich muss ja irgendwoher
die Schmierung kommen, denn Öl gibt es nur ganz unten im Raum der (Pumpen-) Nockenwelle.

Egal wie wir es drehen und wenden, den Dieselmotor darf man nicht ungeregelt lassen. Nehmen Sie z.B. die Reihenpumpe. Sicher, der Kolben pumpt Kraftstoff in Richtung der Düse eines Motorzylinders. Aber man
darf die Menge an Lecköl nicht vergessen. Stellen sie sich also vor, die Einspritzmenge wird erhöht, dann gehört zu der ursprünglichen Drehzahl eine bestimmte Leckölmenge, denn die ist abhängig von der Zeit, in
der die einzuspritzende Menge unter Hochdruck steht.
Was passiert bei Erhöhung der Einspritzmenge? Klar, die Drehzahl geht ebenfalls nach oben, was weniger Zeit für den Abfluss von Lecköl bedeutet. Also steigt die Einspritzmenge und damit die Drehzahl weiter, was
wiederum die Leckölmenge reduziert. Das Spiel lässt sich sehr lange fortsetzen, da ist der Dieselmotor längst drehzahlmäßig im Nirwana angekommen, oft noch nicht einmal mit der Chance auf Wiedergeburt, weil
zu viel kaputtgegangen ist.
kfz-tech.de/PDM31
Hier die aufgeschnittene ältere A-Pumpe, rechts die einzelnen Pumpenelemente. Das ganz links ist im Großbild sogar sichtbar aufgeschnitten, damit man eine Vorstellung erhält, wie klein so ein Pumpenkolben in
Wirklichkeit ist. Unten die Nockenwelle, auf der sich Rollenstößel auf und ab bewegen. Im unteren Raum befindet sich Öl, darüber Luft und der Raum oben ist mit entlüftetem und gefiltertem Kraftstoff gefüllt.

| Gleiche Übersetzung zur Regelstange bei wenig und viel Gas |
Der Bereich links enthält ebenfalls Luft. Die Fliehgewichte unten rechts in diesem Raum sind so gedreht, dass man die Federn erkennen kann. Eigentlich ist nur eine, nämlich die für die Regelung der
Enddrehzahl sichtbar. Aber es gibt darunter noch eine zweite für den Leerlauf. So ergeben sich im Prinzip drei Stellungen: ganz zusammengedrückt im Stand, etwas ausgefahren im Leerlauf und zwischen
betätigter Leerlauf- und unbetätigter Enddrehzahlfeder.
| Unterschiedliche Übersetzung zur Regelstange bei wenig und viel Gas |
Letztere kann man übrigens verstellen. Dazu hat das Gehäuse entsprechende Öffnungen. So war der Dieselmotor eigentlich relativ leicht zu 'frisieren', je stärker, desto mehr neigte er mit dem fehlenden
Luftüberschuss zum Rußen. Schauen Sie sich Tractor Pulling mit auch solcherart veränderten Motoren an, dann wissen Sie, was ich meine.
Jetzt braucht es aber einerseits eine Verbindung zum Gaspedal und andererseits eine zu den Pumpenelementen. Letzte sehen Sie oben waagerecht in den mittleren Raum rechts hinein verschiebbar.
Dadurch werden die Elemente verdreht. Das können entweder jeweils die kleinen Kolben oder auch die sie umgebenden Zylinder mit den meist zwei Bohrungen sein. Jedenfalls darf durch das Verdrehen die Hubbewegung
der Kolben durch die Nockenwelle nicht behindert werden.
Da sind also vier Klemmringe mit einer Verzahnung versehen und diese kämmt mit der sogenannten Regelstange. Dabei soll es nach links raus in Richtung Vollgas und nach rechts hinein in Richtung
Leerlauf gehen. So und jetzt noch das Gaspedal, das ganz links an dem nach oben ausgelenkten Hebel angreift, genauer gesagt, an dessen innerem Teil von einem Kugelgelenk. Gas gebend schwenkt
der Hebel nach links, wird also gezogen.
Etwas kompliziert ist der Zusammenbau von Gashebel, Fliehgewichten und Regelstange, denn die Verbindung ist keineswegs nur eine Stange, sondern ein geschnitztes Rohr. Darin bewegt sich der auf der
Welle zum Gashebel befindliche Ausleger mit einer Verdickung in dem geschlitzten Rohr auf und ab. Das ermöglicht es ihm, grundsätzlich das geschlitzte Rohr nach links zu ziehen und zusätzlich den
Drehpunkt in Richtung Mitte zu bewegen.
Wenn also im Leerlauf oder bei Höchstdrehzahl Regelbedarf herrscht, dann arbeiten Regelstange und Fliehgewichte gegeneinander. Sich öffnend ziehen die Fliehgewichte die Regelstange zurück. Da
allerdings der Drehpunkt des geschlitzten Verbindungsrohrs im Leerlauf weit unten ist, haben die Fliehgewichte einen großen Einfluss auf die Leerlaufdrehzahl. Hören Sie sich einen alten Lkw im Leerlauf an,
dann können Sie an dem regelmäßig auf- und abschwellenden Geräusch die Arbeit des Fliehkraftreglers erkennen.
Bei der Regelung der Enddrehzahl ist das anders. Hier wird durch den weit oben liegenden Drehpunkt viel feinfühliger abgeregelt. Das liegt u.a. an den ohnehin schon großen Einspritzmengen. Der Motor soll
ja das Fahrzeug beim Erreichen der Enddrehzahl nicht bremsen, sondern es ermöglichen, dass die erreichte Einspritzmenge beibehalten wird.
Sie sehen, was eine der ersten Regelungen an der Einspritzpumpe schon zu leisten vermag. Und was wird auf dem Einspritzpumpenprüfstand jetzt geprüft bzw. eingestellt? Das ist die möglichst gleiche
Einspritzmenge in jeden Zylinder an jedem der vier Klemmringe. Hinzu kommen noch die unter den Federn sichtbaren Kontermuttern, die einen exakt 90-grädigen Abstand bezogen auf die hier sichtbare
Nockenwelle ermöglichen sollen.

kfz-tech.de/PDM32
Prüfstände für Einspritzpumpen gibt es schon sehr lange, hier zwei von Magnet Marelli. Der untere ist sogar aus den vierziger Jahren des vorigen Jahrhunderts.

kfz-tech.de/PDM33
Versuche

kfz-tech.de/PDM34
Nein, eigentlich gehört die Verteilerpumpe nicht auf einen Einspritzpumpenprüfstand. Denn was soll man hier prüfen und einstellen, etwa die Fördermengen für die einzelnen Zylinder. Die kann man hier
ohnehin nicht verändern. Es gab aber trotzdem einen Befestigungssatz von Bosch, vermutlich um vor einem eventuellen Austausch zu prüfen oder das Regelverhalten zu analysieren.
Aber für die Ausbildung hat sich der Prüfstand wirklich bewährt. Oben abgebildet ist eine konventionelle Pumpe, Messung des Innendrucks durch ein mit Glyzerin gefülltes Manometer mit besonders wenig
zittriger Anzeige. Damit konnte eine direkte Zuordnung zur Verstellung des Förderdrucks hergestellt werden.
Wir haben die Sache noch viel weitergetrieben. Irgendwann kam die elektronische Dieselregelung mit der entsprechenden Verteilerpumpe. Aber wo sollte das Steuergerät seine Informationen bezüglich der
Motordrehzahl und der Stellung von Kurbel- und Nockenwelle her beziehen. Da fiel uns das vergleichsweise große Schwungrad des Prüfstands auf und es war tatsächlich möglich, dem Steuergerät durch
Aufkleben von Metallstücken in zwei Reihen vorzugaukeln, es befände sich in einem echten BMW-Motorraum.
| Auch wenn sich nie eines der geklebten Metallstücke sich gelöst hat, ist natürlich trotzdem eine
Schutzvorrichtung nötig. |
Hier eine elektronisch geregelte VE-Pumpe für den Handbetrieb, natürlich mit schwächeren Federn.
kfz-tech.de/PDM35
Man muss aufpassen. Handelt es sich um ein Signal von der Nocken- oder der Kurbelwelle. Für die letztere ist die doppelte Anzahl nötig. Aber die beiden auf den jeweiligen Kreis von Metallen
ausgerichteten Sensoren haben ihren Dienst klaglos verrichtet. Der Weg war frei, dem Steuergerät bzw. dessen Programmierung auf die Füße zu schauen. Wenn Sie genau hinschauen, können Sie einen
Teil der Metallstücke erkennen, die natürlich bei dieser Pumpe nicht gebraucht wurden.
Wie ändert sich die Einspritzmenge, wenn man die Kraftstoff- oder die Kühlmitteltemperstur ändert. Letztere hat natürlich wesentlich mehr Einfluss. Wie funktioniert die Drehzahlregelung im unteren
Bereich. Offensichtlich hatte der BMW-Motor einen von der Akustik her unschönen Bereich, über den er durch die Trennung von Gaspedal (jetzt Fußfahrgeber) und Mengenregelung quasi hinweggehoben
wurde. Das ist natürlich nur ein kleiner Ausschnitt der gewonnenen Erkenntnisse.
Sie sehen der (teure) Einspritzpumpenprüfstand hat sich gelohnt, besonders nachher auch mit der Aufnahme von Signalen durch das (Speicher-) Oszilloskop. Natürlich genauso oder vielleicht noch mehr
für die Reihenpumpen. Dagegen sind die von Lehrmittelfirmen z.T. vertriebenen Anlagen klar unterlegen, weil z.B. die Motoren nicht so stark sind. Wenn die Motordrehzahl bei einer Mengen-
Vergleichsmessung einknickt, weiß man nicht mehr, ob es daran oder an der Regelung liegt.

So mit der elektronischen Dieselregelung zu experimentieren ließ einen vielleicht sogar zum ersten Mal entdecken, was eigentlich ein Kennfeld. da waren im Anfang noch nicht so viele Parameter wie beispielsweise
heute, wo man nicht so genau weiß, welche Informationen an das Steuergerät dies oder jenes bewirkt haben.
Am einfachsten war es noch die Leerlauf- und Abregeldrehzahl zu ermitteln. Man braucht nur Mengenmessungen bei den in Frage kommenden Drehzahlen und entweder mit Vollgas (Abregeln) oder ohne Gas
(Leerlauf), dann sieht man, dass ab einer bestimmten Drehzahl die Einspritzmenge sinkt (Abregeln) oder steigt (Leerlauf) und weiß, man hat die gesuchte Drehzahl überschritten.
Wenn man nicht gerade in einer gut belüfteten Werkstatt agiert, kann man auch geruchsneutraleres Silikonöl verwenden. Das ist auch noch ungefährlicher als Dieselkraftstoff. Die erste Füllung für den Tank des
Einspritzprüfstands ist allerdings recht teuer. Auch deshalb sollte man auf so wenig Verlust wie möglich achten. Versuche mit der Dieseleinspritzung allein zeigen auch, welch hohen Geräuschanteil diese hat.

kfz-tech.de/PDM36
Kleinere und günstigere Prüfstände gibt es auch für Common Rail. Im Kapitel 'Eine Schraube' finden Sie ein Beispiel, wie man so etwas auch an einem Dieselmotor realisieren kann.

kfz-tech.de/PDM37
Und dann gibt es natürlich noch richtige Prüfstände für Common Rail. Bevor Sie sich allerdings Gedanken machen, der Preis einer inzwischen beendeten ebay-Auktion betrug schon 69.000 Euro. Wie hoch mag dann
der originale Bosch-Preis sein? Hier ein Blick in das Innenleben . . .

kfz-tech.de/PDM38
kfz-tech.de/YDM13
Zweitakt

Sie werden sich fragen, was denn das Thema 'Zweitaktmotor' hier in einem Buch über Dieselmotoren zu suchen hat. Dahinter steckt wohl die Ansicht, spätestens mit dem DDR-Trabant sei der
Zweitaktmotor auf dem Friedhof der Technik-Geschichte gelandet. Jedoch müssen wir hier noch um einen kleinen Zwischenstopp bitten. Lassen Sie uns einmal die beiden Prinzipien vergleichen und sehen,
wie gut sie zueinander passen.
Das Zweitakt-Prinzip bedeutet, dass die auch hier nötigen vier Takte so zusammengefasst werden, dass ein komplettes Arbeitsspiel nach nur einer Umdrehung der Kurbelwelle erledigt ist. Lassen Sie sich
also nicht von dem oben vorhandenen Ventil (+Steuerung durch eine Nockenwelle) irritieren. Auch bei einem Zweitaktmotor sind Ventile möglich, in diesem Fall Auslassventile.
Möglich und in diesem Fall sogar zwingend nötig ist auch eine Aufladung, natürlich ein Turbolader, der besonders gut zum Dieselmotor passt. Und jetzt kommt der eigentliche Grund für die gedeihliche
Zusammenarbeit des Zweitakters mit dem Diesel-Prinzip: Es wird nämlich grundsätzlich nur reine Luft angesaugt, bzw. in diesem Fall mit hohem Druck eingeblasen. Oben sehen Sie, wie diese direkt vom
Verdichterrad in den Brennraum gelangt. Da die Schlitze rundherum angeordnet und die Auslassventile oben geöffnet sind, wird das Abgas des vorigen Arbeitsspiels zuverlässig und vollständig ausgeblasen.
Alle Probleme mit der Spülung, wie wir sie von alten Zweitaktmotoren kennen, sind hier gelöst, denn man kann mit unglaublichen Luftmengen spülen. Auch der Geruch von verbranntem Motoröl bzw. das
Tanken von Gemisch sind perdu. Hier gibt es einen ganz normalen Ölsumpf, nass oder trocken, ganz wie es die Anwendung des Dieselmotors verlangt. Eigentlich ist es ein ganz normaler Motor, der z.B.
von außen kaum von einem Viertakter zu unterscheiden wäre.

Hier sehen Sie dem Beginn des Verdichtungstakts. Die Schlitze sind geschlossen und die Auslassventile auch. Ein gewisser Druck durch die Einblasung ist schon vorhanden, so dass auf dem restlichen Weg des
Kolbens die für den Dieselmotor nötige, höhere Verdichtung erreicht wird. Es gibt sogar die Möglichkeit, die Auslassventile nicht exakt mit den Schlitzen schließen zu lassen, um damit bestimmte Effekte zu erzielen.

Steht der Kolben auf OT, sind wir vollends beim Beginn des Arbeitstaktes exakt wie beim Viertakter angekommen. Man kann vor- oder nacheinspritzen, mehrfaches Einspritzen ist möglich. Bitte bedenken Sie, dass der
Hub von Dieselmotoren häufig noch immer ein wenig größer ist als der von Benzinmotoren. Man kann also die Zeit bis zum Öffnen des Schlitzes voll ausnutzen. Sogar eine variable Steuerung der Auslass-
Nockenwelle wäre denkbar und damit natürlich auch die Menge an Abgas zum Turbinenrad des Turboladers.

Aber dann der Riesen-Vorteil. Auch wenn er vielleicht nicht die doppelte Leistung bei gleichem Hubraum bringt, aber es ist mit Sicherheit viel mehr als beim Viertakter. Downsizing wäre noch effektiver, vor
allem die Reduktion des Hubraums auf zwei Zylinder. Denn bei dem Zweitakter als Reihenmotor würden nicht beide Kolben die gleiche, sondern einander entgegengesetzte Bewegung ausführen, was dem
Massenausgleich sehr zugute käme.
Und warum gibt es solche Motoren nicht schon längst? Vielleicht, weil er doch mehr Investitionen erfordert als z.B. eine Verkleinerung von vier auf drei Zylinder. Die Idee des Downsizings ist noch nicht so
sehr alt und die enormen Möglichkeiten der Turbo-Aufladung bei kleinen Motoren kriegen wir gerade erst zu spüren. Man musste sich offensichtlich an die damit verbundenen Belastungen herantasten. Der
Schritt von drei auf zwei Zylinder ist beim Dieselmotor auch noch etwas weiter entfernt als beim Benziner.
| Für manche neuen Entwicklungen des Verbrennungsmotors ist es vielleicht schon
zu spät. |

Oben sehen Sie den so ziemlich größten Viertakter, in diesem Fall von MTU, im Bereich der Schiffsmotoren. Er hat ca. 350 Liter Hubraum verteilt auf zwanzig Zylinder. In der stärksten Version bringt er es auf 9100 kW
bei 1150/min. Nicht selten werden drei davon z.B. auf einem schnellen (Fähr-) Schiff zusammengeschaltet. Ist mehr Leistung bis etwa 73500 kW (100.000 PS) z.B. bei einem großen Containerschiff nötig, baut man
sogenannte Langsamläufer ein, die eine solche Leistung bei etwa 100/min bringen.

Das ist dann so viel Drehmoment, das zwischen Motor und Schiffsschraube kein Getriebe eingebaut wird. Zum Bremsen bzw. Rückwärtsfahrt stoppt man den Motor und fährt ihn in der entgegengesetzten Drehrichtung
wieder an. Und genau hier, wo es auch auf die Beanspruchung von wenig Frachtraum ankommt, da benutzt man seit vielen Jahren den Zweitakt-Dieselmotor.

kfz-tech.de/PDM39
Es hat in den Fünfzigern des vorigen Jahrhunderts Zweitakt-Dieselmotoren gegeben, die zwar hinsichtlich der Leistung mit den Viertaktern mehr als gut mithalten konnten, nicht aber bezüglich der
Haltbarkeit. Ihr Drehmoment war so groß, dass ein mit den Hinterrädern eingegrabener Krupp u.U. seinen eigenen Achsantrieb beim Versuch des Anfahrens zerbrach.
kfz-tech.de/YDM14
kfz-tech.de/YDM15
Pumpe-Düse 1

kfz-tech.de/PDM40
Das Prinzip der Pumpe-Düse hat eine weitaus längere Tradition als Common Rail. Eigentlich wurde es sogar noch zu Rudolf Diesels Lebzeiten erfunden. Bei nicht allen Dieselmotoren sind und waren die
Pumpenelemente zu einer Einspritzpumpe zusammengefasst. Sobald der Motor eine gewisse Größe überschreitet, trennen sich die Elemente und werden zu sogenannten Steckpumpen (Bild unten), die von der
Motor-Nockenwelle angetrieben werden. Darüber gibt es auch Pumpen mit jeweils eigenem Antrieb.

kfz-tech.de/PDM42
Weil das Prinzip schon so lange existierte, natürlich auch ohne Elektronik, waren die Pumpe-Düse-Anlagen denen mit Common Rail anfangs überlegen. Mit ihrem höheren Einspritzdruck generierten sie damals
mehr Leistung. Bis auf die Tatsache, dass der ganze Zylinderkopf dem neuen Prinzip angepasst werden musste, hatte der Gedanke Potenzial, den Druck exakt dort aufzubauen, wo er gebraucht wurde.
Legendär die Verbräuche der PD-Diesel von VW, aber auch ihr rauer Ton. Leichte Verunsicherungen kamen durch die höhere stoßartige Belastung des Zahnriemens, die einen teilweisen Übergang zurück zum
Kettenantrieb für die Nockenwelle mit sich brachte. Und dann kam die Euro-5-Norm mit Partikelfilter, die der Pumpe-Düse endgültig den Garaus machte. Zur Regeneration des Filters wurden Einspritzungen
erforderlich, die so spät zu erfolgen hatten, dass deren Abbrennen erst im Abgasstrang gesichert war.
Und genau das konnte die Pumpe-Düse nicht mehr leisten. Ihr Hub dauert nicht ewig und nur in der Zeit ist eine Einspritzung überhaupt möglich. Später hat es zwar auch bei Common Rail Ersatzlösungen
gegeben, die verhinderten, dass nicht verbrannter eingespritzter Dieselkraftstoff z.B. das Motoröl verdünnt. So verlagert Toyota die zusätzliche Einspritzung in den Abgastrakt, genauer gesagt in den
Abgaskrümmer am vierten Zylinder.

| Pumpe-Düse Element für einen Lkw |
kfz-tech.de/PDM43
Seitdem das System Pumpe-Düse heißt, ist die Einspritzung selbst zwar immer noch mechanisch-hydraulisch, aber die Regelung elektronisch. Irgendwie typisch ist die Sperrflügelpumpe (Bild unten), obwohl
der Kraftstoff natürlich auch von Pumpen anderer Bauarten mit 3 bis 8 bar zu den PD-Elementen hätte gefördert werden können. Ein abgerundetes Dreieck wird von der Nockenwelle angetrieben und bildet durch
die federbelasteten Sperrflügel links und rechts zwei voneinander unabhängige Pumpenräume jeweils mit Saug- und Druckseite.

Schaut man die für eine Kraftstoffförderung ungewöhnliche Obergrenze von 8 bar an, dann sind die Anforderungen im System Pumpe-Düse wohl etwas höher als z.B. bei Common Rail. Das liegt offensichtlich
daran, dass die Förderpumpe nach dem Ende der Einspritzung den Kraftstoff z.B. ohne Kavitation (gasförmiger Zustand durch zu viel Unterdruck) in die Verästelungen des Pumpenelements bringen muss.

Insgesamt scheint das System mit höheren Widerständen zu arbeiten wie Common Rail, denn dort brauchten nur die ersten Systeme mit Hochdruckregelung einen Kraftstoffkühler (Bild unten) im Rücklauf. Bei
Pumpe-Düse kommt das auch in späteren Systemen noch häufiger vor.

Womit wir uns dem eigentlichen Aufbau am Motor selbst widmen können, denn der Rest der Kraftstoffförderung ist bei allen Anlagen ähnlich. Es gibt grundsätzlich zwei Methoden, den Kraftstoff den einzelnen
Pumpenelementen zuzuführen, durch Bohrungen im Zylinderkopf oder eine separate Leitungsführung, wie sie unten als Vor- und Rücklauf ausgeführt ist. Letztere dürfte den Wärmeübergang vom Zylinderkopf
zum Kraftstoff wohl deutlich reduzieren.

Unten im Bild wird noch einmal deutlich, welche Veränderungen der Zylinderkopf über sich ergehen lassen musste. Die Nockenwelle erhielt einen zusätzlichen Nocken, der sogar etwas kräftiger ausgebildet ist
als der für ein Ventil. Zwei obenliegende Nockenwellen, wie heute bei Dieselmotoren üblich, wären schon schwierig zu integrieren gewesen, eine evtl. Umschaltung auf Nullnocken etc. ebenfalls.

kfz-tech.de/PDM44
Während die Ventile direkt angesteuert werden, geschieht das beim jeweiligen Pumpenelement über Rollen-Kipphebel. Dabei sind die Kolbenfedern denen der Ventile nicht unähnlich. Bei diesem Zylinderkopf ist
der Kraftstoff-Vorlauf integriert. Auch die elektrischen Leitungen und deren Steckkontakte befinden sich in dem öligen Teil des Zylinderkopfs.

Hier sind die einzelnen Sensoren und Aktuatoren aufgeführt. Unter den letzteren sind natürlich die wichtigsten die Magnetventile an den einzelnen Zylindern. Außer einer auch bei anderen Einspritzverfahren und
tiefen Temperaturen nötigen Heizung für den angesaugten Kraftstoff wird hier nicht viel mehr angesteuert.
An ganz wichtigen Sensoren finden sich der Fußfahrgeber und die Temperatur des Kühlmittels. Möglich wäre auch bei dieser Anlage eine Einbeziehung der Kraftstofftemperatur. Unabdingbar für die Berechnung
des Einspritzbeginns sind natürlich Kurbel- und der hier nicht eingezeichnete Nockenwellensensor. Unten ein Bild eines Pumpe-Düse-Elements für Pkw.

kfz-tech.de/PDM45
Pumpe-Düse 2

kfz-tech.de/PDM3
Die Diagnose, die zum Austausch der Elemente der Pumpe-Düse führt, lassen wir jetzt einmal beiseite. Es gibt eine Menge Gründe dafür, aber eine Fehldiagnose liegt hier auch nahe. Es wurde z.B. schon
erwähnt, dass der Kabelbaum im Öl liegt. Da man den mit austauscht, kann man vorher auch einmal probieren, ob die aufgetretenen Fehler nicht durch dessen Austausch allein zu beheben sind.

kfz-tech.de/PDM46
Ob und wie z.B. Kompression gemessen werden soll, was relativ risikoreich mit dem Ausbau der Glühstifte verbunden wäre, oder ob man sich z.B. den Anlasserstrom über die entscheidenden Takte der vier
Zylinder anschaut, es wäre jedenfalls gut zu wissen, ob der innere Motor überhaupt noch einigermaßen intakt ist.
Auch haben moderne Dieselmotoren so viele zusätzliche Bauteile, die ihren einwandfreien Lauf behindern können, wie z.B. den Luftmassenmesser, den Partikelfilter und die Anlage zur Abgasrückführung. Auch
auf die bloße Meldung aus dem Fehlerspeicher sollte man sich nicht verlassen, zumal die bei einem Defekt an den Pumpenelementen ohnehin für das Steuergerät schwierig ist.

Also vorausgesetzt, die Elemente an einem PD-TDI müssen getauscht werden, Ähnlichkeiten mit Arbeiten an Injektoren von Common Rail nicht ausgeschlossen. Allerdings muss vor dem Abbau der
Ventildeckeldichtung noch die für den Zahnriemen abgenommen werden. Keine Angst, der gesamte Nockenwellentrieb bleibt unbehelligt. Nur die Rollen-Kipphebel bzw. deren beide Wellen müssen raus.
Voraussetzung ist, dass diese nicht auf Spannung stehen, also vorher die Kurbelwelle so drehen, dass die beiden Nocken der Kipphebel einer Welle im Wesentlichen nach unten stehen. Danach auch die
Schrauben für die beiden PD-Elemente lösen und diese selbst womöglich mit einem Spezialwerkzeug zur Herausnahme vorbereiten. Je älter der Motor, umso mehr Masse muss der Schlaghammer haben. Aber
mit Geduld und Spucke . . .

kfz-tech.de/PDM47
PD-Elemente gibt es aufgearbeitet und geprüft etwa zum gleichen Preis wie CR-Injektoren. Wir haben mit letzteren, immer von der gleichen, uns als renommiert erscheinenden Firma gute Erfahrungen gemacht.
Und der Preisunterschied zu neuen ist ein schlagendes Argument. Aber bitte, vor dem Einsetzen der neuen bitte Schacht und vor allem untere Dichtfläche peinlichst säubern.
Der Einbau ist komplizierter als bei CR. Nicht nur, dass die zum Zylinderkopf senkrechte Lage und deren Beibehaltung während des Anziehens der Schrauben kontrolliert werden muss, sondern am montierten
Kipphebel muss die Einstellschraube in der untersten Stellung des Kipphebels ganz rein-, um einen bestimmten Betrag rausgedreht und dann gekontert werden.

kfz-tech.de/PDM48
Klar, man muss unter allen Umständen verhindern, dass der Nocken noch drückt, während der Pumpenkolben schon ganz unten ist. Ansonsten gelten wieder die gleichen Regeln wie bei CR, also alle Schrauben
neu, mit einem ungewöhnlich geringen Drehmoment anziehen und dann noch eine bestimmte Drehung hinzufügen. Der Rest ist einfach, nämlich Ventildeckel mit neuer Dichtung und Abdeckung des
Zahnriemens wieder drauf.
kfz-tech.de/YDM37
Hier noch einmal die Erklärung für die Überprüfung der Rechtwinkligkeit. Wer die Elemente demontiert, bemerkt, dass sie nur einseitig auf ihre Dichtung ganz unten gedrückt werden. Wird der rechte Winkel nach Anziehen
mit Drehmoment nicht überprüft, könnte die Dichtungen im Schaft teilweise unwirksam werden. Das Video oben erklärt das und die Firma bietet eine Lösung zu gleichmäßigem Druck an.
kfz-tech.de/YDM38
Common Rail 1

kfz-tech.de/PDM41
Es ist die 'Gemeinsame Schiene' über die der Kraftstoff in den Brennraum gelangt. Gemeint ist hier eine Versorgungsleitung größeren Querschnitts, die schon unter dem Druck steht, mit dem auch
eingespritzt wird. Der hohe Druck wird also für alle Zylinder gemeinsam erzeugt. Diese Leitung sollte so dimensioniert sein, dass der Einspritzvorgang in einem Zylinder keine zu große Druckabsenkung des
Gesamtsystems zur Folge hat. Das ist ein erheblicher Gegensatz zu früheren Anlagen und auch Pumpedüse, wo der hohe Druck für jeden Zylinder einzeln erzeugt wird.
So sehr sind die Drücke nicht gewachsen, denn in früheren Anlagen war der Düsenöffnungsdruck angegeben, nicht aber der Einspritzdruck, der das Doppelte bis Vierfache betragen konnte. Deshalb haben
die Pumpen damals auch eine Erhöhung des Düsenöffnungsdrucks verkraftet, z.B. beim Betrieb von Kraftstoffen anderer Viskosität. Schwer zu sagen, wo im Moment die Grenze liegt. Die allermeisten
Anlagen kommen mit Drücken bis 2300 bar aus. Der absolute Mindestdruck bei bestimmten Betriebszuständen dürfte bei 200 bar, meist aber auch etwas höher liegen.

Da wir schon bei den Drücken sind, sollten hier die 3 bis 6 bar Förderdruck erwähnt werden, die entweder elektrisch von einer Intank-Pumpe oder mechanisch von einer Zahnrad-, Rotor- oder
Flügelzellenpumpe erzeugt werden. Oben im Bild ist das komplette System dargestellt. Es geht beim Tank unten rechts los zur mechanischen Förderpumpe oben, hier direkt von der Kurbelwelle
angetrieben.

Die Zahnradpumpe ist mit ihrer gleichmäßigen Förderleistung im Gegensatz zur Kolbenpumpe ideal geeignet, die Zufuhr von Kraftstoff zu der Hochdruckpumpe zu gewährleisten. Man sieht es deutlich, das
rechte, hellere Rad treibt mit Linksdrehung an, damit beide Räder in den Zahnlücken den Kraftstoff nach oben befördern können und einen möglichen Rücklauf durch Kämmen miteinander verschließen.
Unten rechts ist also der Ein- und oben rechts der Ausgang, beide durch Pfeile auf den Anschlüssen rechts gekennzeichnet.

Das ist jetzt eine Flügelzellenpumpe. Deren Innenteil ist schon korrekt etwas exzentrisch angeordnet, die vier Flügelzellen leider nicht. Sie müssten sich jetzt vorstellen, wie diese durch Zentrifugalkraft
nach außen gedrückt werden und damit vier Räume gegeneinander abdichten. Dort, wo es bei Drehung im Uhrzeigersinn so langsam ziemlich eng wird, wäre dann der Auslass, eine viertel Umdrehung
weiter dann der Einlass.

Aus- und Einlass können nicht nur durch Bohrungen realisiert werden. Im Grunde wären es zwei Taschen links und rechts, jeweils durch 90° des Kreisumfangs voneinander getrennt (Bild oben). Es muss
so sein, dass immer einer gerade geöffnet wird, wenn der andere gerade schließt, sonst entsteht ein die Mechanik eventuell zerstörender Flüssigkeitsdruck.

Das ist eine Saugstrahlpumpe. Die funktioniert nur, wenn es eine andere Pumpe schon gibt. Diese fördert in dieser Skizze den Kraftstoff von oben kommend nach rechts. Entscheidend ist die Verengung,
die durch ihre Düsenwirkung (Bernoulli-Effekt) in der von unten kommenden Leitung einen Unterdruck erzeugt. Der könnte an einer anderen tiefen Stelle eines vergleichsweise großen und flachen Tanks
Kraftstoff abgreifen oder bei dem zweiten, durch Kardanwelle vom ersten getrennten Tank.
kfz-tech.de/YDM36
Common Rail 2

Das wichtigste Unterscheidungsmerkmal gegenüber allen anderen Anlagen ist die Entkoppelung von Druckerzeugung und Einspritzung. Wegen der Zeit dazwischen wird eine solche Anlage auch 'Speicher-
Einspritzsystem' genannt. Sie kam insofern zur rechten Zeit, als heutzutage bestimmte Hersteller ganz späte Nacheinspritzungen zur Regeneration der Partikelfilter für nötig halten, die mit den anderen
Systemen nicht möglich sind.
Es bleibt natürlich die Frage, ob man z.B. eine mögliche Ölverdünnung nicht vermeiden und direkt in das Abgassystem einspritzen sollte. Trotzdem bleibt die freie Wahl beim Programmieren der
Motorsteuerung mit im Prinzip gleichbleibendem Druck nicht das wichtigste Faszinosum von Common Rail. Hinzu kommt natürlich die Möglichkeit von bis zu sieben (!) Einspritzungen und damit
verbundener entscheidender Beeinflussung des Motorlaufs.
Bekanntestes Beispiel für die Vorteile liefert VW mit seinem spektakulären Schwenk von Pumpe-Düse zu CR, übrigens danach die komplette Lkw-Elite ebenfalls. Und es geht ja nicht nur um den stets
gesicherten Einspritzdruck, sondern auch um dessen frei wählbarer Anpassung an die verschiedenen Betriebsbereiche, was nicht zuletzt auch eine Verbesserung des Wirkungsgrads bringt.

kfz-tech.de/PDM52
Ganz grob beschrieben ist beim CR-System zwischen Pumpe und Düse, die übrigens immer noch ziemliche Ähnlichkeit mit den Lochdüsen von früher hat, ein elektrisches Schaltelement hinzugekommen.
Auch ist die Pumpe nicht so viel anders als früher wieder autark, also nicht auf die Stellung der Nocken- oder Kurbelwelle des Motors angepasst. Trotzdem wird sie von einer der beiden angetrieben wie
früher auch.
Es ist eben keine genaue Zuordnung nötig, die Pumpe muss nur Druck erzeugen. Dieser ist dann, je nach System, auf der Hoch- oder der Niederdruckseite regelbar. Übrigens sehen manche
Hochdruckpumpen denen in Radialkolbenpumpen verteufelt ähnlich. Das ist bei Kolbenpumpen anders, weil die früher schön in einer Reihe oberhalb einer Nockenwelle, heute um eine solche Welle in der
Mitte herum angeordnet sind. Ein Nocken ist jetzt statt für nur ein Pumpenelement für mehrere zuständig.
Wirklich neu sind also nur die Schaltelemente kombiniert mit den Lochdüsen, die diese zu 'Injektoren' werden lassen. Verrückt, dass ein konstruktiv relativ einfaches Rohr der Anlage ihren Namen gegeben
hat und dieser inzwischen sogar noch zur Benzin-Direkteinspritzung hinüber strahlt. Seine Dimensionierung ist schon in Common Rail 1 erwähnt.
Es ist schon wahr, dass je nach Hersteller die Dieselmotoren eine Sanftmut fast wie Benzinmotoren an den Tag legen, der, wenn die nicht gleich so gut sind, dass sie z.B. im Leerlauf überhaupt nicht
mehr hörbar sind. Ob das der Hauptgrund für den Wechsel von VW war? Inzwischen ist die Pumpe-Düse aus dem Fahrzeugbereich (auch beim Lkw) so gut wie verschwunden.
Vielleicht hat ja ein weiteres wichtiges Kennzeichen der CR-Anlage neben der Aufteilung der Haupteinspritzung mit dazu beigetragen. Es wurde schon erwähnt, welche Geräusche so eine Anlage
produzieren kann. Aber bei CR ist es mit diesen heftigen Druckschwankungen ein- für allemal vorbei. Die Hochdruckpumpe baut kleiner und erzeugt einen gleichmäßigen Druck und das Absteuern durch
Einspritzen hat wenig bis gar keinen Einfluss auf sie.
Dafür ist ein anderes Bauteil jetzt wesentlich gestresster, die elektrische Schalteinheit. Im Laufe der Entwicklung gibt es die wichtigsten mit Magnetventil, dann piezogesteuert und schließlich wieder mit
Magnetventil, letzteres wohl kostengünstiger und inzwischen auch konkurrierend schnell. Dabei haben Piezokristalle die physikalisch günstigere Eigenschaft, sich blitzschnell bei dem Anlegen von
Spannung längen zu können, allerdings um einen so geringen Betrag, dass man Hunderte von ihnen braucht, um eine Düse vernünftig öffnen zu können.
Als Fahrer/innen brauchen wir nur zu wissen, dass wir während des Motorlaufs bei einer solchen Anlage den Stecker auch nur eines Injektors nicht abziehen dürfen, weil der sonst dauereinspritzt. Am
besten macht man das ohnehin bei keiner der Anlagen, also für jede Veränderung an der Einspritzanlage bitteschön den Motor abstellen. Sicher, man muss heutzutage zum Starten jedes Mal die Kupplung
oder die Bremse drücken, aber so viel Mühe sollte man sich schon geben.
Common Rail 3

kfz-tech.de/PDM51
Es kann viel geregelt und eingestellt werden bei Common Rail, so ist sie konzipiert. Da gibt es bei den ersten Anlagen nur den Hochdruck, der durch ein Druckregelventil an der Hochdruckpumpe oder am
Rail gehalten wird. Stellen Sie sich also ein Ventil vor, dessen Kugel von einem Elektromagneten auf ihrem Sitz gehalten wird.
Sofern man eventuelle Dampfblasen nach dem Abschalten der Anlage nicht in den Rücklauf entlassen will, soll im Rail ein gewisser Restdruck erhalten bleiben, denn alles, was schon vorhanden ist, muss
beim erneuten Motorstart nicht erst wieder hergestellt werden. Dann wirkt also zunächst eine Feder auf das Kugelventil, die zur deutlichen Erhöhung bzw. dauernden Veränderung des Raildrucks im Betrieb
von den E-Magneten unterstützt wird.
'Pulsweitenmodulation' heißt das Zauberwort für den Aufbau von höchst unterschiedlichen Drücken je nach Betriebszustand. Da kommt das Tastverhältnis ins Spiel, das die Spannungsversorgung für den
Magneten so schnell ein- und wieder auszuschalten vermag, dass der die Schließkraft der Feder in einem weiten Bereich verstärken kann. Da ergeben sich dann, wenn sinnvoll, die enormen Drücke, die im
Zusammenhang mit CR immer genannt werden. Natürlich muss die Hochdruckpumpe solche Drücke auch klaglos liefern können.
Womit wir beim Stichwort wären. Man setzt nämlich ab der zweiten Generation CR nicht mehr allein auf die Hochdruckregelung, weil es eigentlich vom energetischen Standpunkt her unsinnig ist, erst einen
Druck aufzubauen, um ihn dann auch nur teilweise in den Rücklauf abzulassen. Will man ihn dafür erst gar nicht erzeugen, dann ist eine Regelung auf der Niederdruckseite erforderlich. Übrigens spart man
dann auch den Kraftstoffkühler ein, der sich in der ersten Generation um den zusätzlichen Wärmeeintrag, durch den abgelassenen Hochdruck kümmern musste.

| Durch Glycerin gedämpftes Hochdruck-Manometer |
Im Gegensatz zur Hochdruckregelung ist hier je nach Hersteller neben einer Pulsweitenmodulation auch eine reine Zeitsteuerung möglich. Jetzt kann zumindest die Elektrik bei der Hochdruckregelung
entfallen, außer es kommt besonders auf das Tempo der Regelung z.B. beim kurzzeitigen Gaswegnehmen an. Da ist die Hochdruckregelung der im Niederdruckbereich etwas überlegen.
Jetzt könnte man meinen, der sicherste Weg, Druckschwankungen während des Einspritzvorgangs zu vermeiden, sei es, den Rail so groß wie möglich auszulegen. Aber zu bedenken ist hierbei, dass hier
nach dem Abschalten entweder ein besonders geringer oder gar kein erhöhter Druck herrscht, der Betriebsdruck also während des Startvorgangs erst wieder aufgebaut werden muss. Das Rail-Volumen
muss deshalb so knapp wie möglich bemessen werden, damit ein rasches Anspringen des Motors ermöglicht wird.

kfz-tech.de/PDM53
Ob der Rail jetzt länglich (Bild ganz oben) oder kugelförmig (Bild oben) ausgebildet ist, hat auf seine Funktion keinen Einfluss. Wichtig ist nur, dass für jeden Zylinder, die Leitung von der Hochdruckpumpe,
den Raildrucksensor und das gerade besprochene Ventil Anschlüsse vorhanden sind. Erstaunlicherweise bemühen sich die Hersteller wie früher bei den Einspritzpumpen um etwa gleiche Leitungslänge
zwischen dem Rail und den einzelnen Injektoren, bisweilen trotzdem mit großer Ähnlichkeit zwischen den einzelnen Leitungen.
Womit wir bei den neben der Hochdruckpumpe wichtigsten Teilen einer CR-Anlage wären. Oben aus dem Zylinderkopf heraus ragt jeweils der elektrische Teil der Injektoren. Der ist, wie immer bei hart
arbeitender Elektromechanik, recht wärmeempfindlich. Da verspricht das Herausragen schon ein wenig Kühlung, die aber durch die heute übliche obere Motorabdeckung gleich wieder behindert wird.
Erstaunlich genug, dass die Schaltung als eines der wenigen Teile eines Injektors offensichtlich nicht ausgetauscht werden kann, also eine heute übliche, deutlich billigere Reparatur durch Ersatz von Teilen
nicht möglich ist.

Also hier steht der Raildruck mit einem für den jeweiligen Betriebszustand richtigen Druck an. Er muss nur noch durch die mindestens fünf Sacklöcher (Bild oben) auf die eigentlichen Brennräume in den
einzelnen Kolben verteilt werden. Wichtiger Zusatz: Es kommt nicht nur auf die Mengen, sondern auch auf die Zeit an. Im Dieselmotor gibt es die vom Benzinmotor her bekannte Verteilung auf
Gemischbildung und Zündung nicht. Beides wird seit alters her allein durch die Einspritzanlage erledigt. Dabei entspräche das Wieviel der Gemischbildung und das Wann der Zündung.
Ganz so einfach ist das allerdings nicht, denn auch beim Benzinmotor wird oft schon mehrfach gezündet. Betrachtet man also die Teilmengen eines Einspritzvorgangs, dann kann durch deren
Mengenverteilung auch die Zündung gesteuert werden, die hier 'Förderbeginn' genannt wird. Förderbeginn ist also eigentlich nicht der Punkt des ersten Einspritzens, sondern müsste wohl die Einspritzung
genannt werden, die das eigentliche Durchbrennen des entstehenden Gemischs bewirkt.
Zur Beschreibung eines Injektors greifen wir auf die im Kapitel 'Verfahren' beschriebene Lochdüse zurück. Deren Nadel wird jetzt sehr stark verändert, so dass die Düse immer noch ein wenig in den
Brennraum hineinreicht, aber gleichzeitig an ihrem oberen Ende die Schaltung oberhalb des Zylinderkopfs Zugang zu ihr hat. Jetzt könnte man meinen, dass diese Schaltung ganz einfach angesteuert im
Falle einer nötigen Einspritzung die Nadel gegen eine Feder anhebt. Das geht so aber nicht, weil die Ströme samt der dazu nötigen Energie viel zu hoch sein müssten.
2000 bar oder noch viel mehr lassen sich also nicht so ganz einfach durch eine 12V-Anlage öffnen und schließen. Also greift man zu einem Trick. Man gibt den Raildruck einerseits von oben auf die volle
Fläche der Nadel und andererseits von unten auf eine Teilfläche. Diese ergibt sich, weil die Nadel ganz unten im stets mit Kraftstoff gefüllten Raum wesentlich dünner als darüber ist. Dadurch entsteht nach
oben hin ein Kreisring, den man Druckschulter nennt.

Es ist also die vornehmste Aufgabe dieser Druckschulter, mit Hilfe des Raildruck zu versuchen, die Düsennadel anzuheben. Da aber deren Fläche kleiner ist als die oben auf der Düse, wo ebenfalls
Raildruck herrscht, bleibt die Düsennadel geschlossen, zumal sie auch noch zusätzlich durch eine Feder nach unten gedrückt wird. Aber, der Druck von unten wirkt entlastend. Dessen Kraft muss schon
einmal nicht mehr vom elektrischen System aufgebracht werden.

Es wird sogar noch etwas einfacher, weil das Magnetventil nämlich überhaupt nicht auf die Nadel wirkt, sondern nur den Schließdruck oberhalb der Nadel dadurch absenkt, dass es ihn zum Rücklauf hin
öffnet. Jetzt ist die Kraft des Drucks von unten größer als die der Feder und die Düsennadel wird angehoben. Durch eine entsprechende Drosselung des Raildruck-Zulaufs oben wird verhindert, dass die
Nadel wieder schließt. Das geschieht erst, wenn die Elektronik den Zugang zum Rücklauf wieder schließt.
Die elektronisch gesteuerte Elektromechanik steuert also die Zu- bzw. Ableitung von Kraftstoffdruck und nur die Differenz zwischen zwei von oben und einer von unten wirkenden Kräften muss überwunden
werden. Schnell muss das System sein. Der Pkw-Dieselmotor dreht zwar nicht hoch, jedoch liegt die Nenndrehzahl der meisten zwischen 3600/min und 4400/min. Nehmen wir als gute Mitte die 4000/min,
dann sind das 67/s und 0,067/ms, was immerhin 24° Kurbelwinkel ausmacht.
Etwas weniger Zeit mit Spannungsanstieg und -abfall braucht eine Voreinspritzung, etwas mehr eine Haupteinspritzung. Jetzt verteilen Sie die einmal mit auch nur etwas Zeit dazwischen, da sind bei
Nenndrehzahl kaum mehr als zwei Haupteinspritzungen sinnvoll. Das sieht bei geringerer Drehzahl natürlich etwas anders aus. Aber auch ein Piezo-Injektor kann es nicht wesentlich schneller.
Natürlich können und sollen Nacheinspritzungen erst gegen Ende des Arbeitstaktes und Voreinspritzungen schon deutlich vor OT erfolgen. Letztere sorgen für eine Erhöhung von Temperatur und
Verwirbelung. Dann hat es die Haupteinspritzung leichter. Weniger Zeit vergeht, bis sie zündet (Zündverzug) und das geschieht dann auch nicht so heftig. Man kann also heutzutage das akustische und
schwingungstechnische Verhalten eines Dieselmotors recht genau steuern.
Common Rail 4

Alle anderen Einspritzsysteme gibt es auch in rein mechanisch-hydraulischer Form ohne Elektronik. Nur bei Common Rail ist das unmöglich. Bosch schreibt zwar noch 1999, die 'Einspritzmenge wird vom
Fahrer vorgegeben', aber das ist schon damals längst Geschichte. Besser sollte es heißen, dass ein Wunsch des/der Fahrers/in nach einem bestimmten Drehmoment an das Motor-Steuergerät adressiert
wird, aber die Umsetzung obliegt allein der Digitalelektronik. Man muss nur das Gaspedal stark wechselnd bedienen, um z.B. die 'Ruckeldämpfung' spüren zu können.
Am besten kann man das mit einem kurzen Schwenk zum Benzinmotor erklären. Ob dort nämlich der Wunsch nach mehr Drehmoment durch eine Öffnung der Drosselklappe, eine Veränderung des
Zündzeitpunkts oder andere Steuerzeiten umgesetzt wird, das kriegt der/die Fahrer/in gar nicht mit. Wird z.B. der Turbolader mit noch mehr elektrischer Steuerung oder gar mit einem elektrischen Antrieb
versehen, wird die Sache noch undurchsichtiger.
Oben im Bild sehen Sie eine kleine Auswahl ankommender und abgehender Signale. Dabei fehlt sogar noch der lebenswichtige Sensor an der Nockenwelle, ohne den die Steuerung z.B. den ersten nicht
vom vierten Zylinder unterscheiden kann. Nach erfolgtem Motorstart könnte man hier allerdings bei vielen Fahrzeugen den Stecker ziehen. Wie gut, dass einen die Fehlerlampe frühzeitig auf einen Defekt
hinweist, denn starten würde der Motor dann nicht mehr.
Mit der heute immer vorhandenen Aufladung sind neben dem Ladedrucksensor und der Abgasrückführung die Lambdasonde bzw. der Klopfsensor hinzugekommen. Aus der einstmals noch einigermaßen
nachvollziehbaren Berechnung der Grundmenge für die Einspritzung ist durch zusätzliche Beaufschlagung und Abzüge längst ein undurchschaubarer Wust geworden. 'Kennfelder' nennt man die Wegweiser
zur richtigen zeit- und mengenmäßigen Einspritzung. Seit sie im elektronischen Speicher hintereinander abgelegt werden, spielt die Zahl der Dimensionen bzw. Parameter eigentlich keine Rolle mehr.
Common Rail erfüllt also Funktionen, die mit mechanisch-hydraulischer Regelung unmöglich zu erfüllen wären, wobei von den diversen Meldungen und Regelungen im Abgassystem und den gesetzlichen
Vorschriften für nicht firmenspezifische Fehlermeldungen noch gar nicht die Rede war. Heute wird schon angezeigt, wenn auch nur eine drucklose Leitung im Kraftstoff-Rücklauf offen ist, von größeren
Leckagen ganz zu schweigen. Der Geräuschkomfort wurde so gesteigert, dass z.B. ein V6-Dreiliter von Audi nach einem Kaltstart nicht signifikant lauter ist als bei Betriebstemperatur.
Womit wir beim meist allerdings ausgelagerten Management für das Glühsystem wären, was vom Vorglühen zum Nachglühen avanciert ist, weil ein moderner CR-Dieselmotor bis -5°C ersteres gar nicht
mehr braucht. Oder die Wegfahrsperre, die natürlich etwas tiefer in die Motorsteuerung integriert werden musste. Es reicht ja nicht, wenn man nur den Hauptstrom blockiert. Der Tempomat kam eigentlich
gratis ins System, auch wenn heute noch Aufpreis dafür verlangt wird. Er wird einfach zwischen Fahrpedal und System integriert, ist allerdings inzwischen durch Abstands- und GPS-Regelung um einiges
komplizierter geworden.
Wenden wir uns der Hauptsache zu, dem Einspritzvorgang. Schon die Aufteilung zwischen Vor- und Haupteinspritzung war eine Neuerung, wenn man von Pumpe-Düse und vorsichtigen Entwicklungen bei
der Verteilerpumpe absieht. Im Prinzip sind also bei Common Rail nicht nur Einspritzmenge und -zeitpunkt unabhängig voneinander, sondern auch Einspritzdruck und -menge. Es gibt auch keinen Anstieg
des Einspritzdrucks wie bei konventionellen Systemen, sondern der Druck bleibt während einer Einspritzung konstant, kein (unnötiger) Spitzendruck belastet Bauteile.
Interessant ist die Einspritzmenge besonders dann, wenn sie auch noch aufgeteilt wird. Gehen wir von einer Fahrt über die Autobahn in einer gestandenen Diesel-Limousine oder einem SUV mit 120 km/h
Durchschnittsgeschwindigkeit aus und nehmen einen Verbrauch von 6 Liter/100km an. Das wären dann 5 Liter/h oder 83 cm3 bzw. 83.000 mm3 pro Minute. Bei einer angenommenen
Motordrehzahl von 2.000/min kommen bei vier Zylindern 4.000 Einspritzungen in der Minute zusammen, was etwas über 20 mm3 für eine Einspritzung ergibt.
Wohlgemerkt, das ist ein Würfel mit 4,5 mm Kantenlänge. Und man erwartet natürlich, dass die Motorsteuerung alle Drehzahlen von sagen wir 900/min bis 2000/min nahtlos abdeckt. Leider können wir
nicht wie vielleicht früher, in Fahrt bei nicht betätigter Kupplung von einem Leerlaufverbrauch ausgehen. Nehmen wir trotzdem einen Liter pro Stunde an, dann muss das Steuergerät von 900 bis 2000/min
insgesamt 22-mal die Einspritzmenge von 9 auf 20 mm3, also alle 50/min um einen halben Kubikmillimeter, ein Würfel mit 0,7 mm Kantenlänge.
Dabei muss man eine Lanze für die alten Systeme brechen, denn das konnten auch die schon. Niemand hat damals ein sprunghaftes Verhalten bei besonders feinfühligem Gas geben verspürt. Gleichzeitig
sieht man aber auch an diesem einfachen Rechenbeispiel, warum es so lange gedauert hat, ein Einspritzsystem zu entwickeln wie den Dieselmotor selbst. Aber das ist längst nicht mehr das Problem in
modernen Einspritzsystemen. Da ist inzwischen die zeitliche Steuerung fast noch wichtiger geworden.
Um nicht noch einmal rechnen zu müssen, nehmen wir die schon in Common Rail 3 ermittelten 24° Kurbelwinkel in einer Millisekunde bei 4000/min. Das sind dann 12° bei 2000/min. Jetzt gibt es nach
Bosch zwei Grenzwerte, nämlich dass eine Vorlagerung bis 90° KW möglich, aber die Voreinspritzung nur bis zu 40° KW sinnvoll ist, weil sonst Ölverdünnung droht. Das war noch vor der Zeit der
Nacheinspritzungen. Andererseits ist eine Haupteinspritzung bis allerhöchstens 40° nach OT noch sinnvoll.
Gehen wir wie im Kapitel Common Rail 3 von einer Millisekunde für eine Einspritzung aus, dann wären bei 80° zwar gut 6 Einspritzungen möglich, aber wir müssen auch noch die Pausen dazwischen
berücksichtigen. Sie sehen also, so ganz frei ist die Bestimmung der Einspritzungen nicht, wenn man auch noch bedenkt, dass zum Leerlauf hin die Gesamtmengen auf 9 mm3 schrumpfen und
sich die Zeit bei höheren Drehzahlen bis 4000/min halbiert. Die Aufteilung der Einspritzmengen in Vor- und Haupteinspritzung wird also mit Sicherheit über die Drehzahl unterschiedlich sein.
Helfen würde eine Einspritzzeit unter einer Millisekunde. Bei Voreinspritzung mit nur 1 bis 4 mm3 ist das wohl möglich. Sie dient der Erhöhung des Kompressionsdrucks, was wiederum die
Hauptverbrennung wenig schlagartig macht, was man fachlich korrekt einen geringeren Zündverzug nennt. Und alles, was das Gehör weniger belastet, wirkt sich im Prinzip auch weitgehend positiv auf die
Belastung der Bauteile und evtl. auch auf den Verbrauch aus. Am Ende findet der Dieselmotor ein wenig stärker zu der schon immer von ihm geforderten Gleichdruckverbrennung.
Eine Schraube
Blau

Man hört oft, dass unsere heutigen Fahrzeuge nicht mehr so reparabel wie früher seien. Ist das nun ein Argument der Faulheit und/oder weil man genug Geld hat? Tatsache ist natürlich, dass die Autos
komplizierter geworden sind und man höllisch aufpassen muss, mit den Kosten für eine Selbstreparatur nicht über die von anerkannten Werkstätten zu geraten. Allerdings, Ratgeber, wenn auch nicht
immer kluge, gibt es zuhauf.
Das soll jetzt hier an einem konkreten Fall vorexerziert werden. Stellen Sie sich eine höchst seltsame Fehlentwicklung vor. Da gerät jemand bei sommerlicher Hitze in einen Stau vor und in einer Baustelle.
Da er es sehr eilig hat, tritt er danach etwas kräftiger aufs Gaspedal. Gerade, als der Fiesta vor ihm Platz macht und er richtig durchstarten könnte, bleibt ihm die Motorkraft weg.
Die Kontrollleuchte für das Wohlbefinden des Motors geht an und er hat alle Hände voll zu tun, von der linken der dreispurigen Autobahn auf die Standspur zu wechseln. Es ist der Beginn einer längeren
Feindschaft mit der Diesel-Einspritzanlage. Irgendwie bemerkt er, dass der Motor immer noch läuft und es in Kürze einen Parkplatz geben wird. Also durchhalten und bis dahin tuckern.
Natürlich fördert das Öffnen der Motorhaube keinerlei Ergebnisse zutage. Sieht alles ganz normal aus. Der Motor läuft übrigens immer noch. Also rein ins Auto und bis zur nächsten Ausfahrt. So langsam
gewöhnt man sich an das, was da 'Notlauf' genannt wird. Das Ausdrehen eines Ganges über 2000/min wird mit bremsender Verweigerung bestraft. Schaltet man rechtzeitig, kommt der nächste Gang kaum
aus den Pantinen.
Das haben die VW-Ingenieure offensichtlich genau so gewollt. Das Fahren im Notlauf soll einem madig gemacht werden. So ein Vierzylinder hat dann nicht die Leistung eines Drei- sondern eher eines Ein-
bzw. Zweizylinders. Mit Mühe und Not entkommt man auf ebener Bahn gerade noch den Lkws. Bergauf wird es regelrecht gefährlich. Auf dem Weg nach Hause gibt es eine Steigung, die das Tempo
irgendwann auf 60 km/h drückt, auf der Autobahn wohlgemerkt.
Zum Glück ist Samstag. Doch bei dieser geringen Geschwindigkeit laufen trotzdem Lkws auf. Es gelingt gerade noch die Flucht auf eine Raststätte auf halber Höhe. Aus der wie aus einer Boxengasse
möglichst ohne Lkw wieder herauszukommen, erweist sich als schwierig. Am besten (und vor allem sicherer) fährt man Landstraße.
Ohne weitere Probleme zu Hause angekommen, geht es an die Fehlersuche. Falls man noch kein Auslesegerät besitzt, kann man hier schon den ersten Fehler begehen, nämlich eins kaufen, was nur das
kann. Warum? Weil es einen defekten Injektor als Ursache angibt, der dann irgendwie ersetzt werden und der Austausch dem Steuergerät mitgeteilt werden muss. Kann Ihr frisch erworbenes Gerät das
nicht, müssen Sie allein schon dafür in die Werkstatt oder ein weiteres Gerät kaufen.
Langsam, ganz langsam aber nähern wir uns dem Knackpunkt, für den unbedarften Reparateur noch längst nicht sicher. Der vergewissert sich gerade, dass ihm das Diagnosegerät auch die Wahrheit sagt.
Und da (bei VW) immer zwei Injektoren zusammen befestigt werden, tauscht er die von Zylinder 1 und 2. Deren Ausbau ist in diesem Fall einmal nicht das Problem, denn der Motor hat noch keine 50.000
km gelaufen.
Warum dann schon ein Injektor den Geist aufgibt, dazu kann nur die Analyse des Bosch-Dienstes eine Antwort geben. Er könne leider der Bitte nicht nachkommen, den Injektor repariert
zurückzuschicken, denn die Schaltung sei defekt. Also puzzelt er einen anderen zusammen und schickt ihn, insgesamt etwas teurer als vorher im Internet avisiert. Aber immer noch meilenweit vom
Werkstattpreis entfernt.

kfz-tech.de/PDM54
Da der 'neue' Injektor Garantie hat, baut man ihn vielleicht nicht direkt ein, sondern verdreht die Einspritzleitung samt Injektor so, dass er in ein größeres gläsernes Gefäß einspritzt und dabei beobachtet
werden kann. Ohne aufgesetzten Stecker sieht man jetzt, ob er dicht ist und mit Stecker kann man immerhin sicherstellen, dass er zerstäubt und nicht 'pinkelt'.
Erstaunlich einwandfrei arbeitet er, kann also eingebaut werden. Eine neue Kupferdichtung ist auch dabei. Leider aber keine für den zweiten, intakten Injektor. Eigentlich wäre jetzt eine Fahrt zu VW fällig,
denn die Dehnschraube zwischen beiden Injektoren soll grundsätzlich immer erneuert werden. Übrigens kippt erst etwa zu der Zeit das Gebot von VW, auch die Einspritzleitungen erneuern zu müssen.
All das erfährt unser Proband erst viel später, als sich die Schwierigkeiten türmen. Bislang ist er noch so frohen Mutes, dass er dem zweiten Injektor seine Dichtung belässt und mit der vorhandenen
Schraube nach einer provisorischen Reinigung der Dichtsitze die Injektoren einbaut. Und wie ist das mit dem Drehmoment? Als ich das letzte Mal auf einem Messestand aufgefordert wurde, eine
Radschraube nach Gefühl auf 100 Nm anzuziehen, waren daraus beim Nachmessen 130 geworden.
Die Konstruktion übersteht nur wenige Fahrten in die Stadt. Dann gibt es einen Schlag und der Wagen kommt gerade noch bis zum Parkplatz eines E-Einzelhandels. Diesmal ist auch kein Notlauf mehr
möglich. Zur Strafe nach Hause laufen und Werkzeug mitbringen. Die Schraube ist gebrochen, zum Glück an einer durch die Zange leicht zu erreichenden Stelle. Sie wird durch eine aus dem
Werkzeugkasten für die kurze Fahrt bis nach Hause ersetzt. Noch schlimmer hat es den Rücklauf getroffen. Die paar kleinen Leitungen samt Verbindern müssen nachher für fast 100 Euro (!) ersetzt
werden.
Der Mensch ist so, jedenfalls die meisten. Sie müssen erst mit dem Kopf gegen einen Laternenpfahl rennen, bevor sie diesen richtig ernst nehmen. Jetzt ist endgültig die Fahrt zu VW fällig. Dort erfährt
man, dass die fragliche Schraube nur mit 8 Nm (!) angezogen werden darf, plus einer halben Umdrehung. Natürlich hat in der Regel niemand einen dafür geeigneten Drehmomentschlüssel. Aber man hält
sich ja für schlau. Immerhin ist da noch die Schraube für die anderen beiden Injektoren. Deren Drehmoment (nach der halben Umdrehung = gut 15 Nm) lässt sich ermitteln.
Alles zusammengebaut und diesmal sogar eine Sicherung angebracht, eine Art Quersteg, der zusätzlich auf die Schraube wirkt. Dadurch verhindert man beim nächsten eventuellen Bruch der Schraube zu
viel Bewegung der Injektoren und bewahrt die Rücklaufleitungen vor erneuter Beschädigung. Denn genau das ist passiert. Warum? Weil eben Gewinde unterschiedlich sein können und die halbe
Umdrehung das ausgleichen soll.

Die Stimmung ist auf dem Nullpunkt. Zusätzlich hat die ganze Zeit ein gewisses Ruckeln im fünften Gang bei 80 km/h das Fahren begleitet und die Vermutung einer inneren Undichtigkeit der Brennräume
gegenüber der Entlüftung des Kurbelgehäuses. Das wurde erst mit den neuen Dichtungen etwas besser. Jetzt wird entschlossen ein Set zur kompletten Reinigung der Injektorschächte vor dem Einbau
(Bild oben) angeschafft.

Natürlich muss auch ein Drehmomentschlüssel her, der 8 Nm einregeln kann. Aber sollte man da zu einem Billigprodukt greifen, dass vielleicht nicht oder nur unzureichend geeicht ist? Nachher ist die
nächste Schraube wieder perdu. Die Leute bei VW wundern sich schon über den merkwürdigen Kunden mit den überwiegend gleichen Ersatzteilen. Also wird ein Qualitätsprodukt (Bild oben) angeschafft
mit 8 Nm inmitten der Skala, freilich im Internet zu einem erstaunlich günstigen Preis.

Bleibt der festsitzende Schraubenrest, diesmal weiter innen abgebrochen. Da Versuche erfolglos bleiben, ihn mit Stahlstift und Hammer zu drehen, geht's ab zum örtlichen Händler für Eisenwaren. Der hat
allerdings nur den oben abgebildeten Schraubenausdreher. Beim Linksbohrer (Bild) muss er passen, kann auch nicht bestellen, weil nur im Paket lieferbar. Also wieder Internet und warten.
Nach Tagen kann die Reparatur fortgesetzt werden. Alles läuft gut, nur sind die Gummiringe zur Abdichtung der Zylinderkopfhaube gegenüber den Injektoren defekt. Nach längerem Hin und Her im Internet ein Set
zum Austausch der in den Ventildeckel eingeclipsten Kappen entdeckt. Leider sind die nicht so schön fest wie die originalen, können aber mit entsprechender Umwicklung abgedichtet werden.
Ob sich das alles gelohnt hat? Nein, Spaß gemacht hat es nicht immer. Und die Kosten, die haben vermutlich Werkstattniveau erreicht. Vielleicht haben die Leute ja doch Recht: 'Ein modernes Auto selbst zu
reparieren lohnt sich nicht'.
kfz-tech.de/YDM16
Common Rail 5

Wer viel im Internet recherchiert, stößt auch auf viel Unverständliches, sei es, weil das Geschriebene von einem/r zu Klugen oder eher Unwissenden verfasst ist. Bleibt nur die Hoffnung, es in diesem Buch
etwas besser machen zu können. Thema: die nachträgliche Anmeldung von Injektoren. Das hatten wir zwar schon, aber es soll hier noch einmal als einzelnes Thema etwas gründlicher behandelt werden.
Vor allem bietet die klare Benennung des Themas die Möglichkeit, dass nur die wirklich Interessierten und die unmittelbar Betroffenen hier weiterlesen.
Wie schon erklärt, müssen Injektoren angemeldet oder besser der Motorsteuerung bekannt gemacht werden, weil sie bei der Fertigung offensichtlich nicht so exakt hergestellt werden können, dass sie in
den Regelbereich der elektronischen Steuerung passen. Vielleicht muss man sich das so vorstellen: Ein Motor wird mit irgendwelchen Injektoren gestartet. Das wäre dann der Startwert für ein Feintuning,
das vom Steuergerät durchgeführt wird. Dafür müssen allerdings Grenzwerte eingehalten werden.
Ohne dass der Motor erst einmal läuft, ist eine solche Rückkopplung nicht möglich. Ohnehin muss man zu große Ausreißer vermeiden. Bei der Fertigung sind offensichtlich die Toleranzen so groß, dass
dem Steuergerät ein Bereich vorgegeben werden muss. Übrigens kommt es aus diesem Bereich auch nicht mehr heraus. Sind also Injektoren falsch klassifiziert, gehören z.B. eigentlich dem Nachbarbereich
an, so werden diese vermutlich bis an den Rand zu diesem Regelbereich verändert und mehr geht nicht.
Daraus ergibt sich: Immer dann ist eine Meldung an die Motorsteuerung erforderlich, wenn ein Injektor getauscht worden ist. Dabei ist es egal, ob ein alter gegen einen neuen oder umgekehrt gewechselt
wurde. Beim Reparieren von Injektoren könnte es komplizierter werden, denn dabei sind feinste Mess- und Einstellarbeiten nötig und auch evtl. eine neue Düse. Schwierig zu beantworten, wie die den
Einklang mit der aufgedruckten Klassifizierung erreichen. Immerhin haben die Prüfstände, können also nach Datenblättern messen und vermutlich auch die Eintragung oben auf dem Injektor ändern.
Anders ist es eigentlich nicht denkbar. Also dürfte die Beantwortung der Frage, wann Injektoren neu eingetragen werden müssen, ganz klar sein. Wer sie nur ausbaut, reinigt und wieder einbaut, kann sich
die Mühe sparen. Übrigens ist es eigentlich schwer vorstellbar, dass ein Injektor 'gereinigt' werden kann, wenn man noch nicht einmal mit bloßem Auge die Sacklöcher sehen kann, scheint die Aktion
ziemlich sinnlos, vielleicht sogar nachteilig. Man kann sicherlich deren Sitz und Umgebung im Zylinderkopf säubern und damit größeren Schwierigkeiten bei zukünftigen Demontagen vorbeugen, mehr aber
auch nicht.
Noch eins: Wer ganz akribisch an die Sache herangeht, kann die sechsstelligen Codierungen des neuen und alten Injektors vergleichen und dann evtl. feststellen, dass sie der gleichen Gruppe angehören.
Soll hier aber nicht behandelt werden, weil wir die Sache grundsätzlich angehen wollen. Also codieren wir und überprüfen dabei auch gleichzeitig, ob die beibehaltenen Injektoren richtig eingetragen sind.
Natürlich ist höchste Sorgfalt beim Ablesen und Eintragen des sechsteiligen Codes (Bild oben) erforderlich.
Da dürfen dann keine Rechtschreibfehler passieren, obwohl wir auch schon erlebt haben, dass Code abgewiesen wurde, also vermutlich nur ganz bestimmte zugelassen werden. Und wenn Sie dann losfahren, fühlt
sich der Motor wieder einmal zunächst vielleicht kurz besser, dann aber meist deutlich schlechter an. Der Grund könnte sein, dass sich die Motorsteuerung an irgendwelche alten Werte gewöhnt hat und natürlich keine
andere Chance hat, die auf die neuen Codierungen zu übertragen.
Wir können aus unserer Erfahrung nur dazu raten, sich mit wechselnden Tempi zu bewegen, wobei die gleiche Drehzahl im Vierten und im fünften vermutlich für das Steuergerät keinen Unterschied darstellt. Es gibt
auch keine feste Kilometerzahl, in der sich die Programmierung umgestellt hat. Bisweilen hat sie suggeriert: 'Wir haben verstanden', ist aber am nächsten Tag wieder in ihre alte Position zurückgefallen. Guter Rat
dazu: Vielleicht bewusst z.B. kritische Bereiche aufsuchen, sofern der übrige Verkehr das zulässt. Mit nur Autobahn 130 km/h kann das Steuergerät Macken bei 80 km/h nicht heilen.
Fehlersuche
kfz-tech.de/PDM4
Jawohl, wir beginnen mit Prüfungen im Bereich des Hochdrucks, obwohl Sie vielleicht lieber, dem Aufbau einer solchen Anlage folgend, zuerst den Niederdruck abfragen möchten. Sie können ja, zumindest bei
einer elektrischen Pumpe, einmal horchen oder z.B. am Pumpenrelais messen, ob diese überhaupt läuft. Auch könnten Sie sich die Rücklaufmenge anschauen, womit Sie aber nicht eine ungünstig arbeitende
Regelung des Förderdrucks erkennen können.
Sollte der Förderdruck mit Ihrem Instrumentarium leicht auslesbar sein, dann nur zu. 3 bis 5 bar je nach Datenblatt sind zu erreichen. Was für ein Defekt angenommen wird? Ganz einfach, der Common-Rail
Diesel springt trotz munter drehendem Anlasser nicht an. Kompression verschwindet in der Regel nicht so einfach. Also war sie gestern noch da, braucht man eigentlich heute auch nicht als erste zu messen.
Wenn Sie darauf bestehen, dann aber wiederum nur den Anlasserstrom während der einzelnen Verdichtungstakte. Wir wollen nicht nur schnell zur Ursache, sondern auch so wenig wie möglich (de-) montieren.
Auf keinen Fall Glühstifte oder Injektoren. Aber auch möglichst keine Leitungen öffnen. Und wenn, dann nur jenseits des Bereichs vom Kraftstofffilter bis zu den Injektoren, der Druckbegrenzung bzw. des/der
Rückläufe.
Warum eigentlich so vorsichtig? Erstens der Aufwand, zweitens die nötigen Manometer bis 2.500 bar und drittens der Schutz vor Verunreinigung durch selbst kleinste Schmutzpartikel. Es gibt bei Reparaturen
kaum etwas Schlimmeres, als wenn man sich währenddessen weitere Fehler einhandelt. Schon wenn diese Partikel vor Ankunft in einem der Injektoren durch ein Sieb aufgehalten worden sind und verstopfen,
sucht man sich die Seele aus dem Leib.
Bisher haben wir also noch nichts geschafft, aber jetzt steuern wir zielsicher auf das Objekt unseres Verlangens zu, dem Raildrucksensor. Der soll alles richten, am besten ausgelesen über die Diagnose. Dem
nicht anspringen wollenden Motor ist es nämlich egal, ob der Niederdruck elektrisch oder mechanisch erzeugt wird und wie schwierig hier eine Messung ist. Der will, sagen wir mindestens 180 bar Druck im Rail
haben, der beim Einspritzen mangels zu geringer Förderung auch nicht nachlassen darf.
Sollen wir einmal wetten, dass Sie hier den Beginn Ihrer Fehlersuche schon geschickt gewählt haben? Denn sollten diese beiden Bedingungen erreicht werden und der Motor trotzdem nicht anspringen, dann
kann entweder der Raildrucksensor selbst Ihnen etwas vorgaukeln, was gar nicht da ist, oder der Kraftstoff im Rail erreicht den jeweiligen Brennraum nicht. Wir könnten jetzt auch die Signale der Injektoren
überprüfen, entscheiden uns aber für eine Betrachtung der Rücklaufmengen.
Warum jetzt doch das Leitungssystem öffnen und nicht bei der elektronischen Messung bleiben? Erstens kann man an den Rückläufen nichts verkehrt machen und zweitens sagt das ankommende Signal
nichts über die tatsächliche Öffnung bzw. die Dichtigkeit. Also was erwarten wir? Regelmäßig leicht tröpfelnde Rückläufe, unglaublich geringe Mengen. Tröpfelt irgendwo nix, dann kommt da vielleicht auch nix
an oder der Injektor steht offen. Übrigens, sogar bei einem Piezo-System mit 10 bar Rückstau kann man kurzzeitig diese Methode anwenden.
Bleibt der Raildrucksensor zunächst übrig. Wenn wir dem über die Diagnose nicht glauben, können wir uns dessen Signal direkt ansehen. Geht das wirklich von Null kurz vor dem Start auf den letztlich
angezeigten Wert? Wir können mit dem Oszilloskop schauen, ob er irgendwelche Schlenker macht, die einen Defekt verraten würden. Von den Pinnen kommt der in Frage, der gegen Motormasse 0 V ergibt.
Die Signalspannung sollte je nach Hersteller mindestens 1 bis 1,5 Volt betragen.
Bleibt nur noch die wesentlich wahrscheinlichere Annahme, dass der erforderliche Raildruck während des Startens nicht erreicht wird. Es könnte Druck entweder nicht erzeugt werden oder verloren gehen.
Letzteres angenommen, kommt das Hochdruckventil in Verdacht. Zum Glück lässt sich sein Schließen relativ leicht dadurch überprüfen, dass man seinen Rücklauf überprüft. Da beim Starten dessen
Abregelwerte bei weitem nicht erreicht werden, darf hier kein Kraftstoff austreten.
Bevor man es aber austauscht, sollte man messen, ob überhaupt ein Signal ankommt, denn sollte das nicht der Fall sein, kann so ein Ventil auch schon beim geringen Druck während des Startens öffnen.
Wenn Sie bis jetzt den Fehler nicht gefunden haben, könnte es doch etwas teurer als zunächst angenommen werden. Ein letzter Rettungsanker vor dem Tausch der Hochdruckpumpe wäre, auch deren
Ansteuerung zu überprüfen. Ferner könnten Sie sich noch nach möglichen Teilkäufen zu Ihrer Pumpe wie z.B. das Mengensteuerventil erkundigen und solche noch überprüfen.
Bevor Sie sich aber dieser Mühen und enormer Geldausgaben unterziehen: Es könnte ja sein, dass die Hochdruckpumpe nicht genug Kraftstoff erhält. Die einfachste Lösung auch z.B. für eine
Benzineinspritzung ist es, einmal jenseits des Druckkreislaufs zu schauen. Sie müssten also den Rücklauf des Niederdruckkreises erwischen, nur den. Kommt hier genug Kraftstoff durch, dann kann nur noch
die Druckregelung defekt sein.
Egal, ob der Druck im Hochdruckkreis geregelt wird oder nicht, Sie könnten ein einfaches Rückschlagventil einbauen oder sogar die Leitung provisorisch abknicken und sehen, ob der Motor dann anspringt.
Ansonsten wären noch die Menge pro Minute ohne Motorstart zu ermitteln und zu vergleichen. Wird die nicht erreicht, geraten der Kraftstofffilter, die Leitungen und/oder die Niederdruckpumpe in Verdacht. Wird
Sie erreicht, dann haben Sie schon jetzt unser Bedauern wegen eines hochwahrscheinlichen Defekts der Hochdruckpumpe.
| Es gibt auch Repair-Kits für CR-Pumpen. |
CR-Reparatur

kfz-tech.de/PDM55
Nein, ein Ratgeber für Reparaturen wollen wir gar nicht sein, dazu ist der Themenkomplex viel zu umfangreich. Außerdem müssten wir dann erst einmal juristisch erklären, dass wir für Folgeschäden nicht haften.
Aber eines vorneweg: Wer, wie vielfach z.B. im Internet zu besichtigten, auf jede scheue, laienhafte Formulierung den Rat gibt, dieses oder jenes Teil zu tauschen, den soll gefälligst der Teufel holen und den, der
diesen Rat befolgt, gleich mitnehmen.
Auch bei den tollsten Fehlern, die wir in diesem Buch z.B. im Kapitel 'Eine Schraube' erzählen, haben wir diesen Fehler nicht gemacht. Und auch nicht dem ersten Hinweis aus dem Fehlerspeicher getraut,
sondern durch Zusatztests validiert. Was so ein Fehlerspeicher anrichten kann, das haben wir im Kapitel 'Glühen' gesehen.
Auch wollen wir hier keine Systementscheidung fällen, wie man zu einer Aussage über das Fehlverhalten einer Diesel-Einspritzung kommt. Früher war das einfacher, allerdings auch mit mehr Demontage
verbunden. Natürlich ist die Reihenfolge der Test-Szenarien einigermaßen klar. Wer nicht viel Geld ausgegeben hat, besitzt zumindest eine OBDII-Schnittstelle, die Fehler auslesen kann. Gut wenn auch noch
die im Kapitel 'Glühen' angesprochenen Zusätze möglich sind.
Viel profihafter wird es mit einer an die Marke gebundenen Testmöglichkeit. Dann sind auf jeden Fall der von uns neben dem Auslesen des Fehlerspeichers so sehr gewünschte Bereich des Messens und wohl
auch eine Stellglieddiagnose möglich. Königlich ist der Besitz oder Zugang zu einem Prüfstand, was allerdings früher z.B. für Einstellarbeiten unabdingbar war, heute aber wohl nicht mehr so sehr.
Bedenken Sie doch bitte die Bauteile, die betroffen sein können. Da gibt es neben einem Steller für Raildruck eine gute Hand voll Sensoren und Injektoren, sowie je eine Kraftstoffpumpe für Hoch- und
Niederdruck. Letztere kann man durch Auslesen oder auch z.B. mit einem Manometer überprüfen. Während der Fahrt ist natürlich die Softwarelösung vorzuziehen. So könnte man auch beim Hochdruck
vorgehen, wobei gedämpfte Manometer sogar bis 1500 bar erschwinglich sind und immerhin schon einen weiten Bereich abdecken.
Weg vom Fehlerspeicher gehen wir jetzt mal einen anderen Weg. Immerhin haben wir es 'nur' mit Kraftstoff und nicht auch mit elektrischer Zündung zu tun. Verfolgen wir also dessen Weg. Stimmt der Druck in
der Förderleitung, wird genügend gefördert? Am Ende des Filters offen oder weiterverbunden gemessen hätten wir dann schon einen wichtigen Teil abgearbeitet. Dazu finden sich übrigens in der Regel auch keine
Daten bei Hersteller-Software.
Vom Hersteller oder nur OBD-Software wird, falls vorhanden, im Folgenden allerdings immer wichtiger, denn durch die angegebenen Werte wird gleichzeitig auch der Sensor überprüft, von dem diese Werte
stammen. Sind die Temperatur, die Motordrehzahl oder die Prozentangaben des Fahrpedals plausibel? Hier besteht also die Möglichkeit des fast sofortigen Eingriffs, die Überprüfung von Kabel und
Steckverbindung vorausgesetzt.
China-Ware?

Nein, das Bild zeigt keine China-Ware. Es gibt das Kabel zwar vielleicht auch geklont aus chinesischer Produktion, aber dieses hier ist echt. Dazu später mehr. Kaum zu glauben, zu welchen Preisen
Auslesegeräte aus China angeboten werden. Man hat da vielleicht schon bei den Oszilloskopen eine ähnliche Erfahrung gemacht. Natürlich bemüht man sich hierzulande, diese mit Kritik zu belegen, was
aber nur teilweise berechtigt ist.
Wer sich z.B. mit dem Gedanken oder der Notwendigkeit herumschlägt, solch ein Gerät anzuschaffen, sollte schon über ein geraumes Maß an Geduld oder noch besser Lernbereitschaft verfügen. Nicht
immer kann man bei diesen Preisen eine Hotline mit kundigen Telefonpartnern/innen erwarten, von Sprachschwierigkeiten ganz abgesehen. Da gibt es Leute, die von der beiliegenden CD eine ansprechende
Wirkung erwarten. Tut sie das mangels Autostartfunktion nicht und kommt dann auch noch eine Anzeige von 0 Byte auf der CD, ist das für diese Klientel ein Grund für rigoros schlechte Bewertung und dem
Versuch, durch Zurückschicken den Kaufpreis erstattet zu bekommen.
Immerhin trifft man eine unmittelbar über z.B. Google vom Chinesischen ins Deutsche übersetzten Bedienungsanleitung seltener an, wobei Google auch besser geworden ist. Aber gefasst machen kann
man sich schon darauf, z.B. bei dem oben gezeigten Gerät, dass wichtige Schritte z.B. beim Einfügen der Treiber nicht oder nicht in der richtigen Reihenfolge erwähnt sind. Ganz Clevere haben es geschafft, diese
Aufgabe für fast dreiste 40 Euro IT-Kundigen anzudienen, aber insgesamt bleibt es ein Problem, bis die Software läuft und die Verbindung steht.
Das hört sich jetzt schon wieder etwas zu optimistisch an, denn man sollte schon Diagnose, also etwas Auslesen, von Codierung, also etwas eingeben, unterscheiden, ganz abgesehen von der
Möglichkeit, dass es zwar angeboten, aber nicht übernommen wird. Wie stelle ich denn nun sicher, dass so ein Gerät nach erfolgreicher Installation auch wirklich die Codierung von Injektoren ändern kann?
Schwierig, aber nicht unmöglich. Im Fall des oben gezeigten Gerätes war es möglich, bei Amazon die Kundenrezensionen durchzugehen und es fand sich tatsächlich eine, die eine erfolgreiche
Neukodierung erwähnte.
Gut verstehen kann man, dass dieses ganze Prozedere einen zu viel wird mit teilweise langer Probiergeduld und dem dauernd anwesendem Zweifel, ob diese China-Ware denn überhaupt etwas tauge.
Manche betrachten auch die dafür aufgewendete Zeit als nutzbarer anwendbar. Für die gibt es allgemein anerkannte, von den Profigeräten abgeleitete Tools, aus z.B. herunterladbarer Software und
verdongelter Hardware. Letztere sieht dann wie ein Kabel mit einem kürzeren und einem längeren Stecker aus, ist aber nicht mal eben für 50 Euro zu haben.
Ein wenig Schuld trifft auch die Hersteller, denn der Durchblick durch Geräte, die sich höchstens teilen dürften in ein günstigeres Gerät zur Diagnose und ein teureres auch zur Codierung, ist ziemlich
schwierig. Beispiel gefällig: Sie können bei Ross-Tech HEX-V2 nur Kabelverbindung und HEX-NET auch für kabellosen Betrieb kaufen. HEX-CAN USB ist ein günstigeres, aber veraltetes Gerät, dass
seine Funktion nur für Fahrzeuge bis 2011 zuverlässig erfüllt. Immerhin konnten Sie damit aber noch beliebig viele Fahrzeuge untersuchen.
Bei den neuen Geräten muss man sich zwischen drei, zehn oder einer unbegrenzten Zahl von Fahrzeugen entscheiden. Wählt man, was gar nicht selten vorkommt, nur drei Fahrzeuge, so spart man zwar
über 100 Euro, muss aber, wenn man nachher upgraden will, weit über 200 Euro löhnen, obwohl die Umstellung nur über Internet bzw. E-Mail erfolgt. Da hilft auch das Argument eines guten Supports nicht,
der natürlich wirklich eine Menge Geld kostet.
Fast noch komplizierter ist es unter der Marge von einem angerechneten Fahrzeug zu bleiben. So kann man z.B. den Fehlerspeicher einsehen und löschen und Messwerte auslesen. Natürlich gehört die
Veränderung der Injektoren zu den anzurechnenden Features. Also am besten belegt man erst einmal einen Kurs und überlegt sich genau, was man mit dem Gerät vorhat, bevor man 400 bis 500 Euro
ausgibt. Außerdem werden bisweilen auch gebrauchte Geräte angeboten, allerdings mit dem Risiko schon 'verbrauchter' Fahrzeuge.
Schraube abgerissen

Der Albtraum des/der Mechanikers/in: Die Schraube ist so abgerissen, dass man noch nicht einmal das Ende davon packen und sie herausdrehen kann. Möglich wäre es, den kompletten Rahmen für die beiden
Nockenwellen abzuschrauben, aber geht es nicht einfacher? Doch zunächst einmal der Schwur, dass die Schraube mit absolut korrektem Drehmoment angezogen war.
Wir sind schließlich keine Anfänger mehr, haben nacheinander alle vier Injektoren tauschen müssen, natürlich jedes Mal immer nur eine. Inzwischen haben wir schon eine Art Standardwerkzeug, aber eben nicht für das
Ausbohren des Gewindes. Beim letzten Injektor hat der Reparateur eine neue Schraube mitgeschickt. Wir machen diese in hohem Maße für das Desaster verantwortlich.
Lassen Sie diese beiseite und holen Sie sich eine neue bei VW zu diesmal einem wirklich erschwinglichen Preis. Letzteres ist ja nicht selbstverständlich, wenn man an die Dichtringe aus Kupfer unten am Injektor
denkt. Die wurden ebenfalls mitgeliefert und haben sich bewährt. Wir mussten eine Kappe für den Ventildeckel erneuern, da war VW zwar deutlich billiger, aber die Qualität von Elring im Netz wesentlich besser.
Der von VW klemmt einfach nicht richtig.
Nein, die Methode mit dem kleineren Vorbohren und dem Linksausdreher hat sich nicht bewährt. Der Stumpf saß trotz 8 Nm und einer halben Umdrehung so fest drin, dass wir Angst hatten, er würde abbrechen und
wir müssten Teile von ihm noch mit ausbohren. Vermutlich hat der Ausdreher den Stumpf zusätzlich geweitet. Ein Bild des Zylinderkopfes ohne Ventildeckel zeigen wir nicht.
Da ist ein wenig Scham dabei, weil wir den ersten Teil der Bohrung, die durch den Befestigungsrahmen der Nockenwellen geht und der noch kein Gewinde enthält, ziemlich vermurkst haben. Es ist halt nicht so
einfach, mit der Handbohrmaschine erst einmal einen sauberen Beginn hinzukriegen. Je nach Beschaffenheit der Bruchstelle nützt auch Ankörnern nicht viel.
Nachdem es also so schien, dass wir wohl für M8 (Video unten) aufbohren müssten, haben wir noch einmal überlegt. Immerhin war ja von dem ursprünglichen Gewinde noch nichts versaut. Die Lösung kam uns beim
Betrachten der Situation. Es fielen uns zwei Schrauben ziemlich nah bei unserer Reparaturstelle auf und die führten schließlich zu einer Lösung.

Ein Flacheisen, in unserem Fall fünf Millimeter dick (es wäre auch mehr möglich), wurde mit drei Bohrungen versehen und so ausgesägt, wie oben dargestellt. Damit ließ es sich exakt so über der Reparaturstelle
anbringen, dass für den 5-mm-Bohrer eine sehr gute Führung möglich war. Wir wählten einen Bohrer mit sehr kurzen Schneiden, so dass unsere Führungsbohrung nicht aufgeweitet wurde.

Übrigens, wenn Sie die Länge der Bohrung bestimmen wollen, beachten Sie, dass es sogar zwei Längen von Schrauben gibt. Bei uns hat auch die längere gepasst. Und nehmen Sie Vor-, Mittel- und Fertigschneider
als dreiteiligen Satz, damit Sie mit dem Gewinde weit genug nach unten kommen. Denn schwergängig darf es bei 8 Nm zulässigem Drehmoment natürlich nicht sein.
Als flankierende Maßnahme werden unsere Injektoren nur noch mit einer anschließenden viertel, statt einer halben Umdrehung angezogen. Bis jetzt funktioniert es.
kfz-tech.de/YDM17
Schreck des Lebens

Da bezeichnet jemand etwas als 'Schreck seines Lebens', man schüttelt den Kopf und brummt nur: 'Wenn Dir nichts Schlimmeres passiert, kannst Du zufrieden sein'. Was ist denn passiert? Er ist mit seinem
schon etwas älteren VW gefahren und plötzlich hat es gerumpelt im Motorraum und die Warnleuchten sind angegangen.
Nach dem Entfernen der Abdeckung haben dann zwei Injektoren auf dem Zylinderkopf gelegen. Leicht zu identifizierender Fehler: Die dafür zuständige Schraube ist abgerissen. So weit so schlecht, denn es tritt
dabei auch noch Diesel aus, was das ganze Bild noch etwas verunstaltet. Klar, das Fahrzeug muss abgeschleppt bzw. Huckepack genommen werden.
Die erst einmal gute Nachricht, unsere Beispielperson entschließt sich, das Ding zuhause zu reparieren. Wir haben nur den Dialog verfolgt und keineswegs vor, uns über ihn lustig zu machen, im Gegenteil. Aber
es wird sich zeigen, wie nah und doch wie weit man heutzutage gleichzeitig von handwerklichen Fähigkeiten weg sein kann. Um die Sache noch etwas zu verfremden, haben wir versucht, den Gang der Ereignisse etwas
zu ändern.
Unserer Meinung liegt die Tragik dieses Falles an einem Mangel an Grundverständnis und Erfahrung und der Möglichkeit,
sich durch ein Forum im Internet sowohl helfen als auch verwirren zu lassen. Wir erleben das sogar bei Wikipedia. Da gibt es Berichte von ausgezeichneter Qualität. Aber nur, wenn man Glück hat, dann sind die
auch so geschrieben, dass man sie versteht. Bei anderen ist das wiederum leichter, aber die vereinfachen halt sehr stark.
Bleiben wir bei unserem Probanden. Er ist schon weit gekommen, konnte den Rest der Schraube sogar ohne Demontage des Ventildeckel herausbekommen. Erfreulicherweise hat er auch die Injektoren markiert, damit
jeder dem richtigen Zylinder zugeordnet wird. Er wäre im Prinzip fast fertig, mit neuen Dichtungen und Schraube. Sogar das (recht kritische) Vorgehen beim Anziehen besagter Schraube wird ihm richtig
mitgeteilt.
Alles könnte so schön sein, wäre da nicht ein Problem, von dem unser Mann erst berichtet, als er gleichzeitig mitteilen muss, dass der Motor zwar problemlos anspringt, aber ziemlich hämmernde Geräusche
macht und Diesel bzw. blaue Wolken ausstößt. Er hat nämlich den einen Injektor nicht einbauen können und wohl mit Gewalt nachgeholfen.
Schlimm wäre, er hätte oben auf den Injektor gehauen. Überhaupt ist Gewalt dieser Situation vollkommen unzuträglich. Es gilt der Grundsatz, dass Fähigkeiten zum Reparieren eine Sache nicht dann sichtbar
werden lassen, wenn alles läuft, wie geschmiert, sondern wenn es Probleme gibt. 'Fähigkeiten' bezieht sich hier auf den Kopf, auf das Nachdenken.
Es gibt den Spruch: 'Wie schnell ist nichts passiert'. Umgekehrt wäre er besser, denn es ist nahezu unglaublich, was man in kaum mehr als einer Sekunde mit dem Hintern herunterwerfen kann, was man vorher
mit den Händen mühsam aufgebaut hat. Kommt hier verschärfend hinzu, dass man es nicht so einfach wieder aufheben kann, sondern irgendetwas von jetzt ab dauerhaft beschädigt ist.
Oh, hätte er doch nur innegehalten und sich die Sache noch genauer angesehen! Auch wenn er so klug war, den Injektor nicht ganz oben zu treffen, sondern mit irgendeinem Zwischenteil an einer erkennbar
kräftig ausgebildeten, metallischen Stelle, er hätte es nicht tun dürfen. Allein schon, wenn die Dichtfläche des Injektors am Zylinderkopf beschädigt worden ist, könnte das teuer werden.
Rat? Ja, den gibt es dann im Forum zu genüge. Einer vermutet einen verbogenen Injektor. Na gut, vielleicht zu weit gegriffen, aber immerhin hat man doch zwei ausgebaut, bzw. ausgebaut vorgefunden. Warum
nicht mal kurz zu tauschen versuchen? Sie werden ja wohl nicht beide verbogen sein. Vor allem einmal den Schacht durchleuchten. Hätte man eigentlich schon vorher mit dem Saubermachen tun sollen.
Dann auch ein Blick bei Licht auf den fraglichen Injektor, der da rein muss. Vielleicht alle Dichtungen abnehmen, von denen die untere ohnehin kritisch ist, weil sie leicht reinfällt, bevor sie an ihrem Platz ist.
Sein Pfund war, dass der Motor schon lief. Das hätte durch Verdrehen der Leitung ein Einspritzen in ein Glasgefäß ermöglicht. So ein Spritzbild spricht manchmal Bände.
Wenn das alles nichts bringt, den Injektor mit einem Stück Gewindestange von größerer Güte etwas stärker anziehen und schauen, ob das Gestampfe weniger wird. Alles, nur nicht rohe Kräfte wirken lassen.
Stattdessen setzt eine Kauf-Arie ohne Ende ein, z.B. Gebrauchtes, von einer Bosch-Werkstatt dann geprüft und für funktionslos erklärt. Ist das eigentlich sinnvoll, jemanden prüfen zu lassen, der selbst solche Teile neu
oder instandgesetzt verkauft?
Später weigern sich hinzugezogene Werkstätten, das inzwischen zusammengekaufte Sammelsurium einzubauen. Und die sich nicht weigern, verlangen ein Heiden-Geld. Wer selbst repariert, muss sich
ziemlich sicher sein, dass er die Sache auch erfolgreich zu Ende bringt. Kommt man mit so einem Auto, wenn überhaupt aus eigener Kraft, in die Werkstatt, dann knallen u.U. dort schon die Sektkorken.
Besser geht's gar nicht, keine Reparaturnormen und ein verzweifelter Kunde.
Inzwischen wurde die Fehlersuche auf die beiden absolut nicht betroffenen Zylinder ausgedehnt. Wird dann das Ersuchen um Hilfe auch noch auf weniger spezialisierte Werkstätten ausgedehnt, kommt es zu immer
heftigeren Thesen. Inzwischen ist man bei Metallspänen im System. Was die mit der abgebrochenen Schraube zu tun haben sollen, kein Kommentar. Man wundert sich, dass die Kosten immerhin noch bei 2.000 €
geblieben sind, oder wurde da etwas nicht mitgerechnet?
Das Ende der Geschichte: Der Motor hat in den Händen unseres Probanden und seiner vielen dienstbaren Helfer nie wieder zu seiner alten Stärke zurückgefunden. Was allerdings erstaunt, ist, dass der Wagen
so defekt wie er war, für sogar ein wenig mehr Geld verkauft wurde, als unser Mann mittendrin aufgerufen hatte.
HELICOIL©
kfz-tech.de/PDM64
Wie war doch gleich der letzte Satz des vorigen Kapitels: 'Bis jetzt funktioniert es.' Hat es auch, aber wahrscheinlich hat der uns verlassende Mut, die Montage der beiden Dehnschrauben mit
nur einer viertel statt einer halben Umdrehung anzuziehen, eine gewisse Undichtigkeit hervorgebracht, nicht viel aber bleibend ärgerlich.
Irgendwann klingelt das Gewissen. Man hatte zwar gehofft, die Dichtigkeit würde sich irgendwann schon einstellen, weil ja die Injektoren so festzubacken pflegen, dass man sie nur mit einem
Schlaghammer herausbekommt, aber leider hat sich die bei den undichten nicht erfüllt. Und da wir ja schon Erfahrung mit dem Ausbau von Injektoren hatten, wurde ein neuer Dichtsatz mit
neuen Dehnschrauben bestellt.
Das konnte doch höchstens eine halbe Stunde dauern, zumal nur eine Seite undicht war. Gesagt, getan, beide Injektoren raus, alles gesäubert natürlich einschließlich der Sitze und mit neuen
Dichtungen wieder eingebaut. Und dann die Feuerprobe: Würde das damals nur teilrestaurierte Gewinde die zusätzliche Vierteldrehung aushalten. Um es kurz zu machen, die Schraube ist
ausgerissen. Jetzt hatten wir aus einer kleinen eine größere Reparatur gemacht.
kfz-tech.de/PDM65
Erstaunlich genug, drei der Injektoren saßen nicht fest, aber der am dritten Zylinder. Und wieder einen Fehler gemacht, denn wir verfügen nicht über einen Schlaghammer. Und womöglich auch noch den großen
kaufen und dann Zusätzlich die Motorhaube abbauen, das wollten wir nun erst recht nicht. Unsere Lösung: Natürlich auf keinen Fall auf die Elektronik oben schlagen, aber ihn mit seitlichen Schlägen auf das
gegossene Teil zu einer gewissen Drehung jeweils nach links und rechts veranlassen, das wollten wir ihm schon zutrauen.
Er hat sich nach längerem Tun auch überreden lassen. So war der Weg endlich frei, den Ventildeckel abzunehmen und an unserer Spezialkonstruktion zu arbeiten. Beim vorigen Ausbohren
war uns aufgefallen, dass die Richtung der Bohrmaschine doch reichlich unbestimmt geblieben war. Da diesmal sogar größer vorgebohrt werden musste, haben wir in Ermangelung eines so großen
Metallstücks Hartholz genommen.
Also auf die Ständerbohrmaschine damit, in der Mitte etwas seitlich versetzt mit 6 mm vorgebohrt und dann den beim Helicoil©-Satz mitgelieferten Bohrer verwendet. Aber halt, nicht ganz
durchbohren, um die ursprünglichen 6 mm noch für die exakte Justierung nutzen zu können. So kommt man mit Zurechtschneiden und den beiden Befestigungen am Rand des Zylinderkopfs
zu einer relativ exakten Bohrvorbereitung.
Wer sich mit Gewindesätzen nicht so gut auskennt, findet im Internet genügend Anleitungen dazu. Wir haben also zunächst die große Bohrung in dem Holz zu Ende gebracht und dann
weitergemacht, nicht ohne uns über die Tiefe vorher Gedanken zu machen. Allerdings war der Bohrer bis zum Futter gerade so lang, wie wir bohren durften. Mit immer wieder etwas rein und
wieder raus haben wir es dann geschafft.
kfz-tech.de/PDM66
Leider haben wir nicht auf den kleinen Abstand zwischen Holz und Beginn der Bohrung geachtet, so dass sich doch noch Späne zwischen die Nockenwellen geschlichen haben. Da musste dann
später der Staubsauger mit Spezialaufsatz ran. Das Gewindeschneiden ist auch nicht ganz so elegant gelaufen wie vorher gedacht. Immerhin sitzt nun die Schraube einerseits fest genug,
dass sie nicht wieder ausreißt und bleibt andererseits so leichtgängig, dass man mit nur 8 Nm anziehen kann.
War am Ende alles gut? Nein, denn der Motor ist gar nicht erst angesprungen. Deshalb wieder Fehlerspeicher ausgelesen, der uns auf Englisch einen offenen Injektor-Anschluss meldet. Es lag
also ein elektrischer Fehler vor. Den Ersatzinjektor angeschlossen und der Motor lief. Welchen Injektor haben wir ersetzt? Natürlich den störrischen dritten. Wir hätten vor dem auch seitlichen
Klopfen die Schaltung oben abschrauben sollen.
Und, haben wir den defekten Injektor gegen einen neuen bzw. überarbeiteten ausgetauscht? Nein. Wir brauchen schlicht keinen Ersatzinjektor mehr. Den hatten wir nur immer dabei, um ihn zur Not anstelle eines defekt
gewordenen Injektors anschließen zu können und so den grässlichen Notlauf zu vermeiden.
Jetzt haben wir aber herausgefunden, dass bei unserem Motor ein Widerstand von 120 Ohm ausreicht, um dem Steuergerät einen intakten Injektor zu simulieren. Der Motor läuft also auf drei Zylindern, aber begrenzt nicht
die Drehzahl. Außerdem kann der vorhandene Injektor immer noch dazu benutzt werden, um damit einen hydraulisch defekten zu reparieren.
kfz-tech.de/YDM39
Turbolader

kfz-tech.de/PDM60
So ein richtig fettes Teil, damit wollen wir dieses äußerst wichtige Kapitel eröffnen. Sie werden gebeten, es auch nicht vorzeitig zu verlassen, denn am Schluss halten wir noch ein Highlight für Sie bereit,
das Sie auf keinen Fall verpassen dürfen. Hier wird der Diesel endgültig eine gewisse Verwandtschaft mit einem modernen F1-Motor eingehen.
Geschichtlich hat es ganz harmlos angefangen. Am Rennsport interessierte Ingenieure haben mit so einem Gerät unglaubliche Leistungen aus Rennmotoren herausgeholt. Unter den vielen möglichen
Beispielen sei hier nur der F1-Motor von BMW (Bild unten) erwähnt, aufgebaut aus 'abgehangenen' (ein Begriff aus dem Fleischerhandwerk) GG-Motorblöcken des BMW 1500. Offensichtlich mussten die gebraucht
sein und ein gewisses Alter haben, um den Strapazen gewachsen zu sein, die BMW mit ihnen vorhatte.

Es ist die Zeit der Qualifikationsmotoren, die so eingehend getunt sind, dass sie offensichtlich ein ganzes Rennen nicht durchhalten. Man nutzt sie nur, um den besten Startplatz zur erreichen, sich für das
Rennen die günstigste Ausgangsposition zu verschaffen. Man glaubt es kaum, aber die BMW-Rennabteilung soll diesen Motor mit angeblich bis zu 5 bar Druck aufgeladen haben. Ein Wunder, dass er
überhaupt eine ganze Runde geschafft hat.
Insgesamt hat der Turbolader zu der Zeit aber keinen guten Ruf. Die Konstruktion ist zwar einfach, aber je mehr Leistung ein Motor mit ihm entfaltet, desto deutlich tritt das Turboloch zutage. Vereinfacht
erklärt bedeutet das eine Verzögerung zwischen Gas geben und Drehmomentsteigerung, je niedriger die Motordrehzahl wird, umso schlimmer. Stellen Sie sich vor, wie schwer das Gaspedal mit dieser
Verzögerung zu dosieren ist, wenn man gerne vor der Kurve Gas wegnehmen und in der Kurve beschleunigen möchte.
Dieses Verhalten ist für einen Dieselmotor nicht ganz so nachteilig, weil der auch damals schon keine Drosselklappe hat, die einen Stau im Verdichterteil des Turbos verursachen und die Drehzahl stark absacken
lassen könnte. Er ist ohnehin ein phlegmatischer Geselle, eher verhalten in Sachen spontaner Leistungsbereitschaft. Und so erobert der Turbolader den Markt der Lkw-Motoren. Eine Bedingung dazu ist das
Wastegate (Bild unten), ein Ventil, das die Druckseite des Laders zur Abgasanlage hin öffnet, dass es im Übrigen aber schon länger gibt.

Die Neuheit bestand darin, den Turbolader quasi zu überdimensionieren, ihm also viel mehr Ladevermögen mitzugeben, als der Motor braucht. Und damit der sich nicht selbst zerstört, wird der Ladedruck
durch das Wastegate ab einem bestimmten Wert zurückgenommen. Seitdem haben die Drehmomentkurven keine Spitze, sondern eine über einen größeren Drehzahlbereich reichende Waagerechte. Man
gibt jetzt z.B. 2000 Nm bei 1200-1700/min an.

Durch diese neue Regelung ist das erhöhte Drehmoment jetzt da, wo man es braucht. Allerdings zeigt so ein Diagramm nicht an, mit welcher Zeitverzögerung es erzeugt wird. Man ermittelt es auf dem
Prüfstand, bringt also im Prinzip die Drehzahl auf 1200/min und versucht diese durch immer mehr Gas geben beizubehalten, während man dem Motor durch eine Art Bremse immer mehr Drehmoment
abverlangt. Am Schluss wird das Drehmoment für 1200/min notiert, bei dem der Motor die Drehzahl gerade noch mit Vollgas halten kann.
Sie sehen, von einer Ansprechzeit ist da nicht die Rede, Turbolöcher kommen in einem normalen Leistungs- bzw. Drehmomentdiagramm nicht vor. Aber vermutlich ist auch Ihnen bewusst, dass so ein
riesiger Motor eines Schwerlasters mit so viel Hubraum auf einem Zylinder, wie ein Pkw-Diesel insgesamt hat, ohnehin relativ träge reagiert, besonders, wenn da auch noch insgesamt 40 Tonnen dranhängen. Es geht bei
einem solchen Lkw auch nicht so sehr ums Beschleunigen, sondern eher, die Geschwindigkeit und damit den Gang am beginnenden Berg so lange wie möglich zu halten.
Viele Gänge machen also u.U. beim Lkw also auch für normale Fernlaster Sinn. Wozu führte die Aktion mit den Turboladern? Man könnte es das erste Downsizing nennen, wodurch die Sechszylinder
inzwischen unter sich sind, spielend Leistungen erbringen, die man früher nur mit V8-Motoren zu erreichen ansah und das mit deutlich weniger Verbrauch. Übrigens hatten bei der Vielzylindrigkeit wie so oft
die Amerikaner eine Spitzenposition erreicht. Ich hatte die Ehre, einen Peterborough mit zwei mal sechs Zylindern nebeneinander kennenzulernen, wohlgemerkt mit zwei Kurbelwellen. Der Besitzer/Fahrer
meinte, der Verbrauch sei gar nicht mal so hoch.
Also durch das Downsizing wurden die Motoren vielleicht auch etwas 'spritziger' trotz Turboloch. Und man darf bei einem Lastesel natürlich das jetzt günstigere Verhältnis von
Nutzlast zu Leergewicht nicht vergessen. Und als dann die Schwierigkeiten mit dem deutlich höheren Druck beim Lkw überwunden sind, überlegt man, dieses Prinzip auch auf den Pkw zu übertragen. Der hat gerade,
schon reichlich verspätet, die Direkteinspritzung übernommen und man versucht sich jetzt auch dort an der Aufladung.
Allerdings treten hier die Probleme mit dem Turboloch gravierender zutage. Moderne Pkws halten auch dann die Geschwindigkeit am (Autobahn-)Berg, wenn der/die Besitzer/in nicht gerade die stärkste
Motorversion gewählt hat. Aber beschleunigen z.B. beim Überholen, das soll ein Pkw stante pede. Es folgt die bekannte Leidenszeit, die eigentlich immer noch anhält. Kommen Tester auf diesen Punkt zu
sprechen, muss man schon sehr genau hinhören, um immer noch eine leise Kritik zu vernehmen. Aber sie ist noch immer latent.

Immerhin gibt es mit der variablen Turbinengeometrie einen kleinen Qualitätssprung. Statt über ein Wastegate wird der Ladedruck durch verstellbare Leitschaufeln direkt im Turbinenteil eingestellt. Auch ist
auf einmal der Reihen-Sechser beliebt, weil sich auf seiner Einlassseite eine ganze Batterie von Ladern (Bild unten) anbringen lässt. Nur ein kleiner geht ja nicht bei immerhin schon drei Liter Hubraum. Also ein
kleiner und ein großer und die Wege so geschickt geöffnet, dass der große mit seiner gewissen Trägheit erst bei größerem Luftdurchsatz hinzukommt. Oder aufgeteilt in zwei kleinere für jeweils drei Zylinder. Oder
einer mit zwei Verdichterkammern. Es endet wohl vorläufig bei drei Turboladern.

kfz-tech.de/PDM56
Benziner, die von diesem Prinzip und dem Verbrauchsvorteil profitieren wollen, kombinieren Turbolader und Kompressor. Leider hat man den Comprex-Lader (Bild unten) nicht weiterentwickelt. Der hätte mit Sicherheit
eine Antwort auf das Problem des Turbolochs gegeben. Bis heute ist es nicht zuverlässig beseitigt worden. Und jetzt, da man den Dieselmotor am liebsten abschaffen würde, gibt es auf einmal Hoffnung,
wenn auch bisher erst als Prototyp.

Zum zweiten Mal hat die Formel 1 den Weg bereitet, nämlich mit einem zusätzlich elektrisch antreibbaren Turbolader. Sollte dessen E-Motor die enormen Hitzeprobleme überwinden, könnte das ein Knüller
werden, sofern noch irgendwer an der Weiterentwicklung des Dieselmotors interessiert ist. Dabei ist es vom Prinzip her egal, ob der Motor mit 48 Volt oder einer höheren Spannung betrieben wird. Aber
sollte nicht nur ein Dieselmotor gerade nicht aus seinem Turboloch herausfinden, weil zu wenig Abgasdruck vorhanden ist, dann könnte ein die Verbindungswelle rasch antreibender E-Motor hier gewaltig für
Druck im wahrsten Sinne des Wortes sorgen.
Das Problem dieses E-Motors ist die enorme Hitzeentwicklung.
kfz-tech.de/PDM57
Borg Warner erhofft sich noch mehr, nämlich die Minderung der häufig sechsstelligen Drehzahl nicht dem Lader selbst zu überlassen, sondern durch Rekuperation zur Stromerzeugung zu nutzen. Die
Turbine kann jetzt wieder größer werden, was einen größeren Leistungsbereich bei ein und demselben Grundmotor ergibt. Die Möglichkeiten der Durchlüftung des Motors unabhängig vom Abgasdruck und
eine verbesserte Zusammenarbeit mit der Abgasrückführung sind noch offen.
Abgas 1

Streiten wir nicht darüber, ob die Skandinavier oder die Kalifornier durch kritische Sicht auf die Abgase oder wirklich heftige Smog-Probleme die ersten diesbezüglichen Gesetze zur Zulassung von
Fahrzeugen mit Verbrennungsmotoren ausgelöst haben. Betroffen waren schon damals neben den Lobbyisten für die Umwelt, Gesetzgeber, Kunden und Hersteller. In den Werkstätten nahm man die neue
Entwicklung anhand der immer komplizierter werdenden Leerlaufeinrichtungen für Vergaser wahr.
Da war von Lambdasonden und Drei-Wege-Kats noch nicht die Rede. Bei manchen Dieselmotoren wurde der Leerlauf so lange verstellt, bis die geöffnete Fahrertür möglichst wenig vibrierte. Dann ging alles
Schlag auf Schlag. Zunächst wurde das Erdöl verknappt und wir durften teilweise sonntags nicht mehr fahren. In Europa verfolgte man schon nach der ersten Erdöl-Preiskrise das Ziel der Sparsamkeit, in
USA erst nach der zweiten und hat es inzwischen fast schon wieder vergessen.
Kohlendioxid heißt das Stichwort und niemand sollte behaupten, das sei giftig. Es ist eben nur als Indikator an den Kraftstoffverbrauch gekettet. Außerdem bezeichnet man es als Treibhausgas, u.a. für die
Erwärmung unseres Planeten verantwortlich. Wir sollten nicht unter dem Eindruck des Ausstoßes von Schadstoffen die Vorschriften zur Reduzierung von CO2 lockern. Man kann zu den
geringeren Steuern für Dieselkraftstoff stehen wie man will, aber, egal, wie sie einstmals entstanden sind, sie belohnen einen geringeren CO2-Ausstoß.
Als ob der Grenzwert 95 g/km bis 2020 immer nur sinnvolle Blüten hervorgebracht hätte. Da füttert Daimler den Smart Jahrzehnte lang durch, um ein Gegengewicht für weiterhin verkäufliche Modelle
der S-Klasse zu haben. Oder baut zusätzlich kaum genutzte Batterien ein, um als Hybrid die Tests absolvieren zu können, ohne deren Energie angerechnet zu bekommen. Wenn man nur genügend Kunden für
diese Fahrzeuge gewinnen kann, ist fast jeder beliebige CO2-Wert erreichbar.
Wer glaubt denn wirklich, diese Mercedes-Fahrer/innen würden jede 100 km ihre Batterien aufladen? Ohne PlugIn-Technologie ist das noch nicht einmal möglich. Da ist der Diesel zumindest im Bereich
Verbrauch ehrlicher, und umso unverzichtbarer, je größer und länger Fahrzeug und Transportaufgabe werden. Und auch wird viel zu selten veröffentlicht, wie gering letztlich der Verkehr am Ausstoß von
Kohlendioxid beteiligt ist.
Kommen wir zu den wirklichen Schad- oder besser Giftstoffen. Darunter wollen wir alles fassen, was dem Menschen schadet. Als erstes müsste allerdings das Bleitetraäthyl erwähnt werden, das über
Jahrzehnte als Wundermittel gegen klopfende Verbrennung im Benzinmotor galt. Übrigens auch hier wieder durch die Schwierigkeit, es zu ersetzen, um den Verbrauch durch zu geringe Klopffestigkeit nicht in
die Höhe zu treiben. Das Problem wurde erkannt und beseitigt, aber manche Freunde von Oldtimern benutzen es noch heute.
Schwefel war und ist vielleicht auch heute noch ein Thema. Immerhin ist er beim Raffinieren von Kraftstoff und bei der Herstellung von Mineralölen begrenzt. Asche im Abgas kommt als nächstes, allerdings
nur als motorinternes Problem. Der Partikelfilter sammelt sie, wird sie aber beim Regenerieren nicht los. Auch das Regenerieren ist nicht ohne, macht es doch durch Hinzufügung von verspätetem Kraftstoff oft
im Motor noch aus dem Diesel erstmals in seiner Geschichte einen Ölverdünner.
Der Partikelfilter gibt das Stichwort für einen der beiden Schadstoffe im Dieselabgas, zusätzlich natürlich die Stickoxide. Natürlich redet niemand dem Vorkommen dieser den Menschen krank machenden
Schadstoffe das Wort. Allerdings sind Angaben der genauen Todesrate auf Grund dieser Schadstoffe aus dem Dieselmotor Humbug. Genauso ungeschickt war die Behauptung mancher Techniker, die Luft
käme aus manchen Diesel-Fahrzeugen sauberer raus, als sie eingeatmet wurde, auch wenn sie wohl teilweise zutraf.
Man kann auch niemanden dazu bringen, mit einem heutigen Benziner in der sorgfältig abgedichteten Garage Selbstmord zu begehen. Oder es zumindest zu versuchen, um festzustellen, dass es nicht
geht, weil das Kohlenmonoxid fehlt.
Man sollte nicht alle gesetzlichen Regelungen verteidigen. Vielleicht waren die Amerikaner ehrlicher, von Dieselmotoren die gleichen strengen NOX-Grenzwerte wie von Benzinern zu verlangen,
obwohl das sicher nicht nur mit dem reinen Blick auf die Umwelt, sondern auch auf die den Markt langsam aufrollenden Diesel-Pkw aus Europa geschah.
Immerhin sind bei den Partikeln unbestreitbar so große Erfolge erzielt worden, dass man sie den Benzin-Direkteinspritzern trotz wesentlich geringerer Abgasnöte jetzt auch flächendeckend empfiehlt.
Schauen Sie nur einem älteren Diesel jeglicher Couleur beim Beschleunigen auf den Auspuff, dann wissen Sie die seit mehr als zehn Jahren verbreitete Technik des Partikelfilters zu schätzen. Eigentlich ist es
unverständlich, warum man den Dieselmotor, auch den mit Euro 5, für zu viele Partikel in deutschen Innenstädten verantwortlich macht.
Bleiben die Stickoxide. Was wäre gewesen, die Autohersteller hätten nicht getrickst und wären damit aufgeflogen? Gewiss, der Preisunterschied zu Diesel-Fahrzeugen wäre noch größer gewesen. Nicht
ohne Einfluss auf die Verteilung von Benzin- und Dieselautos. Man sieht es im Moment: Die Dieselkrise hat den Anteil an neuen Benzinern deutlich wachsen lassen und nicht etwa an Erdgas-Fahrzeugen.
Der/die Autofahrer zeigen sich preissensitiv, vielleicht noch mehr in den USA. Natürlich ist das kein Grund, Testwagen zu manipulieren.
Nur schade, weil schon heute ein ganzes Arsenal an Problemlösern für das NOX-Problem zur Verfügung steht. Wissend, dass viel davon bei besonders heißer Verbrennung entsteht, kann
man diese temperaturbegrenzen, auch z.B. durch Abgasrückführung.
Das Problem des höheren CO2-Ausstoßes kriegt man in den Griff. Man kann das rückgeführte Abgas kühlen, einen SCR-Kat hinter den oder statt des Partikelfilters montieren und auch noch
Harnstofflösungen in kleinsten Dosen hinzugeben. Und wenn man weiß, dass hinten das NOX-Problem in jedem Fall gelöst wird, kann man vorn sogar noch heißer verbrennen und sogar
zusätzlich Kohlendioxid einsparen.
Sicherlich, irgendwann ist die Dieseltechnik der von Elektroautos nicht mehr gewachsen, aber ist denn dieser Zeitpunkt schon erreicht? Wo Fahrspaß bei einer guten Beschleunigung geweckt wird und
anschließend mit 100 bis 120 km/h auf der Autobahn endet. Sicher, man kann schneller, aber dann verbringt man mehr Zeit mit dem Laden und erreicht sein Reiseziel trotzdem viel später als mit einem
Diesel. Und gibt es denn jetzt schon für die paar Elektroautos schon genug regenerativen Strom extra?
Abgas 2

kfz-tech.de/PDM58
Bei letzterem hat die Abgasentgiftung mit dem komplexer werdenden Leerlaufsystem begonnen, beim Diesel u.a. mit der Abgasrückführung. Eigentlich ein Unding, der Kuh die Milch noch einmal zum Trinken zu
geben. Dabei ist das Produkt, das hier wieder dem Brennraum zugeführt wird, gar nicht mit der Milch vergleichbar. Es ist ein Abfallprodukt der Verbrennung, überhaupt keine Bestandteile von Verbrennungswert
enthaltend. Es ist eine Art Platzhalter für Sauerstoff enthaltende Luft, freilich viel, viel weniger Sauerstoff enthaltend.
Wozu kann so etwas nützlich sein? Die Befürworter weisen darauf hin, dass der Abgasanteil nicht mehr mühsam angesaugt werden muss und das dann Energie spart. Da könnte man ja glatt den gesamten
Luftanteil durch Abgas ersetzen. Geht natürlich nicht, weil Sauerstoff bei der Verbrennung dringend gebraucht wird. Folgerichtig ist die Rückführung von Abgas immer mehr unter die Knute der Motorsteuerung
geraten. Vereinfacht gesagt, produziert weniger Sauerstoff auch weniger Oxide, in diesem Fall giftige Stickoxide.
Bis zu einem gewissen Punkt geht das Entgiften von Abgas mit einer Verringerung des CO2-Anteils konform. Aber wie schon bei der Einführung von Lambda 1 war beim Benziner Schluss mit dem
abgemagerten Teillastbetrieb. Und so muss man bei jeder Maßnahme, die dem Dieselmotor die NOX-Emissionen erschwert, auf Kohlendioxid bzw. den Verbrauch achtgeben. Fachlich korrekter ist es,
die Abgasrückführung als Maßnahme gegen zu hohe Verbrennungstemperaturen zu bezeichnen, durch die vermehrt Stickoxide entstehen. Hinzu kommt noch die höhere Wärmekapazität des Abgases wegen
dem geringeren Sauerstoffanteil. Es ist also schwerer zu erwärmen.
Jetzt können Sie sich leicht ausrechnen, dass Tuner Abgasrückführung mit Sicherheit nicht sehr mögen. Hier wird man vermutlich einen der Hebel für Chiptuning ansetzen. Bei Volllast wird eine solche
Maßnahme ohnehin abgeschaltet, u.a. auch, weil Volllast in irgendwelchen Testläufen überhaupt nicht vorkommt. Eigentlich weiß man gar nicht, warum VW mit seinen Dieselmotoren aufgeflogen ist, denn die
Möglichkeiten der Umgehung des Tests sind offenbar vielfältig.
Dumm, wenn man z.B. die immer auf Geradeaus stehende Lenkung nimmt zur Erkennung eines Tests nimmt und abschaltet, was dann bewiesen werden kann. Schaltet man aber bei jeder Fahrt nach mehr als
20 Minuten ab, so ist das schon etwas weniger gesetzesuntreu. Oder man behaupten, der Motor könne die Testsituation nur in ganz engen Grenzen von Außentemperaturen vertragen. Seltsam allerdings, dass
z.B. in dem für den Motor von manchem Hersteller vorgesehenen Arbeitsbereich von 17 bis 38°C die 10°C Durchschnittstemperatur von Mitteleuropa nicht enthalten ist.
Und was ist mit Geschwindigkeiten jenseits von 120 km/h (NEFZ) oder 130 km/h (WLPT)? Da kann man doch als Hersteller machen, was man will, also z.B. das etwas schnellere Fahren belohnen. Merkwürdig
auch, dass selbst die mit geänderter Software ausgestatteten VW-Diesel die Eigenschaft haben, ab einer gewissen Fahrstrecke einen festen Verbrauchswert anzuzeigen, und von dem auch bei höherer
Geschwindigkeit kaum noch abweichen.
Abgas 3

Ganz einfach die reale Verkehrssituation mit einzubeziehen ist allerdings nicht so einfach. Schon die bisherigen Regeln der Kombination aus scheinbar einfachen Ausroll- und Prüfstandtest füllen mehrere
Aktenschränke. So ist ein 6d eigentlich nur möglich geworden, weil man ohnehin an die Ablösung des Dieselmotors zumindest im Pkw denkt. Ist das aber nicht der Fall, dann scheinen die Möglichkeiten des
(legalen) Schummels unendlich.
Die möglichen Schwächen liegen also gar nicht im WLPT (Bild oben), sondern den im anschließenden Test gemessenen Real Drive Emissions. Hier kommt eine vom Gewicht und dem
Volumen her verminderte Messeinrichtung ins Auto, bei allerdings so langsam Abweichungen zu den bisherigen, fest installierten Anlagen bekannt werden. 90 bis 120 Minuten lang geht es durch gemischten
Stadt-, Landstraßen- und Autobahnverkehr, nicht über 145 km/h.
Die Faktoren, um welchen Prozentsatz der zuvor ermittelte Prüfstandswert überschritten werden darf, können wir hier vernachlässigen, denn letztlich wird man ohnehin bei einem Festwert landen, der auch dann
nicht überschritten werden darf. Und selbst das bleibt nicht so, denn es werden prozentuale Verringerungen ausgehen von bestimmten Referenzwerten z.B. des Jahres 2019 kommen.
Erstaunlicherweise gibt es solche Prüfverfahren nach Euro 6 beim Lkw schon seit 2011. Auch eine weitere Änderung wäre denkbar, nämlich eine Art Vorbeifahr-Methode wie bei der Geräuschmessung. Am
realistischsten wären wohl die Messung im öffentlichen Verkehr und das Scannen einzelner Fahrzeuge. Von da aus könnte man dann an den Hersteller herantreten.
Feinheiten

Common-Rail hat unglaublich enge Toleranzen, wie eigentlich schon immer der hydraulische Teil der Diesel-Einspritzung. Man muss sich zunächst genau anschauen, welche Teile von diesen betroffen
sind. Früher waren es hauptsächlich die Einspritzpumpe und die Düsen. Letztere dürfen natürlich nicht einen größeren Teil der vorher in der Pumpe genau kalibrierten Kraftstoffmenge durch den Rücklauf
entfleuchen lassen. Besonders schlimm ist es, wenn das auf die Zylinder verteilt unterschiedliche Mengen sind.
Denn frühere Systeme hatten keine Korrekturmöglichkeiten für unterschiedliche Einspritzmengen, höchstens die Werkstatt, die bei allzu viel Ruß im Abgas ran musste. Das ist bei modernen Systemen,
wie Pumpedüse und Common Rail anders. Bei letzterem werden die Injektoren am Ende der Fertigung getestet und bestimmten Gruppen zugeordnet. Konsequenz für die Werkstatt, die einen oder mehrere
ersetzt: Die müssen von ihrer Gruppenzugehörigkeit her dem Motor-Steuergerät bekannt gemacht werden. Manche frühen funktionieren auch über einen korrigierenden Widerstand.
Doch dieses schon sehr für Eintracht zwischen den Zylindern und geringen Verbrauch sorgende Prinzip reicht offenbar nicht. Vermutlich aus Gründen des Feintunings und auch, weil sich während einer
längeren Laufleistung die Einspritzmenge z.B. durch Verschleiß und/oder Verkokungen am Ausgang der Spritzlöcher verändern, nimmt das Steuergerät Anpassungen vor. Wer die Bestückung mit
Injektoren ändert, wundert sich, wie relativ schnell es das in den Griff kriegt.
Da fahren Sie los mit Ruckeln trotz korrekter Anmeldung der Neuen und kommen von einer etwas längeren Probefahrt zurück und der Motor schnurrt wie ein Kätzchen. Was ist geschehen?
Das ist einmal die Ermittlung der von dem betreffenden Zylinder dem Gesamtsystem zugeführten Arbeit. So etwas geht durch die relativ hohe Auflösung durch die Zähne am Schwungrad. Der zählende
Sensor ermöglicht es dem Steuergerät, über die immer gleich gemessene Zeit die Beschleunigung zu messen. Ist die im Verhältnis zu den anderen zu klein oder zu groß, kann die Öffnungszeit
entsprechend angepasst werden.
Jetzt kann natürlich auch der Förderbeginn bei den einzelnen Zylindern unterschiedlich sein. Dazu fährt, wer weiß in welchem Betriebszustand, das Steuergerät die Förderung der einzelnen Injektoren
zurück, bis keine Verbrennung mehr stattfindet. Für solche Zwecke hat man den beim Benzinmotor so weit verbreiteten Klopfsensor für den Diesel entdeckt. Stellt der also keine Verbrennung fest, wo
eigentlich eine stattfinden müsste, kann so die Zeitspanne zwischen Ansteuerung und effektiver Auslösung einer Verbrennung ermittelt und ggf. korrigiert werden.
Auch während der Leerlaufdrehzahl ist eine Menge los. Nicht nur, dass hier bei Start-Stopp nach einer relativ komplizierten Analyse aller beteiligten Bauteile/gruppen abgeschaltet wird. Im Falle eines
stattfindenden Leerlaufs wird z.B. die Leerlaufdrehzahl deutlich abgesenkt. Offensichtlich kann das beim Start an einer auf Grün schaltenden Ampel durch die elektrische Ansteuerung beinahe schlagartig
rückgängig gemacht werden, so dass der relativ tiefe und spritsparende Leerlauf keinen Einfluss auf die anschließende Beschleunigung des Motors hat.
Aber der Motor ist nicht nur durch geringe Drehzahl im Leerlauf von manchem Benziner kaum noch zu unterscheiden. Es ist wieder der fälschlich so genannte OT-Geber, also der Sensor für die
durchlaufenden Zahne bzw. Zahnlücken, der hier besonders hilfreich ist. Er ermittelt, natürlich in Zusammenarbeit mit dem Steuergerät, ob sich beim Leerlauf Drehzahlschwankungen ergeben und letzteres
sorgt dann wieder durch Angleichung der Fördermengen für mehr Ruhe.
Vielleicht war ja die Entwicklung der Breitband-Lambdasonde auch deren möglichem Einsatz im Dieselmotor geschuldet. Mit der Zweipunktsonde könnte er jedenfalls nichts anfangen. So fett kann er gar
nicht laufen, dass er den Umschaltpunkt dieser Sonde erreichen würde. Das Bild ganz oben zeigt den mit einem SUN-Tester ermittelten geringsten Lambdawert beim Prüfstandslauf eines TDI-E5-Motors von
Leerlauf bis Volllast.
Die Breitbandsonde deckt den Bereich bis λ = 4 und damit wohl das gesamte Spektrum des Dieselmotors ab. Hinzu kommt der Luftmassenmesser, der für die Bestimmung der rückzuführenden
Abgasmenge gebraucht wird. Damit jetzt nicht der Regelkreis der einzelnen Einspritzzeiten und damit auch -mengen einerseits und der Abgasrückführung andererseits auf Kosten
nicht mehr in den Griff zu kriegender Abgaswerte aneinander vorbei arbeiten, kommt jetzt das Signal der Breitbandsonde hinzu und hilft, z.B. durch zusätzlliche Abgasrückführung das Abgas besser
aufbereitbar zu machen.
Vereinfacht

| Oxidationskat mit Partikelfilter |
Der Dieselmotor ist natürlich gerade für aufstrebende Märkte eine Offenbarung. Allerdings stellen die hohen Kosten moderner Diesel-Einspritzsysteme ein Problem dar. Gleichzeitig sind die Anforderungen
an eine solche Anlage sogar noch höher, weil man nicht, wie größtenteils in Europa, von einer gleichbleibenden Qualität des Kraftstoffs ausgehen kann.
Natürlich sollen die Emissionswerte in solchen Ländern möglichst nicht vom Weltstandard abweichen. Denn man denkt z.B. in China auch und nicht zuletzt an die eigenen Hersteller und im Hinblick auf
deren Exportmöglichkeiten ist denen mit abgesenkten Standards daheim nicht wirklich gedient. Also werden, noch mit zeitlicher Verzögerung, im Prinzip europäische Normen eingeführt.
Keinesfalls gefragt sind Primitivlösungen. Vielmehr müssen hier die verschiedenen Möglichkeiten der Abgasnachbehandlung unter die Lupe genommen werden. Denn schon in großen asiatischen Ländern
stellt die ortsnahe Versorgung mit AdBlue ein Problem dar. Wie wird das erst im riesigen, aber vergleichsweise dünn besiedelten Afrika sein? Zumal man solche Systeme streng limitieren sollte. Wer ohne
AdBlue fährt, dem soll zwar nach einer Zeit der Verwarnung nicht der Motor komplett abgestellt werden, aber ein deutlich eingeschränkter Notlauf wäre schon sinnvoll.
Oder vielleicht ganz auf AdBlue verzichten? Wie immer bei solchen Überlegungen geht man zurück zu den Rohemissionen. Was man schon bei der Verbrennung im Motor vermeiden kann, muss man
später nicht emittieren. AdBlue ist wegen einem Übermaß an Stickoxiden nötig. Im Motor könnte man die Verbrennung dahingehend optimieren, ohne sich zu viel Mehrverbrauch einzuhandeln.
Die Abgasrückführung erhält nun noch mehr Aufmerksamkeit als ohnehin schon. Offenbar ist sie ungekühlt kaum noch denkbar, müsste aber mit noch feineren Förder- bzw. Regelsystemen versehen
werden. Denn ein Zuviel an rückgeführtem Abgas erhöht den Verbrauch, ein Zuwenig den NOX-Gehalt im Abgas.
Hinzu kommen so Feinheiten wie ein möglichst hoher Einspritzdruck und ein durch Zusammenwirken von Aufladung und geometrischem Verdichtungsverhältnis erzeugter hoher Mitteldruck. Dann muss
man in dem in großen asiatischen Stadtregionen üblichen stockenden Verkehr nicht mehr groß über die Anhebung der Abgastemperaturen nachdenken, kann vielleicht sogar den Partikelfilter einsparen.
Was man bei den Betrachtungen zu einem Diesel-Einspritzsystem gar nicht auf der Rechnung hat ist die Schmierung. Gemeint ist die Schmierung mit Motoröl, deren Verbrauch schon beim Honen in der
Motorenfertigung und beim Abdichten gegen Einblasung in den Ölsumpf beginnt. Beim Pkw-Dieselmotor ist man hier bisher erfreulich weit gekommen.
Denn alles, was an Öl irgendwann fehlt, ist über das Verbrennungssystem ausgestoßen worden. Deshalb sollen hier noch besser wirksame Sicherungen gegen Fehler erforscht werden. Es ist wieder
einmal die Sensorik gefragt. Aber wenn die inzwischen sogar Ölalterung feststellen kann, dürfte es bis zum erhöhten Ölverbrauch nicht allzu weit sein. Vielleicht kann demnächst auch die Qualität des
gerade getankten Kraftstoffs geprüft werden.
Nicht schlecht, wenn ein solches System auch zu uns zurückkäme. Denn offenbar schaffen es immer noch genügend Fahrer/innen, Benzin statt Diesel in den Tank zu füllen, trotz Vorsorgen bei der
Kombination Zapfpistole und Einfüllstutzen. Das würde dann das Motormanagement beim Anlaufen der elektrischen Kraftstoffpumpe merken und den Motorstart schlichtweg vermeiden. Eine sehr teure
Reparatur bliebe dem/der Unglücklichen erspart.
Glühen 1

kfz-tech.de/PDM59
Es wird uns zwar in letzter Zeit berichtet, man könne eine Selbstzündung im Dieselmotor durch eine Fremdzündung initiieren und damit ihren Zeitpunkt beeinflussen, aber wir wollen im Folgenden von einen
puren Selbstzündung ausgehen, also ohne irgendwelche Elektrik bzw. Elektronik.
Die wird nur nötig, wenn es um den Kaltstart geht, also immer, wenn die Temperatur des Motors geringer als die normale Betriebstemperatur bzw. 60°C ist. Dazu ist Wärmeenergie nötig, die übrigens nicht immer
einer Elektrik entstammen muss. Wer jemals den (umständlichen) Startvorgang einer Lanz-Bulldog(ge) beobachtet mit externem Brenner beobachtet hat, weiß die Wohltat von Wärme per Knopfdruck zu
schätzen.
Der schimpft dann auch nicht über die Zeit, die heute kaum aber früher sehr merklich vergeht, ehe man endlich losfahren kann. Auch hier hat der Dieselmotor den Benziner fast eingeholt. Es ist also eine
Batterie nötig, um einen Dieselmotor kalt zu starten. Hinzu kommen mindestens eine etwas kräftigere Leitung und die zu den heftigen Strömen passende Sicherung. Noch immer ist der Dieselmotor an der
etwas stärker ausgelegten Batterie zu erkennen.

| Hier sieht man, wie der Glühstift in den Brennraum hineinragt. |
Allerdings scheint die Anlage zu erheblichen Leistungen fähig. Ist der Dieselkraftstoff genügend fließfähig und die elektrische Anlage in Top-Form, sind auch Kaltstarts bei -30°C und noch tieferen
Temperaturen möglich. Nun gut, der Motor hört sich dabei oft wie ein vor Schmerzen jaulender Hund an. Auch ist seine Drehzahl nicht gerade atemraubend, aber er startet irgendwann, hoffentlich bevor der
Batterie die Puste ausgeht.
Kleiner Unterschied zum Benziner: Der scheint, wenn nicht auf den ersten oder zweiten Drücker, lieber gar nicht mehr anspringen zu wollen. Das liegt an dessen Zündkerzen, die, besonders zu Zeiten von
Vergasern, gern immer nasser und damit zündunwilliger wurden. Der Dieselmotor hingegen scheint seine Situation während mehrerer Startversuche zu verbessern, z.B. mit, wenn auch geringem,
Wärmeeintrag durch das Komprimieren von Luft.
Die Einführung des Direkteinspritzers hat die Probleme des Kaltstarts deutlich reduziert. Es gibt keinen echten Nebenbrennraum mehr, dessen Flächen viel der mühsam erzeugten Wärme direkt wieder ans
Kühlmittel abführten. Nimmt man die Mulde im Kolben als Nebenrennraum, so hat die gar keinen direkten Zugang zum Kühlmittel mehr. Alle Wärme bleibt drin und kulminiert während wiederholten Startens.
Nein, eine Glühanlage braucht der Diesel immer noch. Die besteht unmittelbar im Motor aus Glühwendeln, die in einer Art Kurzschluss bei genügend geringem Widerstand (z.B. 1 Ohm) so schnell so heiß
werden, dass ein Startvorgang bei etwa 0°C nur einer relativ kurzen Pause bedarf. Hinzu kommt, dass ein Dieselmotor gar nicht mehr direkt auf das Drehen des Zündschlüssels reagiert, sondern von sich
aus die Zeit zum Vorglühen abwartet.
Es gibt eben viele weitere Formen wie z.B. 'keyless go', denen sich auch der Dieselmotor anpassen muss. Hinzu kommt noch ein mögliches Start-Stopp-System, dass ohne hin sehr eigenwillig
entscheidet, wann der Motor zu laufen hat und wann er abgestellt werden darf. Da sind dann z.B. der Status der Batterie, die Motor- und die Außentemperatur wichtige Indikatoren. Manchmal beschließt
auch offensichtlich das entsprechende Steuergerät, dass die Rotphase der Ampel jetzt lange genug gedauert hat und startet den Motor verfrüht.
Also ist der Start eines Dieselmotors zu einer komplexen Sache geworden. Und es hört mit dem Start nicht auf. Die Fa. Beru schreibt, man könne heute von einer Glühphase von bis zu 3 Minuten noch
nach dem Motorstart ausgehen. Und jetzt kommt die Umwelt ins Spiel und mit ihr das unten gezeigte Malfunction Indicator Light mit seiner den Motor nachbildenden Form.

Da von Menschenhand oder besser -hirn gemacht, ist sie fast ebenso dominant wie die Start-Stopp-Automatik. Beispiel gefällig: Dass sie aufleuchtet, wenn das Nachglühen nicht funktioniert, ist absolut
plausibel. Aber lassen Sie ihr Fahrzeug z.B. wegen einer längeren Reise eine längere unbenutzt und es startet nicht mehr, dann ist die Lampe ebenfalls eingeschaltet. Auch noch verständlich, denn
sie meldet zu wenig Energie z.B. für das Nachglühen.

So hier noch einmal der gesamte mögliche Glühvorgang im Bild. Beru sagt, das Vorglühen sei beim Direkteinspritzer erst ab 0°C nötig, aber vermutlich denkt man hier an ältere ohne Turbolader. Immerhin
ist das geometrische Verdichtungsverhältnis von einstmals weit über 20 : 1 inzwischen in Richtung 15 : 1 unterwegs. Da die Aufladung bei Startdrehzahl kaum Wirkung entfaltet, braucht ein moderner
Direkteinspritzer wieder etwas mehr Vorglüh-Energie. Man merkt es an den Pausen zum Start schon bei geringen Plusgraden.

| 1 - 4 | Glühstifte 1.-4. Zylinder |
| 5 | Steuergerät - Motormanagement |
| 6 | Steuergerät - Glühzeitautomatik |
| 7 | Zuleitung 6 mm2, Sicherung 50 A |
| 8 - 9 | Glühsteuerung + Rückkopplung |
| 10 | Steuerung der kleinen und großen Heizleistung |
Der Schaltplan ist doch überschaubar, oder? Zunächst, etwas unerwartet, die einzelnen Leitungen vom Glühzeit-Steuergerät zu den Glühstiften. Um noch einen drauf zu setzen, beginnen diese bis zum
Steckpunkt mit 1,5 mm2 und legen den wohl teilweise etwas längeren Weg mit 2,5 mm2 zurück. Zwischen den beiden Steuergeräten die Stromversorgung mit 6 mm2 und
einer Absicherung von 50 A.
Das passt wunderbar zu den Widerständen der einzelnen Glühstifte, die bei 1 bis 1,1 Ohm liegen. Die exakte Funktion der beiden Steuerleitungen zwischen Motor- und Glühzeit-Steuergerät lässt sich nicht
ganz korrekt ermitteln. Aber irgendwie muss letzteres ja erfahren, dass überhaupt gestartet werden soll. Die zweite Leitung wäre dann so eine Art Rückkopplung. Dass so etwas vorhanden sein muss, kann
man an dem Beispiel mit der MIL-Kontrollleuchte oben erkennen.
Zunächst einmal vermutet man ja gar keinen Zusammenhang zwischen einer aufleuchtenden MIL und dem Glühen, dass man immer noch als 'Vorglühen' ansieht. Was soll ein Mangel in diesem Bereich mit
ungünstigen Abgasen zu tun haben. Aber wenn Sie einen Schritt weiterdenken, kommen Sie darauf. Stellen Sie sich nur vor, ein solcherart nicht anspringendes Fahrzeug wurde im Schlepptau eines
anderen dazu gezwungen. Jetzt fehlt nämlich das Nachglühen und was jetzt aus dem Auspuff kommt, erfüllt keineswegs die Normen. Deshalb also die MIL-Kontrolle und die dürfte über die zweite Leitung in
irgendeiner Form ausgelöst werden.
Aber es geht noch weiter. Und dazu müssen wir kurz ausholen. Wir brauchen nämlich irgendeine Dusseligkeit oder ein langes Nichtbenutzen des fraglichen Fahrzeugs, z.B. wegen eines längeren Flug-
Urlaubs. Klar, dann ist die Batterie so geschwächt, dass der Wagen nicht mehr anspringt. Ob sich der MIL-Mechanismus schon diesen Zustand merkt, bleibt jetzt ungeklärt. Der/die Besitzer/in sorgt dafür,
dass die Batterie wieder aufgeladen wird. So weit so gut.
Und dann leuchtet, leicht verspätet, doch noch die jetzt als hinterlistig empfundene MIL-Lampe auf. Man denkt wieder an z.B. den Partikelfilter, aber weit gefehlt. Es ist angeblich mangelnde Spannung bzw.
Energie am Glühsystem und bei der elektrischen Förderung von Kraftstoff. Wenn die Werkstatt hier nicht kühlen Kopf bewahrt, zahlt der Kunde eine unnötige Zeche, denn die Lösung heißt: Lampe löschen
und sonst gar nichts.
Und sie bleibt bis zu einem anderen Fehler aus. Es war die Batterie, die diesen Mangel an Spannung verursacht hat. Aber es ist ein Fehler, der längst behoben ist. Und dennoch brennt die Lampe munter
weiter. Wer kein OBD-Auslesegerät mit Löschfunktion hat, ist gezwungen, in die Werkstatt zu fahren, um dann an einem nunmehr völlig intakten Auto die Fehlerlampe löschen zu lassen. Ist das der Sinn
einer MIL-Kontrollleuchte?
Glühen 2

Beim Austausch von Glühstiften schallt es einem schon von weitem entgegen: Äußerste Vorsicht sei geboten, damit keiner abreißt. Wie kann man sich davor schützen? Erste Regel ist, den Versuch eines
Ausbaus nur bei betriebswarmem Motor zu wagen. Man lässt noch mehr Vorsicht walten, wenn man die Begrenzung des Drehmoments, die man sonst nur für das Anziehen von Schrauben benutzt,
hier auch für deren Lösen einsetzt.
Hat man es auf diese Art und Weise nicht geschafft, hilft vielleicht etwas Öl oder ein chemisch noch geeigneterer Stoff (WD 40), den man in den Bohrungen der Glühstifte tagelang spazieren fährt. Es
kann dabei vielleicht zum Kurzschluss kommen. Dann nimmt man entweder weniger von dem Stoff oder verzichtet für die kurze Zeit aufs Vorglühen, was im Sommer wohl relativ leichtfällt. Allerdings
bedenken Sie die im vorigen Kapitel schon erwähnten Folgen.
Natürlich nützt es nichts, nach genügend vielen Versuchen muss man das Losdrehmoment erhöhen und riskiert jetzt endgültig den Bruch. Denn das Fahren bzw. Starten mit mindestens einem Glühstift
weniger ist nicht nur kein Vergnügen, es kann auch verfolgt werden, falls ein(e) Gesetzeshüter(in) die leuchtende MIL-Leuchte bemerkt. Und erfolgreich durch die Hauptuntersuchung kommt man schon gar
nicht.
Ist das Malheur erst einmal geschehen, wird es schweißtreibend. Nicht etwa, weil so viele Kalorien für die kommenden Arbeitsvorgänge nötig wären. Das vielleicht auch, aber es ist eher die Furcht vor den
Kosten für die (De-)Montage des Zylinderkopfs und dessen Aufarbeitung, wenn das überhaupt gelingt und kein neuer fällig wird. Allerdings mit Hausmitteln wie einem Linksdrallbohrer bzw. -auszieher kommt
man hier nicht weiter.
Weil das gewöhnlich zwischen Sechskant und Gewinde (Bild oben) abgerisseneTeil u.U. sehr fest drinsitzt, braucht man einen speziell dafür vorgesehenen Werkzeugsatz. Das ist zunächst eine Art
Doppelbohrer mit geringem Durchmesser ganz vorn, einem größeren dahinter und einem Anschlag. Ziel ist es, nach dem Entfernen der inneren Wendel gleichzeitig das Außengewinde des Glühstifts zu
entfernen, das Innengewinde möglichst unbeschädigt zu lassen und die weitere Hülse darunter anzubohren, alles mit entsprechenden Führungen für die Handbohrmaschine.
Man versucht also erst gar nicht, durch Klemmung und Linksdrall den Rest des Glühstifts mit Hilfe seines Gewindes herausdrehen zu können, sondern arbeitet so viel Material weg, dass nur noch die Hülse
und die Glühwendel vorhanden sind. In die Hülse schneidet man dann ein ausreichend langes Gewinde, dreht einen zum Werkzeugsatz gehörenden Stift mit Rechtsgewinde hinein und zieht diesen mit der
Kraft einer Mutter aus seinem Außengewinde heraus.
Selbst das ist bei manchen besonders festsitzenden Glühstiften noch ein Problem, was man an deren Gegenwehr gut nachvollziehen kann. Vielleicht ist man ja angesichts des Preises von Glühstiften und
deren Risiko beim Ausbau wirklich gut beraten, alle beim Defekt der ersten oder noch früher rechtzeitig auszutauschen. Natürlich sollte man bei einem noch intakten Glühstift nicht das Risiko einer oben
beschriebenen Reparatur eingehen, aber davor schützt einen ja der Versuch, den Stift mit vorsichtig kalkuliertem Drehmoment zu lösen.
.

Hier noch einmal der Glühstift im Schnitt mit der Kombination zweier Wendeln links, dem diese umhüllenden Glührohr und der Verbindung zum Steckanschluss rechts, insgesamt etwas verkürzt
dargestellt. Das Glührohr wird von einer Metallhülse gebildet, die resistent gegen die Hitze sein muss. Da sie über die Verschraubung des Glühstifts mit Masse verbunden ist, darf sie nur am linken Ende
mit der Wendel verbunden sein. Vor Schwingungen der Glühwendel und eventuellem Kurzschluss schützt z.B. ein Pulver aus Magnesiumoxid.
Schwieriger zu beschreiben ist die Fähigkeit des Glühstifts zur Selbstregelung. Da ist zunächst einmal ganz links die Heizwendel. Nur sie ragt in den Brennraum und ihr Widerstand ist weitestgehend
unabhängig von der Temperatur. Ganz anders die Regelwendel rechts daneben. Deren Widerstand steigt stark mit der Temperatur, so dass die Stromaufnahme der Kombination beider Wendeln genau dann
etwas abnimmt, wenn es im Brennraum zu Zündungen kommt.
Der Vorglühvorgang beginnt also mit einem sehr hohen Strom und Temperaturen von über 1000°C an der Heizwendel. Etwas zeitversetzt wirkt diese Erwärmung auch auf die Regelwendel, die dann den
Stromfluss vermindert. So bleibt die hohe Temperatur weitestgehend erhalten, nimmt eher ein wenig ab- als noch mehr zuzunehmen.

Das ist jetzt ein besonderer Glühstift mit zusätzlich drei Anschlüssen: Spannungsversorgung, Masse und Signalleitung. Er fungiert also gleichzeitig noch als Sensor, nimmt den Druck im Brennraum über eine
Membran im Kopf auf, wandelt ihn in ein elektrisches Signal um und schickt ihn seinem Steuergerät. Neben der Größe des Drucks von bis zu 200 bar ist noch die zeitliche Abfolge der Druckentwicklung sehr wichtig.
Ein Beispiel für den Nutzen einer solchen Messung wäre der Druck bei Verbrennung des eingespritzten Kraftstoffs. Hier kann Alterung für Undichtigkeit in den einzelnen Brennräumen sorgen. Um
diese für eine gleichmäßige Belastung der Kurbelwelle durch mehr oder weniger Einspritzmenge auszugleichen, müssen die Unterschiede erst einmal erkannt und deren Behebung nachprüfbar werden.
Moderne Diesel gehen, wenn sie nicht direkt durch Start-Stopp abgeschaltet werden, in einen extra tiefen Leerlauf über. Das ist nur möglich, wenn extrem auf gleiche Druckbildung geachtet wird. Liegt hier auch eine
nur geringe Störung vor, so merkt das auch der Laie durch leichte Schüttelbewegung des Motors sofort. Zusätzlich können mit so einem System auch Kaltstart und Kaltlauf verbessert werden.
Die Injektoren sind aber trotzdem noch in Klassen eingeteilt. Daran mag man die Grenzen einer solchen Regelung durch unterschiedliche Einspritzzeiten erkennen. Das gilt vermutlich auch für bestimmte geringere
Kraftstoffqualitäten. Herstellung möglichst gleicher Druckverhältnisse zwischen den einzelnen Brennräumen wirkt sich über die Rohemissionen natürlich auch auf die Abgase aus. Angeblich soll damit sogar Euro 6
ohne aufwendige Nachbehandlung der Stickoxide erreichbar gewesen sein.
Endlich einmal eine der wenigen möglichen Maßnahmen, die sich sowohl auf die Stickoxide wie auch auf die Kohlendioxide positiv auswirkt, indem sie beide mehr vermeiden hilft. Die Auswirkung auf eine leichtere
Fehlererkennung durch die Werkstatt ist leicht einsehbar. Nur die eigentliche Ursache für das Entweichen der Kompression ist bei diesem System nicht direkt ersichtlich. Aber es kann Kosten senken durch Verzicht
z.B. auf den neuerdings auch beim Diesel anzutreffenden Klopfsensor und sogar des Luftmassenmessers.
Glühen 3

Wie kann man auf die im vorigen Kapitel geschilderte Vorgehensweise noch einen draufsetzen? Eigentlich kaum, aber da dies ein so häufiges Problem zwischen Kunden und Werkstätten sogar unter
Beteiligung von Anwälten und Gerichten zu sein scheint, hier noch einmal das Thema, vordergründig mit dem Ansatz, auch noch das Spezialwerkzeug zu sparen.
Das kann sich ein(e) Dieselfahrer/in zweifellos leisten und darum geht es auch gar nicht wirklich, aber wir wollen wegkommen von der Beschreibung des Tuns, womöglich auch noch in einzelnen
Arbeitsschritten wie bei einem Kochrezept. Außerdem wird um dieses Malheur ein solches Buhei gemacht, dass sich schon gar kein Laie an dieses Thema wagt.
Wenn man sich aber die Situation vor Ort einmal genau anschaut, dann sind die Arbeiten auch bei Abriss des Sechskants wesentlich leichter zu bewältigen als die bei Abriss einer Halteschraube für einen
oder zwei Injektoren. Denn bei denen muss eine Handbohrmaschine (!) entlang eines etwas längeren Gewindes ziemlich exakt geführt werden, wobei das umgebende Material weicher ist als das
auszubohrende.

Hier ist das Malheur schon passiert. Der große Sechskant ist von der Hülse des Glühstifts noch vor dem Gewinde abgerissen. Nur das kleine Zwischenstück bis zum Gewinde ist noch dran. Drin steckt also jetzt noch
die lange Hülse, normalerweise die Glühwendel schützend, zu allem Übel auch noch fest verschraubt. Zum Abreißen des Sechskant braucht man also schon einmal kein Spezialwerkzeug.
Wie kriegt man jetzt die Hülse raus. Man könnte es mit einem Linksausdreher (Bild unten) versuchen. Aber der hat leider die Eigenart, das Gewinde der Hülse noch stärker gegen das des Zylinderkopfs zu pressen.
Außerdem ist der Durchmesser so knapp, dass er leicht abreißen kann. Dann müssten Sie den auch noch ausbohren.

Das ist nämlich genau das, was wir jetzt weiter unternehmen. Leider müssen Sie also mit der Bohrmaschine und dem normalerweise zu kurze
Bohrer tief in die Bohrung des Glühstifts hinein. Die Werkzeugsätze gehen
offensichtlich davon aus, dass Sie alles abmontiert haben, was eine enorme Arbeit sein kann. Wenn Sie das vermeiden wollen, müssten Sie sich ohnehin eine irgendwie geartete Verlängerung bzw. einen längeren
Bohrer besorgen.
Der Bohrer im Werkzeugsatz hat einen Absatz, bis zu dem Sie bohren sollen. Das funktioniert aber nur, wenn sich das Gewinde relativ nah am oberen Sechskant befindet. Wenn Sie also einen Werkzeugsatz kaufen, dann
sollte der an die Situation ihres Fahrzeugtyps angepasst sein. Unten sehen Sie einen Glühstift, bei dem das nicht der Fall ist. Da kämen Sie mit einem abgesetzten Bohrer überhaupt nicht dran.

Jetzt ist Information im Internet angesagt, um z.B. die Frage zu beantworten, mit welchem Durchmesser das Gewinde ausgebohrt werden muss. Als Basis haben Sie ja den neuen Glühstift, den Sie nach Abriss des alten
unbedingt brauchen, und eine Abschätzung der Wanddicke der Hülse. Auch wie weit Sie bohren müssen, können Sie durch Vergleich erfahren.
Sie haben allerdings den Vorteil, in eine Hülse zu bohren, was z.B. die sonst oft schwierige Zentrierung enorm erleichtert. Sie brauchen also nur noch den richtigen Winkel, dann steht dem Erfolg dieses zweifellos
schwierigsten Teils der Aktion nichts im Wege. Vielleicht lässt sich dieser ja durch einen dünnen Stab oder stabilen, geraden, dicken Schweißdraht durch Hineinstecken ermitteln.
Übrigens durch Vergleich der Spitze können Sie auch sicher sein, dass der Brennraum noch geschlossen ist. Sie könnten also, so Sie jetzt kalte Füße kriegen, noch aus eigener Kraft in eine Werkstatt fahren. Auch hat die
kontrollierte Geschlossenheit den Vorteil, dass Sie sicher sein können, bei Bohren gelangen keine Späne in den Brennraum.
| Gewindeschneiden bei offenem Zugang zum Brennraum bitte mit Fett für die Späne. |
Ist das Gewinde drin, würde auch eine Gewindestange mit entsprechenden Unterlagscheiben reichen, diese erst durch Kontern zweier Muttern so weit wie möglich hinein zu drehen und dann irgendwo abstützend bei
genügend Kraft hoffentlich das komplette Teil herausholen. Danach muss natürlich das Gewinde für den neuen Glühstift nachgearbeitet werden.
Und auch wenn Sie die beschriebenen Arbeiten nicht selbst durchführen wollen/können, so hat das Lesen dieses Kapitels doch immerhin den Vorteil, dem/der Fahrer/in eines etwas älteren Diesel ein wenig die Angst vor
dem Ausbau des Zylinderkopfs wegen misslungenen Tauschs eines defekten Glühstifts zu nehmen.
| Werkzeug zum Ausbohren von Glühspitzen |
kfz-tech.de/PDM61
Schnellläufer

6,65 m lang, 2,04 m breit und 3,38 m hoch. Sein Trockengewicht beträgt 45,3 Tonnen, deutlich mehr als ein voll beladener Lastzug wiegt. Die drei Motoren der 8000er-Klasse haben alle 20 Zylinder, in V-Form von nur
48° angeordnet, 347 Liter Gesamthubraum, 265 mm Bohrung und 315 mm Hub. Damit hat ein Zylinder deutlich mehr Hubraum als die größten Lkw-Motoren insgesamt. Die drei 8000er unterscheiden sich
hinsichtlich ihrer Leistungsfähigkeit, die von 7.200 kW (9.792 PS) bis 9.100 kW (12.376 PS) reicht.
Beeindruckend ist die immer gleiche Nenndrehzahl von 1.150/min für solch große Motoren. Der stärkste dieser Baureihe soll ca. 2 Tonnen Kraftstoff pro Stunde verbrauchen, allerdings mit voller
Leistung gefahren. Da kommen einem die 190 g/h CO2 noch geradezu moderat vor. Angelassen wird der Motor nicht durch einen elektrischen, sondern durch einen von ca. 40 bar
Druckluft angetriebenen Starter. Nach jedem Anlassen ist ein kurzer Check der Maschine nötig.
Das Kühlmittel wird vorgeheizt und es gibt Wärmetauscher für Öl/Kühlmittel. Im Gegensatz zu den großen Langsamläufern mit vielen Tonnen von Öl gibt es hier eine Nasssumpfschmierung mit 1600 Litern
in der Ölwanne, die bei Nenndrehzahl pro Minute zwei Mal umgepumpt werden. Der Motor arbeitet nach dem Common-Rail-Prinzip mit entsprechend hohen Drücken, hat sogar Zylinderabschaltung und wird z.B. nach
Montagearbeiten über Handpumpe entlüftet. Der Kraftstoff wird so heiß, dass er im Rücklauf extra gekühlt werden muss.
Ein Schiffsmotor braucht natürlich keinen luftdurchströmten Kühler, sondern holt sich mit einer Rohwasserpumpe Kühle aus dem umgebenden Meer. Trotzdem gelangt dieses Wasser nicht direkt zum
Motor, sondern nur bis zu einem Wärmetauscher. Nicht nur der Motor selbst wird durch einen eigenen Kühlkreislauf gekühlt, sondern auch Ladeluftkühler und die vier Turbolader. Im Gegensatz zu den
Langsamläufern hat der Motor eine Kupplung und ist mit Getrieben lieferbar. Mehrere dieser Motoren können zusammengefasst sein, auch können Strahltriebwerke Propeller ersetzen.
Es gibt an diesem Motor keinen Zylinderblock, wie man ihn vielleicht vom Pkw-Motor her kennt. Schon beim Lkw kann das einzig zusammenhängende Teil außer der Kurbelwelle deren Gehäuse sein. Auf diesem
werden dann die Zylinder samt Zylinderköpfen aufgesetzt. Das Kurbelgehäuse der 8000er beansprucht in Spezialgießereien drei Schmelzöfen, die alle den legierten Stahl in der richtigen Temperatur zum
Gießprozess vorhalten müssen. Natürlich ist der so entstehende Rohling mit 16 Tonnen noch deutlich schwerer als das spätere Motorbauteil.
Viel Tage Wartezeit für die Abkühlung und Arbeit, bis der Rohling von seiner Sandform sauber getrennt ist. Unglaublich sind die Toleranzen im Bereich von wenigen Hunderstel Millimetern für solch ein riesiges
Teil. Es dauert, bis das Kurbelgehäuse an den allermeisten Stellen entsprechend bearbeitet ist. Hier verliert er weitere 10 Prozent seines Gewichts. Ständige Kontrollen begleiten die Montage,
z.B. der Kurbelwelle und der schon vorbereiteten, ineinander geschobenen Kolben-Zylindereinheiten. Wochen vergehen, bis die Montage beendet ist.
Der Motor verfügt über eine zentrale Nockenwelle, die an jedem Zylinder vier Ventile bedient. Die Kurbelwelle ist im Gegensatz zu dieser einteilig, hat allerdings angeschraubte Gegengewichte. An dem
ganzen Rumpfmotor werden während seiner Standzeit von mehreren Jahrzehnten als größte Teile nur die Kolben samt Nasslaufbuchsen gewechselt. Das ist innerhalb eines Arbeitstages im Hafen möglich.
Zu den weiteren Anbauteilen gehören die Turbolader, so groß und schwer, dass sie nur mit dem Kran transportiert werden können. Sie bilden als Gruppe den typischen Turm im hinteren Teil des Motors.
| Ladedruck: Doppelt so hoch wie bei kleineren Dieselmotoren. |
Auch dieser große Motor muss am Ende auf den Leistungsprüfstand. Vermutlich gibt es gar keine elektrische Bremse für diese Leistungs- bzw. Drehmomentklasse. Hier kommt die gute alte
Wasserwirbelbremse zum Einsatz. Denn der Einbau in ein Schiff ist komplizierter als beispielsweise der eines Dieselmotors in einen Lkw. Bei den riesigen Langsamläufern kann der Motor bis zur Verschrottung des
Schiffs gar nicht mehr ausgebaut werden.
So, das waren jetzt zwei Kapitel, die den Blick über den Tellerrand von gewohnten Fahrzeug-Dieselmotoren öffnen sollten. Bevor wir die Klammer jetzt schließen, sollten wir noch einmal zum Zweitaktmotor des vorigen
Kapitels zurückkehren. Es gibt die 1938 von GM gegründete Division für Zweitakt-Dieselmotoren, später als 'Detroit Diesel' bekannt geworden. Nach mehreren Übernahmen ist die Firma inzwischen geteilt und für den
'Highway-Bereich' im Jahr 2000 DaimlerChrysler und den übrigen der Fa. MTU zugeschlagen worden, die noch heute auf der Website firmiert.
kfz-tech.de/YDM40
kfz-tech.de/YDM19
kfz-tech.de/YDM21
Diesel-Skandal

Hin und her haben wir überlegt, den Diesel-Skandal noch einmal aufzuwärmen, denn eigentlich ist er ja Schnee von gestern. Nicht ganz, denn wir sind auch Betroffene und warten immer noch auf eine Einigung
mit VW bzw. ein Gerichtsverfahren. Aber dieser Teil der Thematik hat gewiss in einem Buch über den Dieselmotor nichts zu suchen. Auch ist es nicht unsere Absicht, hier wieder einmal VW allein an den
Pranger zu stellen.
Der Grund für die Aufnahme dieses Kapitels ist die immer noch recht einseitige bzw. nur mühsam zu Erkenntnissen kommende journalistische Arbeit in diesem Fall. Das fing schon damit an, sich nicht von
Anfang an auf fast alle Hersteller bzw. Anbieter von Dieselmotoren zu beziehen. Jetzt könnte man die Fa. Bosch als den Haupt-Drahtzieher benennen, aber auch das wäre zu kurz gegriffen. Am Ende dieses
Kapitels können Sie ja dann selbst beurteilen, ob wir Ihnen einen Zugewinn an Wissen erbracht haben.
Sie merken schon, wir haben es, dem Titel dieses Buches entsprechend, hauptsächlich auf die technische Seite des Problems abgesehen. Dazu müssten wir erst einmal klären, warum denn ein Auto, nicht nur
um harmlose Abgaswerte vorzutäuschen, sondern ganz generell wissen muss, dass es sich gerade auf einem Prüfstand befindet. Bestimmte programmierte Abweichungen vom Verhalten im realen Verkehr sind
zwingend notwendig. Das folgende Beispiel soll zeigen, dass diese sogar absolut gesetzeskonform sein können.
Stellen Sie sich vor, es liegt eine Fehlermeldung im Bereich ESP vor. In der Werkstatt will man im Rahmen der Fehlersuche wissen, ob denn dieses System überhaupt in der Lage ist, einzelne Räder gezielt
abzubremsen. Sehr leicht kann man sich vorstellen, dass so eine Funktion nur auf einem Bremsenprüfstand bei einer simulierten Geschwindigkeit von etwa 5 km/h überhaupt gestartet werden darf. In jedem
anderen Fahrbetrieb kann so ein Versuch tödlich enden. Die Erlaubnis für eine solche Funktion kann man auch nicht der Werkstatt überlassen. Was wäre, wenn es versäumt würde, diese wieder
zurückzustellen?
Aber von wem stammt denn eigentlich die Software für das Motormanagement, das auch das eventuelle Verhalten auf dem Prüfstand und die Abgasentgiftung beinhaltet? Das ist, neben anderen Zulieferern für die
Elektronik des Motors, z.B. die Firma Bosch. Daher müssten also die möglichen und nicht immer illegalen Abzweigungen kommen, die offensichtlich von den Original Equipment Manufacturers
genutzt worden sind.
Das ist also immer Teamwork. Sind solche Ausstiege aus dem normalen Prüfablauf nicht vorhanden oder wird der OEM nicht darauf hingewiesen, so kann er sie nicht nutzen. Es lässt sich vermutlich gar nicht klären, wer
den Hauptanteil an den Tricksereien hat, zumal auch hier per Gesetz Abweichungen vom normalen gesetzeskonformen Verhalten bei sehr tiefen Temperaturen möglich sind, um z.B. den Motor zu schonen.
Jedoch ist auch dieses Schlupfloch durch erhebliches Anheben dieser Temperatur und Absenkung von für den Motor angeblich schädlichen, zu hohen Temperaturen so sehr ausgenutzt worden, dass der Motor in den
meisten in Deutschland übers Jahr üblichen Temperaturen im schadstoffreicheren Betrieb fuhr.
So, das war jetzt einigermaßen gesichertes Wissen, Was jetzt kommt, enthält schon ein paar Vermutungen, aber Sie werden sehen, sehr weit hergeholt sind die nicht. Dieser Skandal muss irgendwann aus
einer Not heraus seinen Anfang genommen haben. Ob das nun bei VW zur Ankurbelung seines darniederliegenden Geschäfts in USA oder einen anderen Grund hatte, ist eigentlich unwichtig. Es muss wohl so
gewesen sein, dass von den zuständigen Technikern/innen eine Ingenieurleistung verlangt wurde, die eigentlich höhere Kosten in der Serie verursacht hätte.
Und genau die konnte man sich aus Gründen der Konkurrenzfähigkeit nicht leisten. Wenn es USA war, dann wären in dem sehr preissensitiven Automarkt dort Diesel mit einem besonderen Abgassystem nicht
absetzbar gewesen. Allerdings hatte man durch den Partikelfilter dem Diesel endlich das Rußen abgewöhnt. Daraufhin wurden dann besondere Fähigkeiten in Bezug auf das Abgas herausgestellt, denn von zu
viel NOX konnte man ja an den Abgasen nichts erkennen. Und das hat wohl zur besonderen Wut in USA und vielleicht auch den schärferen Bestrafungen geführt.
In Europa konnte man beim Diesel immer den geringeren Verbrauch hervorheben, ein Argument, das in USA weniger zählt. Da gibt es die ältere Dame, die zwei andere mit Hilfe eines Tuchs am Auspuff
überzeugt, wie sauber so ein Diesel daherkommt. Also wurde in dem Land mit den in Bezug auf NOX schärferen Vorschriften ausgerechnet hauptsächlich mit dem Abgasargument zu punkten versucht,
und auch der entsprechende Erfolg verbucht. Man erwartete schon, dass Amerika den Diesel bald ebenso lieben würde wie Europa.
Und warum hat man nicht mit einer eventuellen Aufdeckung der massiven Täuschungen gerechnet? Ganz einfach: Zu der Zeit der ersten Manipulationen gab es noch keine mobilen Testgeräte. Und aus jedem nur
denkbaren stationären Test wären die Autos immer als Saubermänner hervorgegangen. Die Anfänge müssen schon mindestens 10 Jahre vor der Konstruktion der ersten mobilen Tester gelegen haben. Und
selbst wenn man von der Existenz der Planung solcher gewusst hätte, wer würde diese teuren Geräte denn kaufen wollen?
Es ist ja eigentlich auch nur durch Zufall entdeckt worden. Ausgerechnet die massive Werbung für den Diesel in USA hat dafür gesorgt, dass eine relativ kleine Organisation beweisen wollte, dass ein Diesel
wirklich umweltfreundlich sei und dieser damit noch mehr zu empfehlen sei. Aber das Leben schreibt Geschichten, die kann man nicht erfinden. Ausgerechnet diese Tests führen zur Aufdeckung des Skandals.
kfz-tech.de/YDM22
Warum wir uns von Anfang an relativ sicher waren, dass wesentlich mehr als nur ein Hersteller betroffen sei? Weil auch der nicht standardisierte Test unseres Golf TDI auf der Rolle (oben ab 5:00) einen eher
hemmungslosen Ausstoß von NO zeigt. Insgesamt zeigen sich hier die Spuren des Rennens um den geringsten Verbrauch, der durch hohe Verbrennungstemperaturen und damit viel NOX erkauft wird. Und
wenn die Fahrzeuge anderer Marken mit unserem Auto durchaus mithalten konnten, darf man bei denen auch eine mangelnde Zurückhaltung vermuten.
Und wir als Käufer/innen haben natürlich verglichen und uns bei jedem neuen Modell über mehr Ersparnis gefreut. Noch heute schlägt unser Auto bei den Spritkosten alle E-Autos, egal wo sie (natürlich nicht kostenlos)
geladen werden, wenn es um etwas höhere Geschwindigkeiten geht, im Winter ohnehin, aber auch im Sommer. Erstaunlicherweise hat daran auch das Software-Update nichts geändert. Übrigens, dass man der Sache frei
nach Goethes Zauberlehrling nachher nicht mehr Herr wurde, kann man vielleicht verstehen, nicht aber viele Reaktionen darauf, als der Schwindel bereits entdeckt war.
kfz-tech.de/YDM23
EA 288 EVO

Auf dem Wiener Motorensymposium 2018 ist man bei VW nicht nur stolz auf den gründlich renovierten neuen EA 288, sondern auch auf die erweiterten Möglichkeiten einer sogenannten 'virtuellen Baustufe'.
Das meint nichts Geringeres, als dass alles Nötige zur Entscheidungsfindung ausschließlich digital bereitgestellt wurde. D.h. den Motor gibt es noch nicht und trotzdem kann man schon seine
Lebensdauer und vieles andere abschätzen, z.B. auch seinen Wirkungsgrad und sein Geräuschverhalten. Der schöne Teil der neuen digitalen Welt.
Es ist eine gewisse Zeit vergangen nach einer Katastrophe, die unmittelbaren Schäden sind beseitigt, offenbar so gut es bisher ging. Und jetzt sucht man nach einem Weg in die Zukunft, in diesem Fall des
Dieselmotors in VW-Fahrzeugen. Nein, ganz fallenlassen kann man ihn gar nicht, denn die schweren Fahrzeuge sind allesamt auf ihn angewiesen, darunter auch viele der allgegenwärtigen SUVs.
| Langhuber (81,0 mm * 95,5 mm) hier immer noch typisch für einen Dieselmotor.
|
Aber, diese Art Neuanfang ist nicht ohne einschneidende Konsequenzen. Beispiel gefällig? Es wird keine Dieselmotoren unter zwei Liter Hubraum mehr geben. Hub und Bohrung bleiben, aber z.B. wird auf
das neue Zylinderkurbelgehäuse aus Alu ein anderes Kokillengussverfahren angewandt. Es erhöht noch einmal die Festigkeit besonders im Bereich der Aufnahme der Kurbelwelle und der Zylinder.
Unglaubliche 20 kg werden gegenüber dem einstmals knapp 47 kg schweren Graugussteil eingespart. Kühlmittel- und Ölkanäle sind integriert.
| Zylinderkurbelgehäuse mit Dünnwand-Laufbuchsen aus Grauguss |
Auch die Kurbelwelle wird noch einmal leichter. Ein richtiges Schwungrad gibt es schon lange nicht mehr. Die beiden Ausgleichswellen sind an den effizientesten Orten im Motor angeordnet, die an der
Einlassseite unten über ein Zahnrad, die an der Auslassseite oben über zwei davon verbunden. Deren Antriebsräder sind gradverzahnt und zweigeteilt. Das ermöglicht einen gewissen federbelasteten
Versatz der beiden Zahnräder und verhindert so Geräusche, denn ein Zahnradtrieb aus Stahl braucht in einem Alu-Gehäuse je nach Temperatur ein gewisses Spiel.
| Hauptbauteile bleiben für beide Leistungsvarianten gleich, Anbauteile werden variiert.
|
Haben zwei Leistungsvarianten ein und desselben Motors unterschiedliche Leistungen, ist man leicht geneigt, sie auch für innerlich gleich zu halten. Bei diesem Motor sehen wir trotz nur 20 kW und 20 Nm
mehr die Wahl von Aluminium- statt Stahlkolben. Was die Berechnungen nicht alles hervorbringen? Trotz Bohrungs- und Hubgleichheit ergibt das kürzere Pleuel, weil der Alu-Kolben erheblich länger ist. Im
Gewicht sind sich also beide nicht so unähnlich, wie es die Materialwahl vermuten lässt. Zusätzlich hat man dem leistungsstärkeren Motor mehr Haupt- und Pleuellagerbreite verpasst. Klar muss natürlich
sein, dass für ihn das jetzige Drehmoment- und Leistungsniveau auch der Ausgangspunkt für weitere Steigerungen sein kann.
Unglaublich, was moderne Messtechnik für ein dreidimensionales Strömungsfeld auf den Monitor zaubert. Sie hilft bei der Rückentwicklung der beiden Nockenwellen hin zur
klassischen Unterscheidung von Ein- und Auslassseite. Der verdrehte Stern aus vier Ventilen und einem Injektor ist passé. Verwirbelung wird offensichtlich noch effektiver durch Kanalführung und
weiteren Gestaltungen am Zylinderkopf erreicht. Dabei achtet man jetzt gleichzeitig viel stärker auf eine gute Durchströmung. Übrigens ist die Vakuumpumpe nun am Nockentrieb angeordnet und hat
vermutlich angesichts elektrischer Brake-Booster auch dort nur eine begrenzte Verweildauer.
Anfangs bestaunt, hat sich der Antrieb der Ölpumpe über Zahnriemen bewährt. Kennfeldbasiert und mit extra Magnetventil für die Ölspritzkühlung konnte die Normalversorgung vom Druck her nochmals
reduziert werden. Mit dem Öl ist man jetzt bei 0W-20 angelangt. Obwohl bei jeder Motorrevision eigentlich Pflicht, ist eine Reduzierung der Reibleistung von 25 Prozent bei der kleineren Leistungsstufe schon
erstaunlich. Unten sehen Sie endlich einmal ein Bauteil etwas deutlicher, das es bei VW schon länger gibt, den in das Saugrohr integrierten Ladeluftkühler.

Hinzu gekommen ist der in dunklem Grau gehaltene Kanal für Hochtemperatur-Kühlmittel aus dem Zylinderkopf zum Abgas-Rückführungsventil links. Dem entsprechend braucht der Ladeluftkühler natürlich
Kühlmittel aus dem Niedertemperatur-Kreislauf. Hoch- und Niederdruck-Abgasrückführung sind jetzt anders angeordnet und sogar für Kaltstart und Warmlaufphase nutzbar gemacht. Bei der Aufladung spricht
man von größerem Durchsatz und einer 'neuen VTG-Generation' für die kleinere Leistungsstufe. Offensichtlich ist hier der Wirkungsgrad so gut gelungen, dass hubraumkleinere Versionen sich kaum lohnen.

Natürlich gibt man sich bei der Abgasentgiftung keine Blöße mehr. Oben sehen Sie den vergrößerten Oxidationskatalysator ganz rechts und dahinter einen ebenfalls voluminöseren Partikelfilter, der durch
eine besondere Beschichtung gleichzeitig für Selective Catalytic Reduction sorgt. Dazwischen der SCR-Mischer und das entsprechende Dosiermodul. Unten noch einmal der komplette
Verlauf der Abgasleitung.

Diesel-/Erdgasmotor 1

kfz-tech.de/PDM62
M 936 G 7.700 cm3 (110 mm * 135 mm), R-6, DOHC, 4V, 1.200 Nm bei 1200-1600/min, 222 kW (302 PS) 2000/min, Erdgas, 6 Einblasventile, 2015
| Kein Unterschied zum gleichgroßen Dieselmotor bei Leistung und Drehmoment. |
Da wächst ein Konkurrent im gleichen Fahrzeug heran. Nein, damit ist diesmal kein Elektromotor gemeint, sondern einer, der mit Erdgas betrieben wird, vermutlich derzeit in Deutschland händeringend von den
Städten gesucht, die mit einer Umrüstung ihrer älteren Diesel-Busflotte auf unproblematische und dennoch garantiert besonders stickoxidarme Fahrzeuge Fahrverbote für Dieselmotoren bis einschließlich Euro 5
vermeiden wollen. Subventionen stehen bereit und Daimler scheint das richtige Produkt zu haben.
| Vorbildliche Stickoxid- und Feinstaubwerte. |
Also ist unser erster Bezug zum Dieselmotor die Ermöglichung der freien Fahrt für die etwas betagteren Pkw-Diesel. Aber es gibt noch einen zweiten, weil nämlich der hier beschriebene Erdgasmotor aus einem
Dieselmotor mit fast gleicher Bezeichnung entwickelt wurde. Das Ursprungsobjekt ist ein Oel-Motor 936 und der daraus entstandene heißt Motor 936 Gas. Es dürfte spannend
sein, zu erfahren, was z.B. von dem Diesel hinübergerettet werden konnte und damit Entwicklungskosten gespart hat.

Um es gleich vorweg zu nehmen, beide Motoren haben den gleichen Hubraum und sogar Bohrung und Hub wurden beibehalten. Wenn man dann aber hört, dass nicht nur der Zylinderblock, sondern auch
noch der Zylinderkopf geblieben ist, wird man langsam hellhörig. Ein Blick auf die gleiche Entwicklungsnummer verrät etwa, dass beide Motoren quasi gleichzeitig entstanden sind. Da dürfte der Diesel in
vertretbarem Maße auf die Erdgas-Variante Rücksicht genommen haben.
Bevor wir zu den natürlich vorhandenen, gravierenden Unterschieden kommen, hier noch ein kurzer Blick auf die großen Erdgas-Vorgänger. Das waren Magermotoren mit homogenen Brennverfahren mit dem Vorteil
hoher Wirkungsgrade. Die waren dem Diesel-Verfahren noch deutlich näher, allerdings auch hinsichtlich ihrer NOX-Emissionen, die ja gerade alles andere als gebraucht werden. Die neuen, wozu auch
der hier besprochene zählt, arbeiten stöchiometrisch, also mit Lambda=1 und entfernen sich dadurch vom Dieselmotor, also auch im Verbrauch.

Das bedeutet, unser Erdgasmotor arbeitet durch andere Kolben mit einer für Benziner üblichen geometrischen Verdichtung, hat Lambdasonde und 3-Wege-Kat nachgeschaltet. Schauen Sie sich oben im
Bild das Prachtexemplar an, vielleicht ein wenig größer, als sie es vom Pkw her gewohnt sind. Natürlich konnte der Zylinderkopf nur im Großen und Ganzen beibehalten werden. Mercedes berichtet, dass
Aufladung, Ladeluftführung, Zündung und Gemischaufbereitung inklusive Abgasrückführung geändert wurden.

Zum Vorschein kommt ein prinzipientreuer Erdgasmotor, dem Benzinmotor mehr als nur artverwandt. Jeweils außen die beiden Nockenwellen, die über Rollen-Kipphebel die insgesamt vier Ventile pro Zylinder
antreiben. Links die Einlass-, rechts die Auslassseite. Exakt in der Mitte die Zündkerze mit der Möglichkeit, diese über eine Stabzündspule anzusteuern. Im Prinzip nimmt die Zündung die Plätze der Injektoren
beim Diesel ein.
Das bedeutet aber im Umkehrschluss, dass der Erdgasmotor nicht über Direkteinspritzung verfügt. Allerdings wäre das nur für einen Benzinmotor ein echter Nachteil, weil Benzin beim Verdampfen im Brennraum
Wärme entzieht. Eine Verdampfung kommt aber bei Erdgas nicht vor, weshalb die sechs (!) hintereinander angeordneten Einblasventile in dem aufgeladenen Frischlufttrakt keinen wesentlichen Nachteil darstellen.
Ölverbrauch: nach Herstellerangabe deutlich unter 1 Liter pro 10.000 km |
Der bis zu 20 Prozent höhere Verbrauch ist allein dem Prinzip des Ottomotors und der Regelung mit Lambda 1 geschuldet. Allerdings wird der Mehrverbrauch durch den Tankstellenpreis fast kompensiert. Ohnehin
lässt sich die Anschaffung von Bussen mit einem solchen Motor für die Verkehrsbetriebe am besten durch eine eigene Tankstelle realisieren. Denn nur so stellt man den Betrieb mit höherenergetischem Erdgas und
gleichbleibend hohem Tankdruck sicher.
Das Konzept weitergedacht, wäre dann auch weitere städtisch genutzte Fahrzeuge ankoppelbar. Wohingegen der neue Actros mit NGT-Motor mit nur 125 km Reichweite pro Tankfüllung wohl eher zum Flop werden
dürfte. Ein Bus kann eben viele, inzwischen sehr leichte Tanks auf dem Dach anordnen. Für Schwerlaster womöglich im Fernverkehr ist hingegen noch kein Licht am Ende des Tunnels sichtbar.

kfz-tech.de/PDM63
Gestatten Sie zum Schluss noch einen ganz verrückten Vergleich. Es gibt nämlich doch ein mögliches Vergleichsobjekt zu diesem Lkw-Motor, den der Bugattis Chiron und Divo. Der hat mit 8 Litern in etwa den
gleichen Hubraum. Nun gut, er hat fast die fünffache Leistung bei deutlich mehr als der dreifachen Drehzahl. Aber das Drehmoment ist mit 1600 Nm nur um 400 Nm höher, und das ab 2000/min.

D.h. bis irgendwo zwischen 1200 und 2000/min haben beide Motoren mit dem gleichen Drehmoment auch die gleiche Leistung, wobei der Erdgasmotor gegenüber einem Benziner prinzipiell auch noch etwas im
Nachteil ist und 300 cm3 weniger hat. Da kann man einmal sehen, wie sehr man sich bei Daimler bemühen musste, um dem Erdgasmotor die gleiche Drehmoment-Charakteristik wie dem
gleichvolumigen Dieselmotor zu geben, vermutlich mit viel frühem Ladedruck.
Diesel-/Erdgasmotor 2

Dieser Truck wird mit Diesel und mit Erdgas betrieben, sehr wenig Diesel und sehr viel Erdgas, im Normalbetrieb im Verhältnis 5 zu 95. Er hat also einen sehr kleinen Tank für Diesel und einen großen für Erdgas
(Bild: Fahrtrichtung links). Er ist vom Volvo FH abgeleitetet und außer der besonderen Einspritzanlage gibt es am Motor selbst keine dieseluntypischen Besonderheiten.
| 309 kW (420 PS) 2100 Nm/324 kW (440 PS) 2300 Nm |
Getankt wird Liquified Natural Gas, was nichts anderes als Compressed Natural Gas in flüssiger Form ist. In Deutschland ist das schwer verfügbar, nicht so z.B. in den
Niederlanden und in Schweden. Weit verbreitet ist es auch in USA. Man könnte solche Motoren auch mit CNG betreiben, hätte aber eine deutliche Einbuße an Reichweite.
Denn die beträgt bei diesem Volvo hier mit dem größten LNG-Tank etwa 1.000 km, in USA ist noch mehr möglich. Wichtig ist noch, dass es nicht die bei bisherigen Umstellungen von Diesel auf Erdgas zu
erleidende Nachteile gibt. Der Dieselmotor bleibt im Prinzip bei seiner Leistung und vor allem, seinem Drehmoment. So ist dieses Verfahren besonders geeignet auch für den Schwerlastverkehr.
Das bei ca. -163°C getankte LNG ist in einem doppelwandigen, mit Vakuum versehenen Tank für ein paar Tage angeblich temperatursicher untergebracht. Es wird mit knapp 350 bar durch einen Wärmetauscher mit
Kühlmittel nunmehr als CNG einer eigenen Einspritzanlage zugeführt. Kurz vor der Direkteinspritzung mündet es allerdings zusätzlich im Common-Rail Injektor.
| LNG-Anlage von der Fa. Westport, USA |
Der hat nicht nur zwei Anschlüsse, sondern auch zwei konzentrische Nadeln, die innere für Erdgas, die äußere für Diesel. So kann das schon erwähnte Mischungsverhältnis hergestellt werden. Unbedingt erforderlich
ist es, den Dieselkraftstoff zuerst einzuspritzen, denn durch seine Verbrennung wird erst die nötige Zündtemperatur für das sehr hochoktanige Erdgas erreicht.
Der Vorteil liegt, wie bei anderen mit Erdgas betriebenen Verbrennungsmotoren auch, im niedrigeren CO2-Anteil. Der ist dann versprochene 20 Prozent niedriger, bei auch möglichem Betrieb mit Biogas
100 Prozent, also CO2-neutral. Das könnte man dann noch mit Biodiesel auf den kompletten Abgas-Ausstoß erweitern.
Was aber diesen Antrieb von allen anderen unterscheidet, ist der deutlich geringere Verbrauch. Es handelt sich im Prinzip um einen immer günstigeren, monovalenten Antrieb, der also vollständig auf die immer
gleiche Kraftstoffmischung ausgelegt ist. Allerdings ist offenbar zeitbegrenzt mit enormen Einbußen an Leistung ein Notbetrieb nur mit Dieselkraftstoff möglich.

| Ca. 100 kg Abgasanlage nötig. |
Die Abgasanlage ist fast so kompliziert wie die modernen Nur-Diesel. Man braucht also sowohl Partikelfilter als auch SCR-Katalysator mit AdBlue-Einspritzung. Besonders kostengünstig dürfte das System also nur sein,
wenn, wie z.B. noch in Deutschland, der Preis für CNG steuer- und/oder der ganze Lkw mautbefreit ist, bzw. weniger Kfz-Steuer erfordert.
Man spekuliert bei reinen Erdgas-Lkws auf eine Nachtfahrerlaubnis wegen geringerem Lärm. Das dürfte für diesen Fahrzeugtyp hier etwas schwieriger werden. Außerdem darf er nicht, wie rein elektrische
Fahrzeuge, z.B. in geschlossenen Hallen be- oder entladen werden. Überhaupt sind wegen des LNG die Sicherheitsanforderungen und -überprüfungen immens.

Schauen Sie einmal, wieviel Platz sich hinter einem gewöhnlichen Fahrerhaus bietet. Wenn Sie diesem Fahrzeug die Dieseltanks bis auf einen kleinen plus AdBlue reduzieren, können Sie die Bremsanlage wieder
seitlich am Rahmen anordnen. Und wofür nutzen wir den riesigen gewonnenen Raum? Natürlich für einen CNG-Tank bzw. mehrere, die parallel geschaltet sind.
Wir könnten dann noch den Druck über 200 bar hinaus erhöhen, denn immerhin beträgt er bei Wasserstoff 700 bar. Wetten, dass damit genug CNG für 1000 km Reichweite zur Verfügung stünde? Keine Verflüssigung,
und die Tankstellen-Infrastruktur entsteht gerade. Gewiss, das Betanken dauert etwas länger, aber das tut es bei normalen Tankstellen und großen Dieseltanks auch.
Denn das eigentlich Geniale an der oben gezeigten Idee ist der Injektor mit den zwei Nadeln. Den und seine doppelte Einspritzanlage behalten wir natürlich bei, ebenso wie den Dieselmotor. Kommt die erneuerbare
Energie voran, können wir sogar mit Wasserstoff statt Erdgas experimentieren. Der entsteht, wenn erneuerbare Energie gerade nicht direkt gebraucht wird.

kfz-tech.de/VDM1

kfz-tech.de/VDM2
kfz-tech.de/YDM24
| Sehr ausführlich und informativ, Untertitel möglich. |
kfz-tech.de/YDM25
Gibt's nicht gibt's nicht

Sommer Diesel 516 516 cm3 (93,0 * 76,0), Einzylinder, 20,5 : 1, OHV, Kipphebel, Direkteinspritzung, Gebläsekühlung, 27,5 Nm bei 2000/min, 8,5 kW (12 PS) 3500/min, 47 g/km, 4-Gang,
Schaltung rechts, Einschleifen-Stahlrohr, geschlossene Unterzüge, Scheibe/Trommel, hydraulisch, kein ABS, Teleskopgabel, 2 Federbeine hinten, Drahtspeichen, 3.25 - 19/3.50 H 19, 13,5 l,
Radstand 1,41 m, Sitzhöhe 760 mm, Zuladung 185 kg, Leergewicht 165 kg, 105 km/h, 9.950 €, ab 2017
Eher Jahrzehnte als Jahre ist es her, da räsonierte ich im Unterricht wieder einmal über die Vorteile eines Benzinmotors. Turbos waren im Serienbau noch nicht angekommen und hätten auch nicht so gut
zu dem Statement gepasst, dass man so einen Benziner bei entsprechender Auslegung herrlich hochdrehen kann. Und mein Vortrag endete damit, so ein Motor passe natürlich grundsätzlich sehr gut zu
einem Motorrad und ich mir nicht vorstellen könne, jemals z.B. einen Dieselmotor in so einem Gefährt anzutreffen.
Meldet sich ein Schüler und sagt, er habe gehört, in Indien gäbe es solche Motorräder. Nun waren damals Recherchen bedeutend schwieriger als heute, führten aber letztlich zu dem Ergebnis, dass
tatsächlich mindestens eine Royal Enfield mit Dieselmotor existiere. Das war der Tag, an dem ich beschloss, nie wieder zu behaupten, irgendetwas gäbe es im Bereich der Kfz-Technik nicht. Da hätten
einem ja viele Kombinationen einfallen können, z.B. SUVs als Coupes oder Cabrios, aber ich bin zum Glück dieser Prämisse treu geblieben und habe mir fortan solche Blamagen erspart.
Würde man so ein Gefährt mit einem 25-Liter-Tank ausrüsten, 1.000 km Reichweite lägen im Bereich des Möglichen, sofern man es denn aushielte. Nein, für die Fernstrecke ist so eine Maschine nicht
gemacht, viel zu langsam. Deshalb werden auch nicht so große Tanks benötigt. Es ist für ein Motorrad ohnehin sehr viel schwerer als eins mit Benzinmotor gleicher Leistung. Der Verbrauch kann
allerdings auch noch unter 2,5 Liter/100km sinken, was bei einem mit Benzinmotor schwieriger sein dürfte.
Das Motorrad ist bis auf den Rahmen eine Royal Enfield mit separatem Getriebe, in die ein stationärer Kleinmotor der Fa. Hatz aus Ruhstorf in Niederbayern, der aus der B-Serie stammend für den Dienst
im Motorrad leicht auf- und umgerüstet wurde. Bei der Firma von Jochen Sommer in Mittelfranken, eigentlich mit dem Veredeln von Normalmotorrädern beschäftigt, wird das Ganze zusammengebaut.
Immerhin verdankt die Herkunft des Motors dem/der künftigen Besitzer/in die Anstrengung, ihn per Kickstarter in Bewegung zu setzen. Man verfügt über einen elektrischen Starter, was allerdings an der
doch etwas rustikalen Geräuschkulisse nach dem Start nichts ändert.

Wir haben hier einen der kleinsten ausgewählt. Im Netz kursieren solche Motoren mit 50 kW und noch viel mehr, darunter Triebwerke von Autos wie z.B. Dreizylinder aus dem VW Lupo, mehr als doppelt
so schnell wie unsere 516. Das sind fast alles Eigenkonstruktionen, in der Spitze sogar mit hydraulischem Allradantrieb. Eines in einem Honda Chassis haben wir entdeckt, das der Geräuschkulisse eines
Benziners zumindest nahekam. Der Rest, besonders die Einzylinder, regten zum Mitzählen der Arbeitstakte an.
Einmal in Fahrt mag es sich geben, vielleicht sogar auch das Schwingungsverhalten. Etwas gewöhnungsbedürftig das nicht ganz wegzudenkende Gebaren des ehemaligen Industriemotors. Die gemütliche
Fahrt über die Landstraße findet fast ausschließlich im vierten Gang statt, Zurückschalten für eine Extraportion Beschleunigung erscheint eher sinnlos. Ein Stationärmotor wird eben im Prinzip immer nahe
seiner höchsten Leistung optimiert und betrieben. Und noch eine Besonderheit: Dieselmotoren brauchen meist eine längere Einlaufzeit als Benziner. Übrigens spiegeln sie auch später deutlich ihre Behandlung
wider, können beschwerend laut oder überraschend zufrieden leise werden.
Bei tiefen Temperaturen verbreiten sie allerdings kein Wohlbefinden. Da kann auch die elektrische Anlage zum Starten überfordert sein. Es fehlt dann halt die Vorwärmung. Das Internet legt übrigens
Zeugnis ab, wie schwierig es ist, einen Dieselmotor per Kickstarter ans Laufen zu bringen, auch und vermutlich gerade, wenn er über nur einen Topf verfügt. Unbedingt nötig scheint hier Dekompression zu
sein, die entweder von Hand eingeschaltet wird, solange man tritt, oder einer Automatik überlassen wird, die das während des genau berechneten Kolbenwegs bei Treten des Kickstarters tut.
Auch die Abgasentgiftung ist nicht gerade bestmöglich. Da von Partikelfiltern hier noch nie jemand etwas gehört zu haben scheint, ist besonders der nichtelektrische Start deutlich mit einer Rußwolke
verbunden. Immerhin vermeidet unser 516er eine solche beim Gas geben. Überhaupt gelten die bekannten Euro-Abgasnormen für Motorräder dieses Zuschnitts nur sehr bedingt, denn deren Teile 2 und 3
sind mit ehrlichen knapp 100 km/h gar nicht zu schaffen und werden deshalb auch nicht gefahren. So getestet kommt die 512 auf Euro 4.
Bleibt nur, sich an den 47 g/km CO2 zu erfreuen und schon einmal, wie bei Besitzern/innen von reinen E-Autos schon längst geschehen, den Weg zur Tankstelle zu üben, um dort
irgendwann einmal dem/der Pächter/in endgültig Adieu zu sagen.
kfz-tech.de/YDM26
kfz-tech.de/YDM27
Rekorde

Dieses Fahrzeug hat für Großbritannien Kfz-Geschichte geschrieben, das erste Mal 2006, als es auf dem berühmten Salzsee von Bonneville 529 km/h erreichte. Dass noch mehr drin sein sollte, bewiesen zwei
Tatsachen, nämlich einmal die 'nur' 521 km/h auf den Hin- gegenüber den 536 km/h auf der Rückfahrt. Auch gab der Fahrer Andy Green nachher zu, nur fünf der möglichen sechs möglichen Gänge benutzt zu haben.
Die Zusammenarbeit zwischen JCB und Richardo geht wohl auf das Jahr 2004 zurück, als man dort beschloss, in einem vollkommen neuen Werk die Dieselmotoren für die eigenen Baumaschinen selbst zu bauen.
Der JCB 444 ist ein für große Frontlader konzipierter Motor, 6 Zylinder in Reihe mit Turbolader und seitlicher Nockenwelle, vier Ventilen, die über Stößelstangen und Gabelpleuel betätigt werden.
Vermutlich gab es schon damals den Plan diesen Motor aufzurüsten. Die ebenfalls britische Firma Richardo ist weltweit vertreten und u.a. berühmt für ihr schon traditionelles Motoren-Knowhow. Sie wurde 1915 von
Harry Richardo gegründet. Der hatte da neben seinem Studium in Cambridge schon eine Menge Erfahrung mit der Konstruktion von Verbrennungsmotoren. Erste größere Aufgabe war es, den Motor des Panzers Mark
V einigermaßen rauchfrei zu machen, im tobenden Ersten Weltkrieg aus strategischen Gründen nicht ganz unwichtig.
Ein Motor mit weit vorweggenommenen Quetschkanten und einer mit variabler Kompression aus dem Jahr 1919 stechen aus den anderen Innovationen von Richardo deutlich hervor. Beides ist zwar für Benziner
gedacht, aber bereitet vielleicht auch schon eine gewisse Kompetenzbildung für Dieselmotoren vor, die sich z.B. in der 'Comet' genannten Wirbelkammer von 1931 zeigt.
Eine Richtung der Produkterweiterung betrifft den weiteren Weg des Drehmoments im Fahrzeug. Eigenartigerweise reklamiert man bei Richardo die Viskokupplung für sich, obwohl der deutsche Mahle-Behr Konzern
das auch tut. An berühmten Fahrzeugen hat man mitgearbeitet, so den FED Alpha des US-Militärs, dem nahezu unschlagbaren Lancia Delta und last but not least sogar Bugatti Veron und McLaren M838T. Beim Bugatti
war man am Doppelkupplungsgetriebe, beim McLaren wiederum am Motor beteiligt.

Zugegeben, der Rekord für aufgeladene Benzinmotoren war in der Zeit schon außerhalb der Möglichkeiten der beiden, jeweils 103 kW (140 PS) auf 551 kW (750 PS) gebrachten, ehemaligen Baggermotoren.
Dagegen stand der bei den Dieselmotoren damals bei 235 m/h, also 'nur' 376 km/h. Übrigens war von vornherein kein Start- und Anfahrvorgang geplant, was wohl die z.B. Kupplung über Gebühr strapaziert hätte. Der
'Zigarre' genannte Wagen wurde von einer Baumaschine mit im Prinzip identischen auf 50 km/h angeschoben.
Außen hat das neun Meter lange und ca. 2,7 Tonnen schwere Fahrzeug eine Karbonhaut, innen zusätzlich zu den beiden Motoren noch einen 180-Liter-Tank. der aber nicht mit Dieselkraftstoff, sondern mit Eiswürfeln
gefüllt wird. Deren Verdampfungswärme ergibt einen zusätzlichen Kühleffekt. An dem hohen Gewicht kann man erkennen, dass es zwar für eine gute Beschleunigung nachteilig ist, nicht aber für diese enorme
Höchstgeschwindigkeit.
Wie schon oben angedeutet, ist man zehn Jahre später noch einmal in Bonneville mit einem Team von über 30 angetreten und hat den Rekord auf 563 km/h angehoben.
kfz-tech.de/YDM28
kfz-tech.de/YDM30
Lückentexte

1. Eine sehr lange Zeit gab es den Dieselmotor nicht als _____motor (Bild oben).
Lösung
2. Er ist heutzutage fast immer aufgeladen und dafür kommt wohl ausschließlich ein _____ in Betracht.
Lösung
3. Einen Kompressor sucht man in einem Dieselmotor meist vergebens. Noch eher, aber ebenfalls sehr selten, ist ein sogenanntes Turbo-________-System.
Lösung
4. Gegen Ende seiner Entwicklung hat der Dieselmotor sogar in ____________rennen gegen den Benziner eine Chance
gehabt.
Lösung
5. Typisch für den Dieselmotor ist viel __________ im unteren Drehzahlbereich.
Lösung
6. Man hat in letzter Zeit sogar den Eindruck, dass sich der ______motor dem ______motor anpasst.
Lösung
7. So sinken z.B. die ____drehzahlen des Benziners z.T. deutlich.
Lösung
8. Auch hat vielfach der Benziner vom Diesel die __________________ übernommen.
Lösung
9. Allerdings sind die ______ an den Injektoren deutlich geringer.
Lösung
10. Manche Hersteller bieten den Dieselmotor sogar schon in besonderen Karosserieformen wie ______ und _______ an.
Lösung
11. Einen deutlichen Nachteil hat der Dieselmotor, das sind die ______ für seine Herstellung.
Lösung
12. Wird der Kraftstoff ___________ hergestellt, könnte der Dieselmotor sogar noch mit erneuerbarer Energie überleben.
Lösung
13. Es gibt einen Betriebsbereich, da gilt der Dieselmotor keineswegs als besonders sparsam, die ________.
Lösung
14. Moderne Einspritzanlagen schaffen als die geringst mögliche Einspritzung weniger als einen ____________.
Lösung
15. Deshalb ist __________ beim Öffnen der Einspritzanlage oberstes Gebot.
Lösung
16. Der Dieselmotor gehört zur Gattung der ____________motoren.
Lösung
17. Natürlich arbeitet er mit Kerosin als ähnlichem Treibstoff wie Diesel auch in _____triebwerken, aber wir befassen
uns ausschließlich mit ihm als Hubkolbenmotor.
Lösung

18. Zum Teil ist er auch heute noch ____huber ausgelegt.
Lösung
19. Aber noch typischer für ihn bis auf bisher eine kurzzeitige Ausnahme ist die gegenüber dem Benzinmotor höhere ___________.
Lösung
20. Seit es Turbolader im Dieselmotor gibt, ist diese übrigens spürbar ________ geworden.
kfz-tech.de/YDM31
Lösung

21. Grundsätzlich kommt es bei einem Dieselmotor nur durch die hoch verdichtete ____ zur Zündung.
Lösung
22. Er kann den längeren Hub im Verhältnis zur Bohrung in der Regel besser verkraften als der Benzinmotor, weil er ein niedrigeres ________niveau hat.
Lösung
23. Die Diagramme unterscheiden sich doch sehr. Oben sehen Sie links den ______- und rechts den ______motor.
Lösung
24. Der Dieselmotor ist dem Benziner im _________verhalten unter- und im __________verhalten überlegen.
Lösung
25. Frühere Dieselmotoren ohne Turbolader werden heutzutage eher als ____________ bezeichnet.
Lösung
26. Den Begriff könnte man aber auch für das Ansprechverhalten eines Turbomotors verwenden. Man bezeichnet es auch als _________.
Lösung
27. Im ________ ist davon nichts zu sehen.
Lösung

28. Hier ist links ein _____________________ und rechts ein ______________ abgebildet.
Lösung
29. Zusammen mit einem ___-Kat sorgt er für die heute gesetzlich vorgeschriebene Abgasentgiftung.
Lösung
30. Während der Partikelfilter den Feinstaub zurückhält, ist der oben abgebildete für die Eliminierung der __________ (ausgeschrieben) zuständig.
Lösung
31. Inzwischen verfügen auch schon viele direkteinspritzende Benziner über ______________.
Lösung
32. Statt einem Fahrzeug mit Dieselmotor sollte man bei hohem Anteil an Kurzstrecken eher eins mit _______
empfehlen.
Lösung
33. Ob Benzin oder Diesel, beide Kraftstoffe bestehen fast nur aus ___________ und ___________.
Lösung
34. Stickstoff und Sauerstoff kommen mit der ____ hinzu.
Lösung

35. Die oben gezeigte Verdrehung der Ventile hilft, beim Ansaugen einen ______ zu erzeugen.
Lösung
36. Zusätzlich hat der Dieselkolben im Vergleich zu dem des Benziners einen größeren ________.
Lösung
37. Es gibt einen häufig gebrauchten Begriff für alles, was den Brennraum verlässt und nachher erst von Schadstoffen befreit wird, die _____________.
Lösung
38. Wenn man von dem Geburtsort ausgeht, dann wäre Rudolf Diesel eigentlich ein ________ gewesen.
Lösung
39. Aber den ersten Dieselmotor hat er bei ___ in Deutschland gebaut.
Lösung
40. Allerdings erwiesen sich die ersten Exemplare als für Straßenfahrzeuge zu groß und schwer. Sie verrichteten ihren Dienst zunächst in ________ und ___________.
kfz-tech.de/YDM32
Lösung

41. Auch im Dieselmotor wird _________ in _________energie umgewandelt.
Lösung
42. Seit es vermehrt Elektroautos gibt, begreifen wir erst, wie wunderbar viele Diesel-_________ in einem Tank stecken.
Lösung
43. _____abfuhr ist der größte Feind einer
effektiven Arbeitsweise des Motors.
Lösung
44. Man nennt das Gedankenexperiment von Sadi Carnot (1824), dessen Diagramm oben aufgezeigt ist, einen _____prozess.
Lösung
45. Hier wird ein ideales Gas einem reversiblen (umkehrbaren) Prozess unterworfen, um im Vergleich mit der Praxis aufzuzeigen, welche
Steigerung des ______________ theoretisch
noch möglich wäre.
Lösung
46. Was die Fa. Bosch im Bereich der Zündung beim Benzinmotor an Pionierarbeit geleistet hat, das wiederholt sie beim Dieselmotor im
Bereich der ____________.
Lösung
47. Erst ab 1927 war die serienmäßige Fertigung und der Vertrieb von _______________ möglich, eigentlich die Voraussetzung für den Einsatz des Dieselmotors in
Straßenfahrzeugen.
Lösung

48. Während z.B. bei einer Benzin-Zentraleinspritzung Kraftstoff und Luft genügend Zeit haben, bleiben beiden kurz nach dem Einspritzen nur
Millisekunden, sich zu _______.
Lösung
49. Das funktioniert sehr gut im normalen Betrieb, aber nicht so gut beim Kaltstart. Hier kann es leicht zu __________ kommen.
Lösung
50. Die Umwelt horcht dann auf, weil der Motor lauter wird. Man nennt dessen Unart beim Dieselmotor auch ______.
Lösung
51. Damit verbunden ist oft auch der höhere Ausstoß von ____________.
Lösung
52. Gegen schlechtes Anspringverhalten und damit auch gegen die Nachbarschaft nervende Geräusche hilft Vor______.
Lösung
53. Es geschieht elektrisch und wird immer kürzer nötig, seit es __________________ gibt.
Lösung
54. Mit der zunehmenden Diskussion über die bei kaltem Dieselmotor entstehenden Schadstoffe ist das Nach______ immer wichtiger geworden.
Lösung
55. Es kann bis zu ____ (keine Zahl) Minuten
erfolgen.
Lösung
56. Gesteuert wird das Ganze schon seit langer Zeit von einem elektronischen ______.
Lösung
57. Da Dieselkraftstoff, anders als Benzin, entweder verbrennt, oder Ruß bildet, kommt es hier viel weniger zu einem Eintrag ins _______.
Lösung
58. Dieselkraftstoff hat auch, verglichen mit Benzin, eine größere ___________ Wirkung. Früher wurden mit Benzin sogar wieder einzubauende Teile gereinigt.
Lösung
59. Relativ neu sind allerdings beim Dieselmotor die vom Benziner übernommenen _____________ Nockenwellen.
Lösung
60. Im Kampf um geringen _________ hat
der Dieselmotor allerdings immer noch die Nase vorn.
kfz-tech.de/YDM33
Lösung

61. Es gibt einen Kraftstoff, mit dem sowohl Rudolf Diesel seinen ersten Motor erfolgreich betrieb, der aber auch noch z.B. in den Tank des
1961er Diesel-Pkw von Mercedes gekippt werden durfte. Die Rede ist von _________.
Lösung
62. Wenn ein Benzinmotor früher noch lief, obwohl man seine Zündung abgestellt hatte, was heute unmöglich wäre, dann sagte man, er _______ nach.
Lösung
63. Der ____________ von Dieselkraftstoff liegt
so etwa zwischen 200°C und 400°C.
Lösung
64. In einem Liter Dieselkraftstoff sind etwa __
Prozent mehr Energie enthalten als in einem Liter Benzin.
Lösung
65. Bei Dieselkraftstoff ist nicht die Oktan- sondern die _____zahl entscheidend.
Lösung
66. Das oben im Bild gezeigte Verfahren teilte vom Haupt- einen Neben_________ ab.
Lösung
67. Die Verbrennung begann in einem kleineren Raum und der dabei entstehende Druck pflanzte sich durch kleinere Öffnungen fort, um
schließlich entscheidend auf den Kolben zu wirken. Man sah sich offensichtlich zu dieser Behinderung gezwungen, weil der ___________ der direkten Wucht der Verbrennung noch nicht
gewachsen war.
Lösung

68. Eine etwas andere Aufteilung der Brennräume gab es dann beim oben im Bild sichtbaren ____________verfahren.
Lösung

69. Hier ist die Öffnung zwischen Haupt- und Nebenbrennraum größer, was zu mehr ________ und weniger _________ führt. Der erste Golf Diesel von 1976 ist ein gutes Beispiel dafür.
Lösung

70. Es ist die Zeit der Drossel______düse,
die mit ca. 130 bar Öffnungsdruck den Raum ausfüllt.
Lösung
71. Da arbeiten Dieselmotoren im Lkw schon längst mit Direkteinspritzung und einem noch viel offenerem Nebenbrennraum im ______.
Lösung
72. Erst ca. 30 Jahre später gelangt die Direkteinspritzung auch in den Pkw-Bereich, anfangs, anders als beim Lkw, noch als ____motor.
Lösung
73. Dann kommt der Turbolader hinzu, zunächst noch mit einem _________ zur Regelung des Ladedrucks.
Lösung
74. Irgendwann später, der Diesel-Boom ist schon längst auf seinem Höhepunkt, wird diese Konstruktion durch den sogenannten ___-Lader ersetzt.
Lösung
75. Es kann bis zu ____ (keine Zahl) Minuten
erfolgen.
Lösung
76. Auf der Einspritzseite ist VW anfangs mit einer dem Lastwagen ähnlichen Technik eigene Wege gegangen, der _____düse.
Lösung
77. Man hatte sich besondere Vorteile beim _________ erhofft, musste aber auch einen _____ Motorlauf in Kauf nehmen.
Lösung
78. Am Ende siegte ___________ auf
ganzer Linie, auch bei VW.
Lösung
79. Sogar im ___ hat diese Technik
inzwischen die Pumpedüse verdrängt.
Lösung
80. Leider ist der Dieselmotor ausgerechnet dann in _______ gefallen, als man ihn am meisten gebraucht hätte, nämlich in der Phase stark steigender SUV-Verkäufe.
kfz-tech.de/YDM34
Lösung

81. Common Rail heißt wörtlich übersetzt so viel wie: Gemeinsame _______.
Lösung
82. Die muss von der Füllmenge her so groß sein, dass der Einspritz_____ beim Öffnen eines oder mehrerer Injektoren
nicht wesentlich nachgibt.
Lösung
83. In dem Bild oben ist die _________ Leitung die
von der Hochdruckpumpe kommende.
Lösung
84. Bei etwa 3 bis 6 bar liegt der ______druck
einer Common Rail Anlage.
Lösung

85. Eine Zahnradpumpe kann zwar keine sehr hohen Drücke erzeugen, ist aber für eine ____________ Förderung gut geeignet.
Lösung
86. Der Kraftstoff wird durch die Zahn______
jeweils außen herum transportiert.
Lösung
87. Ein Rücklauf in der Mitte wird durch das ______ der Zahnräder miteinander verhindert.
Lösung

88. Bei einer Flügelzellenpumpe sind drehendes Teil und Gehäuse ___________ einander zugeordnet.
Lösung
89. Die ______ sind in Längsnuten des
drehenden Teils gleitend untergebracht.
Lösung
90. Die bei Drehung auf sie wirkende ___________kraft lässt sie von innen auf dem Gehäuse gleiten.
Lösung

91. Wenn das Innenteil sich mit den Flügeln im Uhrzeigersinn dreht, ist _____ der Einlass und ____ der Auslass.
Lösung
92. Ein wichtiger Grundsatz einer Common-Rail-Anlage gegenüber allen anderen ist die ____________ von Druckerzeugung und Einspritzung.
Lösung
93. Statt einer ________________ wegen
einer nötigen Regeneration des Partikelfilters sollte man lieber den zusätzlichen Kraftstoff direkt dem Auspuffkrümmer zuführen, um eine
mögliche Ölverdünnung zu vermeiden.
Lösung
94. Im Gegensatz zu einer Pumpe-Düse-Anlage wird der __________ bei Common Rail deutlich mehr geschont.
Lösung

95. An der Spitze des Injektors ist, wie schon immer beim Direkteinspritzer, eine ________ eingebaut.
Lösung
96. Inzwischen sind auch fast alle ___ mit
Common Rail Anlagen ausgerüstet.
Lösung
97. Die Höhe des Drucks wird heute bei fast allen Hochdruckpumpen auf der ______druckseite geregelt.
Lösung
98. Es mag zwar Anlagen mit noch mehr Einspritzungen pro Arbeitstakt geben, aber geläufig sind bis zu ____ (keine Zahl).
Lösung
99. Statt der schnell schaltenden Magnetventile gibt es noch schnellere, die mit Hilfe von _____kristallen schalten.
Lösung
100. Ein verbleibender Restdruck nach dem Abstellen des Motors beugt der Bildung von ___________ vor.
kfz-tech.de/YDM35
Lösung
Lösung
1. Boxer
Zurück
2. Turbo
Zurück
3. Compound
Zurück
4. Langstrecken
Zurück
5. Drehmoment
Zurück
6. Benzin
Zurück
6. Diesel
Zurück
7. Nenn
Zurück
8. Direkteinspritzung
Zurück
9. Drücke
Zurück
10. Coupes
Zurück
10. Cabrios
Zurück
11. Kosten
Zurück
12. synthetisch
Zurück
13. Volllast
Zurück
14. Regentropfen
Zurück
15. Sauberkeit
Zurück
16. Verbrennungs
Zurück
17. Düsen
Zurück
18. Lang
Zurück
19. Verdichtung
Zurück
20. geringer
Zurück
21. Luft
Zurück
22. Drehzahl
Zurück
23. Benzin
Zurück
23. Diesel
Zurück
24. Leistungs
Zurück
24. Drehmoment
Zurück
25. phlegmatisch
Zurück
26. Turboloch
Zurück
27. Diagramm
Zurück
28. Oxidationskatalysator
Zurück
28. Partikelfilter
Zurück
29. SCR
Zurück
30. Stickoxide
Zurück
31. Partikelfilter
Zurück
32. Elektro
Zurück
33. Kohlenstoff
Zurück
33. Wasserstoff
Zurück
34. Luft
Zurück
35. Wirbel
Zurück
36. Hohlraum
Zurück
37. Rohemissionen
Zurück
38. Franzose
Zurück
39. MAN
Zurück
40. Schiffen
Zurück
40. Lokomotiven
Zurück
41. chemische
Zurück
41. Bewegungs
Zurück
42. Kilometer
Zurück
43. Wärme
Zurück
44. Kreis
Zurück
45. Wirkungsgrades
Zurück
46. Einspritzung
Zurück
47. Einspritzpumpen
Zurück
48. mischen
Zurück
49. Zündverzug
Zurück
50. Nageln
Zurück
51. Schadstoffen
Zurück
52. glühen
Zurück
53. Direkteinspritzung
Zurück
54. glühen
Zurück
55. drei
Zurück
56. Relais
Zurück
57. Motoröl
Zurück
58. schmierende
Zurück
59. verstellbaren
Zurück
60. Verbrauch
Zurück
61. Petroleum
Zurück
62. dieselt
Zurück
63. Siedebereich
Zurück
64. 13
Zurück
65. Cetan
Zurück
66. brennraum
Zurück
67. Kurbeltrieb
Zurück
68. Wirbelkammer
Zurück
69. Leistung
Zurück
69. Verbrauch
Zurück
70. zapfen
Zurück
71. Kolben
Zurück
72. Saug
Zurück
73. Wastegate
Zurück
74. VTG
Zurück
75. drei
Zurück
76. Pumpe
Zurück
77. Verbrauch
Zurück
77. rauen
Zurück
78. Common Rail
Zurück
79. Lkw
Zurück
80. Ungnade
Zurück
81. Schiene
Zurück
82. druck
Zurück
83. hinterste
Zurück
84. Förder
Zurück
85. gleichmäßige
Zurück
86. lücken
Zurück
87. Kämmen
Zurück
88. exzentrisch
Zurück
89. Flügel
Zurück
90. Zentrifugal
Zurück
91. unten
Zurück
91. oben
Zurück
92. Entkoppelung
Zurück
93. Nacheinspritzung
Zurück
94. Zahnriemen
Zurück
95. Lochdüse
Zurück
96. Lkw
Zurück
97. Nieder
Zurück
98. vier
Zurück
99. Piezo
Zurück
100. Dampfblasen
Zurück
1. Boxer
Zurück
2. Turbo
Zurück
3. Compound
Zurück
4. Langstrecken
Zurück
5. Drehmoment
Zurück
6. Benzin
Zurück
6. Diesel
Zurück
7. Nenn
Zurück
8. Direkteinspritzung
Zurück
9. Drücke
Zurück
10. Coupes
Zurück
10. Cabrios
Zurück
11. Kosten
Zurück
12. synthetisch
Zurück
13. Volllast
Zurück
14. Regentropfen
Zurück
15. Sauberkeit
Zurück
16. Verbrennungs
Zurück
17. Düsen
Zurück
18. Lang
Zurück
19. Verdichtung
Zurück
20. geringer
Zurück
21. Luft
Zurück
22. Drehzahl
Zurück
23. Benzin
Zurück
23. Diesel
Zurück
24. Leistungs
Zurück
24. Drehmoment
Zurück
25. phlegmatisch
Zurück
26. Turboloch
Zurück
27. Diagramm
Zurück
28. Oxidationskatalysator
Zurück
28. Partikelfilter
Zurück
29. SCR
Zurück
30. Stickoxide
Zurück
31. Partikelfilter
Zurück
32. Elektro
Zurück
33. Kohlenstoff
Zurück
33. Wasserstoff
Zurück
34. Luft
Zurück
35. Wirbel
Zurück
36. Hohlraum
Zurück
37. Rohemissionen
Zurück
38. Franzose
Zurück
39. MAN
Zurück
40. Schiffen
Zurück
40. Lokomotiven
Zurück
41. chemische
Zurück
41. Bewegungs
Zurück
42. Kilometer
Zurück
43. Wärme
Zurück
44. Kreis
Zurück
45. Wirkungsgrades
Zurück
46. Einspritzung
Zurück
47. Einspritzpumpen
Zurück
48. mischen
Zurück
49. Zündverzug
Zurück
50. Nageln
Zurück
51. Schadstoffen
Zurück
52. glühen
Zurück
53. Direkteinspritzung
Zurück
54. glühen
Zurück
55. drei
Zurück
56. Relais
Zurück
57. Motoröl
Zurück
58. schmierende
Zurück
59. verstellbaren
Zurück
60. Verbrauch
Zurück
61. Petroleum
Zurück
62. dieselt
Zurück
63. Siedebereich
Zurück
64. 13
Zurück
65. Cetan
Zurück
66. brennraum
Zurück
67. Kurbeltrieb
Zurück
68. Wirbelkammer
Zurück
69. Leistung
Zurück
69. Verbrauch
Zurück
70. zapfen
Zurück
71. Kolben
Zurück
72. Saug
Zurück
73. Wastegate
Zurück
74. VTG
Zurück
75. drei
Zurück
76. Pumpe
Zurück
77. Verbrauch
Zurück
77. rauen
Zurück
78. Common Rail
Zurück
79. Lkw
Zurück
80. Ungnade
Zurück
81. Schiene
Zurück
82. druck
Zurück
83. hinterste
Zurück
84. Förder
Zurück
85. gleichmäßige
Zurück
86. lücken
Zurück
87. Kämmen
Zurück
88. exzentrisch
Zurück
89. Flügel
Zurück
90. Zentrifugal
Zurück
91. unten
Zurück
91. oben
Zurück
92. Entkoppelung
Zurück
93. Nacheinspritzung
Zurück
94. Zahnriemen
Zurück
95. Lochdüse
Zurück
96. Lkw
Zurück
97. Nieder
Zurück
98. vier
Zurück
99. Piezo
Zurück
100. Dampfblasen
Zurück